SVPWM matlab建模

article/2025/10/18 18:45:20

此为SVPWM算法的SIMULINK建模过程,没有具体的公式推导(太多了,难打字)

abc为matlab自带的三相正弦波发生器,需要调整参数。

 

首先进行坐标变换

第一个fcn里的代码

function y = fcn(a,b,c)
y =(2/3)*( a-0.5*b-0.5*c);%Ualapha计算

 第二个fcn里的代码

function y = fcn(a,b,c)
y = (2/3)*(a*0+sqrt(3/4)*b-sqrt(3/4)*c);

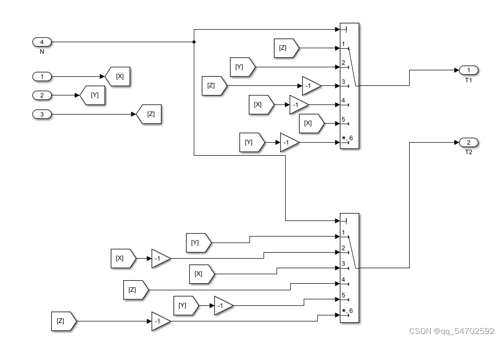
 扇区分配

 N的求取

N求取之后应该会得到如下图显示的波形 ,N的值为3 1 5 4 6 2 的循环

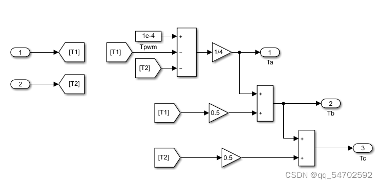
 作用时间的选择

 图中的1 2 3 输入是XYZ。模块进行封装过了,会简洁很多。

 T1 T2 过调制处理

 输入1 与输入2 是之前算出来的T1 T2

切换点时间计算

 此时Ta Tb Tc时间图像应如下图

求扇区比较器比较时刻

 得到比较时刻图像

产生PWM波,这里注意三角波发生器的周期和幅值,为【0 0.5 1】*1e-4

【0 1 0】*1e-4

 

 这里用的是减法,也可以用逻辑进行比较,图中的double是格式转换器,使信息量格式一致,没有进行转化会报错。

检查,N为扇区选择

 示波器接N与三个上升沿,上升沿用mux模块集合在一起了,方便观看,上升沿就是没有取反的那条线,即Mux6的1 3 5 号口。

上下桥臂检查,图中取第一个桥臂进行检查,即Mux6的一二号口

 PWM波调制完成之后可以加入电气模块了,直流电我取的500V

​​负载选择RLC负载

这是最终的调试效果^-^ 


http://chatgpt.dhexx.cn/article/FC1nwY41.shtml

相关文章

SVPWM算法的推导

博文默认采用恒幅值变换,若是用到恒功率变换的时候,会特别说明。推导过程其实有很多种,云龙混杂,看着看着自己就晕了,所以最好找一种自己好理解的。有关坐标变换的理论,参考坐标变化这篇博客 1.三相空间电…

svpwm理解

svpwm主要用于逆变器件的开关与导通,使得在电机内部形成圆形磁场。与spwm相比有诸多优点,中小功率的逆变器基本都采用svpwm进行逆变控制。 svpwm目的是在电机内部形成圆形磁场,磁场与电机内部合成电压的关系为正交,即合成电压为磁…

SimpleFOC(八)—— 理论+实践 深度分析SVPWM

目录 说明一、有感FOC控制原理二、SVPWM原理三、SimpleFOC(不带电流采样)的控制原理:四、SimpleFOC核心代码五、代码实验5.1、实验目的5.2、硬件准备5.3、修改代码 第一阶段5.3.1 打开例程5.3.2 修改代码5.3.3 验证上传5.3.4 电机观测5.3.5 修…

matlab查表svpwm,SVPWM的查表生成方式代码

昨天研究了传统的SVPWM生成方法之后 偶然看到了这个东西: 也就是说 SVPWM的占空比-角度的关系可以用分段函数进行表示 这样就简单多了 基本上通过查cos表+判断能避免浮点数运算 下面素程序www 结果输出到3个txt文件中,修改p的值可以算占空比(相电压)或者线电压... /* * SVPW…

svpwm的matlab模型,SVPWM的matlab仿真实现

在仿真之前您必须安装MATLAB7.0或以上版本,必须确保simpowersysm工具箱已被安装,如果以上要求已经达到,那么就可以执行以下步骤了: 步骤1:打开matlab主界面,然后在command window界面中的“>>”旁边输…

SVPWM细节

SVPWM细节 # 原理 通过六个扇区的六个非零矢量进行矢量合成所需电压,但在合成过程中不可避免地会经过零矢量来合成,从而降低开关频率动作次数。 一般过调制的情况下非零矢量作用时间大于载波周期,所以在此过程中只取有效矢量的作用时间之和。…

SVPWM学习

作者寄语:在公众号(浅谈电机控制)中以小文章的形式记录自己学习SVPWM的过程。有时候自学未免出现理解错误的地方,所以烦请学友们批评指正。 如果需要SVPWM模型,关注微信公众号:浅谈电机控制。留下邮箱获取…

单相SVPWM

单相SVPWM逆变技术起源于三相电机调速系统中的三相SVPWM技术,在三相SVPWM调制中由旋转的电压矢量得到旋转的磁场,对电压矢量进行控制从而实现电机调速,其实电压矢量控制的实质是一种逆变过程,故单相SVPWM逐渐被研究并应用于逆变电…

SVPWM

接上一篇文章咱们接着讲讲SVPWM,如果对于PWM和SPWM不是很了解的同学可以看我上一篇文章。电机控制是一门很深得学问,由于时间和精力有限,本文章不会讲解特别深入,在此只是抛砖引玉。 SVPWM原理 SVPWM的全称是空间矢量脉宽调制(Sp…

SVPWM算法理解(一)——基本原理

SVPWM算法理解(一)——基本原理 说明1 SVPWM基本原理1.1 引言1.2 三相电量的空间矢量表示1.3 SPWM与SVPWM比较1.4 问题1:2Udc/3还是Udc? 2 SVPWM算法推导2.1 SVPWM的合成原理2.2 问题2:电压利用率1?2.3 SVP…

SVPWM理论部分

SVPWM理论部分 简述1、基本原理2、SVPWM控制2.1 扇区判断(根据$\alpha\beta$为方便判断扇区而采取的一种方法)2.2 电压空间矢量合成及作用时间2.3 电压空间矢量作用顺序2.3.1 五段式SVPWM2.3.2 七段式SVPWM 总结 简述 SVPWM,即空间矢量调制&…

SVPWM算法原理及详解

SVPWM算法原理及详解 1.概述 SVPWM是近年发展的一种比较新颖的控制方法,是由三相功率逆变器的六个功率开关元件组成的特定开关模式产生的脉宽调制波,能够使输出电流波形尽可能接近于理想的正弦波形。空间电压矢量PWM与传统的正弦PWM不同,它是…

FOC电机控制之SVPWM原理与实现

提示:文章写完后,目录可以自动生成,如何生成可参考右边的帮助文档 文章目录 前言一、SVPWM原理二、SVPWM实现方法1. 基本矢量电压:2.扇区判断:3. 计算相邻两个基本矢量电压的作用时间4 .三路PWM占空比计算 算法流程ste…

SVPWM分析、各个扇区详细计算以及Matlab仿真

SVPWM分析以及各个扇区详细计算以及Matlab仿真 说明目的两电平逆变器拓扑空间矢量扇区判断扇区内如何发波?矢量作用时间计算矢量切换时间的计算Simulink仿真/基于Matlab-R2014a版本 说明 第一次发文章,不太会用Markdown,word编辑的公式复制过…

概率统计Python计算:解古典概型问题

假定以 S S S为样本空间的随机试验是一个等概模型,事件 A ⊆ S A\subseteq S A⊆S。若能算得 ∣ S ∣ n |S|n ∣S∣n, ∣ A ∣ m |A|m ∣A∣m,我们知道 P ( A ) m / n P(A)m/n P(A)m/n。我们把这样的计算方法定义成下列的Python函数。 fr…

古典概型

【例1】一部四册的文集按任意次序放到书架上去,问各册自右向左或自左向右恰成 1,2,3,4 的顺序(用 表示)的概率是多少? 解 此随机试验的结果是四本书在书架上的一种放法,而每一…

概率论3——古典概型与二项分布

排列组合 排列组合高中应该就学过,包括两个原理(加法和乘法原理),以及排列和组合 两个原理 加法原理 比如完成某件事有3类途径,在1类中有4种方法,第2类中有2种方法,第3类中有3种方法&#xf…

概率论基础(1)古典和几何概型及事件运算

概率论对于学习 NLP 方向的人,重要性不言而喻。于是我打算从概率论基础篇开始复习,也顺便巩固巩固基础。 1.事件及运算 1.1 文森图及运算 1.2常用运算律 1.3相关练习 理解:要么A要么B要么C发生,所以是A ∪ B ∪ C&#xff…

概率论--古典概型和几何概型

-------------------------------------------几何概型------------------------------------------------------------------ 向某一可度量的区域内任掷一点.如果所掷的点落在中任意子区域内的可能性大小与A的度量(长度,面积和体积等&…