SVPWM理论部分

article/2025/10/18 20:53:44

SVPWM理论部分

  • 简述
  • 1、基本原理
  • 2、SVPWM控制
    • 2.1 扇区判断(根据$\alpha\beta$为方便判断扇区而采取的一种方法)
    • 2.2 电压空间矢量合成及作用时间
    • 2.3 电压空间矢量作用顺序
      • 2.3.1 五段式SVPWM
      • 2.3.2 七段式SVPWM
  • 总结


简述

SVPWM,即空间矢量调制(Space Vector Pulse Modulation)

SVPWM,把逆变器和交流电动机视为一体,以圆形旋转磁场为目标来控制逆变器工作,这种控制方法称作“磁链跟踪控制”,磁链轨迹的控制是通过交替使用不同电压空间矢量实现的,所以又称“电压空间矢量SVPWM”。

优点

  1. SVPWM优化谐波程度比较高,消除谐波效果要比SPWM好,实现容易;
  2. SVPWM算法提高了电压源逆变器的直流电压利用率和电机的动态响应速度.同时减小电机的转矩脉动等缺点;
  3. SVPWM比较适合数字化控制系统;

1、基本原理

假设三相对称正弦相电压的瞬时值表示为
{ u a = U m cos ⁡ ω t u b = U m cos ⁡ ( ω t − 2 3 π ) u c = U m cos ⁡ ( ω t + 2 3 π ) (1-1) \left\{\begin{array}{l} u_{a}=U_{m} \cos \omega t \\ u_{b}=U_{m} \cos \left(\omega t-\frac{2}{3} \pi\right) \\ u_{c}=U_{m} \cos \left(\omega t+\frac{2}{3} \pi\right) \end{array}\right.\tag{1-1} ua=Umcosωtub=Umcos(ωt32π)uc=Umcos(ωt+32π)(1-1)

其中: U m U_{m} Um为相电压的幅值; ω = 2 π f \omega=2\pi f ω=2πf为相电压的角频率。三相相电压 u a u_a ua, u b u_b ub, u c u_c uc

对应的空间电压矢量为
U out  = u a + a u b + a 2 u c (1-2) \boldsymbol{U}_{\text {out }}=u_{a}+a u_{b}+a^{2} u_{c}\tag{1-2} Uout =ua+aub+a2uc(1-2)
其中: a = e j 2 3 π a=e^{j\frac{2}{3}\pi } a=ej32π, b = e j 4 3 π b=e^{j\frac{4}{3}\pi } b=ej34π

(此处两个120°,ABC三相电压相位差120°,它们的空间位置也差120°)

根据(1-1)和(1-2)可得 U out  \boldsymbol{U}_{\text {out }} Uout 的实部和虚部为

{ R e U o u t = u a + u b cos ⁡ 2 3 π + u c cos ⁡ ( − 2 3 π ) = 3 2 U m sin ⁡ ω t Im ⁡ U o u t = u b sin ⁡ 2 3 π + u c sin ⁡ ( − 2 3 π ) = − 3 2 U m cos ⁡ ω t (1-3) \left\{\begin{array}{l} R e \boldsymbol{U}_{\mathrm{out}}=u_{a}+u_{b} \cos \frac{2}{3} \pi+u_{c} \cos \left(-\frac{2}{3} \pi\right)=\frac{3}{2} U_{\mathrm{m}} \sin \omega t \\ \operatorname{Im} \boldsymbol{U}_{\mathrm{out}}=u_{b} \sin \frac{2}{3} \pi+u_{c} \sin \left(-\frac{2}{3} \pi\right)=-\frac{3}{2} U_{\mathrm{m}} \cos \omega t \end{array}\right.\tag{1-3} {ReUout=ua+ubcos32π+uccos(32π)=23UmsinωtImUout=ubsin32π+ucsin(32π)=23Umcosωt(1-3)

U o u t = R e U o u t + j I m U o u t = 3 2 U m e j ( ω t − π 2 ) (1-4) \boldsymbol{U}_{\mathrm{out}}=\mathrm{R} \mathrm{e} \boldsymbol{U}_{\mathrm{out}}+\mathrm{j} \mathrm{I} \mathrm{m} \boldsymbol{U}_{\mathrm{out}}=\frac{3}{2} U_{\mathrm{m}} \mathrm{e}^{\mathrm{j}\left(\omega t-\frac{\pi}{2}\right)}\tag{1-4} Uout=ReUout+jImUout=23Umej(ωt2π)(1-4)

因此,三相对称正弦电压对应的空间电压矢量运动轨迹如图1所示。从图中可以看出,电压空间矢量 U out  \boldsymbol{U}_{\text {out }} Uout 顶点的运动轨迹为一个圆,且以角速度 ω \omega ω 逆时针旋转。根据空间矢量变换的可逆性,若空间电压矢量 U out  \boldsymbol{U}_{\text {out }} Uout 的顶点运动轨迹越趋近于一个圆.则原三相电压越趋近于三相对称正弦波。
在这里插入图片描述

三相对称正弦电压供电是理想的供电方式,也是逆变器交流输出电压控制的追求目标。实际上通过空间矢量变换,可以将逆变器三相输出的3个标量的控制问题转化为一个矢量的控制问题。

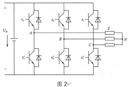
对于典型的两电平三相电压源逆变器电路,其原理图如图2所示。定义 s a s_a sa s b s_b sb s c s_c sc s a ′ s_a' sa s b ′ s_b' sb s c ′ s_c' sc为ABC三相六个开关器件开关状态。
s a s_a sa s b s_b sb s c s_c sc 为1时,上桥臂导通,下桥臂关断
s a s_a sa s b s_b sb s c s_c sc 为0时,上桥臂关断,下桥臂导通

在这里插入图片描述
共有八种组态(000)(001)(010)(011)(100)(101)(110)(111),[其中(000)和(111)为0矢量]对应八个基本电压空间矢量,各矢量为
U o u t = 2 U d c 3 ( s a + s b e j 2 3 π + s c e − j 2 3 π ) (1-5) \boldsymbol{U}_{\mathrm{out}}=\frac{2 U_{\mathrm{dc}}}{3}\left(s_{a}+s_{b} \mathrm{e}^{\mathrm{j} \frac{2}{3} \pi}+s_{c} \mathrm{e}^{-\mathrm{j} \frac{2}{3} \pi}\right)\tag{1-5} Uout=32Udc(sa+sbej32π+scej32π)(1-5)

U out  \boldsymbol{U}_{\text {out }} Uout 为空间旋转矢量,系数2/3是因为在 α β \alpha\beta αβ坐标系下,具体可参考知乎
点此.(zhuanlan.zhihu.com/p/56529497)

U A N U_{AN} UAN U B N U_{BN} UBN U C N U_{CN} UCN表达式
{ U A N = U d c 3 ( 2 s a − s b − s c ) U B N = U d c 3 ( 2 s b − s a − s c ) U C N = U d c 3 ( 2 s c − s a − s b ) (1-6) \left\{\begin{aligned} U_{A N} &=\frac{U_{\mathrm{dc}}}{3}\left(2 s_{a}-s_{b}-s_{c}\right) \\ U_{B N} &=\frac{U_{\mathrm{dc}}}{3}\left(2 s_{b}-s_{a}-s_{c}\right) \\ U_{C N} &=\frac{U_{\mathrm{dc}}}{3}\left(2 s_{c}-s_{a}-s_{b}\right) \end{aligned}\right.\tag{1-6} UANUBNUCN=3Udc(2sasbsc)=3Udc(2sbsasc)=3Udc(2scsasb)(1-6)

汇总表如下
在这里插入图片描述

由表可以看出,在8种组合电压空间矢量中,包括6个非零矢量以及两个零矢量。将8种组合的基本空间电压矢量映射至如图3所示的复平面中,即可得到该图所示的电压空间矢量图。它们将复平面分成了6个区,称之为扇区。

在这里插入图片描述

角度是怎么得来的? 60°为什么是110?
AB相为1,C相为0。如图4所示
在这里插入图片描述


2、SVPWM控制

要进行SVPWM控制,需要做以下三部分工作

a) 确定电压空间矢量在哪个扇区

b) 确定电压空间矢量合成及作用时间

c) 电压空间矢量作用顺序(开关器件切换时间点)

2.1 扇区判断(根据 α β \alpha\beta αβ为方便判断扇区而采取的一种方法)

判断扇区的目的是确定本次开关周期所使用的基本电压空间矢量。用 u α u β u_\alpha\ u_\beta uα uβ表示参考电压矢量 U out  \boldsymbol{U}_{\text {out }} Uout  α β \alpha\beta αβ轴的分量,定义 U r e f 1 U_{ref1} Uref1 U r e f 2 U_{ref2} Uref2 U r e f 3 U_{ref3} Uref3三个变量,令
{ U r e f 1 = u β U r c f 2 = 3 2 u α − 1 2 u β U r e f 3 = − 3 2 u α − 1 2 u β (2-1) \left\{\begin{aligned} U_{r \mathrm{ef} 1} &=u_{\beta} \\ U_{\mathrm{rcf} 2} &=\frac{\sqrt{3}}{2} u_{\alpha}-\frac{1}{2} u_{\beta} \\ U_{\mathrm{ref} 3} &=-\frac{\sqrt{3}}{2} u_{\alpha}-\frac{1}{2} u_{\beta} \end{aligned}\right.\tag{2-1} Uref1Urcf2Uref3=uβ=23 uα21uβ=23 uα21uβ(2-1)
再定义3个变量A,B,C。
U r e f 1 > 0 U_{ref1}>0 Uref1>0,则A = 1,否则A = 0;
U r e f 2 > 0 U_{ref2}>0 Uref2>0,则B = 1,否则B = 0;
U r e f 3 > 0 U_{ref3}>0 Uref3>0,则C = 1,否则C = 0;

N = 4C + 2B + A,则可以得到与扇区的关系,通过表2可以得出 U out  \boldsymbol{U}_{\text {out }} Uout 所在的扇区。
在这里插入图片描述
注意:空间矢量逆时针旋转扇区变化Ⅰ Ⅱ Ⅲ Ⅳ Ⅴ Ⅵ,N变化315462。

2.2 电压空间矢量合成及作用时间

SVPWM算法的理论基础是平均值等效原理,即在一个开关周期T内通过对基本电压矢量加以组合,使其平均值与给定电压矢量相等。在某个时刻,电压空间矢量 U out  \boldsymbol{U}_{\text {out }} Uout 旋转到某个区域中,可由组成该区域的两个相邻的非零矢量和零矢量在时间上的不同组合得到。
在这里插入图片描述

以扇区Ⅰ(N = 3)为例,空间矢量合成示意图如图5所示。根据平衡等效原则可以得到下式
T s U out  = T 4 U 4 + T 6 U 6 + T 0 ( U 0 或  U 7 ) (2-2) T_{s} \boldsymbol{U}_{\text {out }}=T_{4} \boldsymbol{U}_{4}+T_{6} \boldsymbol{U}_{6}+T_{0}\left(\boldsymbol{U}_{\mathbf{0}} \text { 或 } \boldsymbol{U}_{\boldsymbol{7}}\right)\tag{2-2} TsUout =T4U4+T6U6+T0(U0  U7)(2-2)

T 4 + T 6 + T 0 = T s (2-3) T_{4}+T_{6}+T_{0}=T_{s}\tag{2-3} T4+T6+T0=Ts(2-3)


{ U 1 = T 4 T s U 4 U 2 = T 6 T s U 6 (2-4) \left\{\begin{array}{l} \boldsymbol{U}_{1}=\frac{T_{4}}{T_{\mathrm{s}}} \boldsymbol{U}_{4} \\ \boldsymbol{U}_{2}=\frac{T_{6}}{T_{\mathrm{s}}} \boldsymbol{U}_{6} \end{array}\right.\tag{2-4} {U1=TsT4U4U2=TsT6U6(2-4)

其中: T 4 T_4 T4 T 6 T_6 T6 T 0 T_0 T0分别为 U 4 {U}_{4} U4 U 6 {U}_{6} U6和零矢量 U 0 {U}_{0} U0(或 U 7 {U}_{7} U7)的作用时间。

由图5, α β \alpha\beta αβ轴上的分量为
{ u α = T 4 T s ∣ U 4 ∣ + T 6 T s ∣ U 6 ∣ cos ⁡ π 3 u β = T 6 T s ∣ U 6 ∣ sin ⁡ π 3 (2-5) \left\{\begin{aligned} u_{\alpha} &=\frac{T_{4}}{T_{s}}\left|\boldsymbol{U}_{4}\right|+\frac{T_{6}}{T_{s}}\left|\boldsymbol{U}_{6}\right| \cos \frac{\pi}{3} \\ u_{\beta} &=\frac{T_{6}}{T_{s}}\left|\boldsymbol{U}_{6}\right| \sin \frac{\pi}{3} \end{aligned}\right.\tag{2-5} uαuβ=TsT4U4+TsT6U6cos3π=TsT6U6sin3π(2-5)
化简得
{ T 4 = 3 T s 2 U d c ( 3 u α − u β ) T 6 = 3 T s U d c u β (2-6) \left\{\begin{aligned} T_{4} &=\frac{\sqrt{3} T_{s}}{2 U_{d c}}\left(\sqrt{3} u_{\alpha}-u_{\beta}\right) \\ T_{6} &=\frac{\sqrt{3} T_{\mathrm{s}}}{U_{\mathrm{dc}}} u_{\beta} \end{aligned}\right.\tag{2-6} T4T6=2Udc3 Ts(3 uαuβ)=Udc3 Tsuβ(2-6)
同理,可以得出其他扇区各矢量作用时间。

{ X = 3 T s u β U d c Y = 3 T s U d c ( 3 2 u α + 1 2 u β ) Z = 3 T s U d c ( − 3 2 u α + 1 2 u β ) (2-7) \left\{\begin{aligned} X &=\frac{\sqrt{3} T_{s} u_{\beta}}{U_{d c}} \\ Y &=\frac{\sqrt{3} T_{s}}{U_{d c}}\left(\frac{\sqrt{3}}{2} u_{\alpha}+\frac{1}{2} u_{\beta}\right) \\ Z &=\frac{\sqrt{3} T_{s}}{U_{d c}}\left(-\frac{\sqrt{3}}{2} u_{\alpha}+\frac{1}{2} u_{\beta}\right) \end{aligned}\right.\tag{2-7} XYZ=Udc3 Tsuβ=Udc3 Ts(23 uα+21uβ)=Udc3 Ts(23 uα+21uβ)(2-7)
可得各个扇区 T 4 , T 6 , T 0 ( T 7 ) T_4,T6,T0(T7) T4T6T0T7作用时间,如下表
在这里插入图片描述
注: T 0 = T 7 T_0=T_7 T0=T7

如果 T 4 + T 6 > T s T_4+T_6>T_s T4+T6>Ts ,则需要进行调制,如下
{ T 4 = T 4 T 4 + T 6 T T 6 = T 6 T 4 + T 6 T s (2-8) \left\{\begin{aligned} T_{4} &=\frac{T_{4}}{T_{4}+T_{6}} T \\ T_{6} &=\frac{T_{6}}{T_{4}+T_{6}} T_{\mathrm{s}} \end{aligned}\right.\tag{2-8} T4T6=T4+T6T4T=T4+T6T6Ts(2-8)

2.3 电压空间矢量作用顺序

SVPWM算法的合成方式主要包括两种:

七段式SVPWM算法:基于软件模式的合成;零矢量开始,零矢量结束,两边各一份零矢量,中间两份零矢量。

五段式SVPWM算法:基于硬件模式的合成;中间两份零矢量;

无论哪种方法,所遵循的基本原则是开关动作次数少,每个开关在一个周期内最多动作两次。

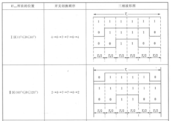
2.3.1 五段式SVPWM

每个开关周期只有4次开关切换,但是电流谐波分量较大

在这里插入图片描述
在这里插入图片描述
在这里插入图片描述
开关顺序为某个扇区两边对应的空间矢量。扇区两个基本向量排列顺序:从小数字往大数字排 T s / 2 T_s/2 Ts/2以内)

2.3.2 七段式SVPWM

每个开关周期6次开关切换,谐波分量小,开关损耗略大于5段式。
在这里插入图片描述
在这里插入图片描述
零矢量开始,零矢量结束,小数字往大数字排列(到Ts/2)

七段式扇区矢量切换时间点确定
首先定义
{ T a = ( T s − T 4 − T 6 ) / 4 T b = T a + T 4 / 2 T c = T b + T 6 / 2 (2-9) \left\{\begin{array}{l} T_{a}=\left(T_{\mathrm{s}}-T_{4}-T_{6}\right) / 4 \\ T_{b}=T_{a}+T_{4} / 2 \\ T_{c}=T_{b}+T_{6} / 2 \end{array}\right.\tag{2-9} Ta=(TsT4T6)/4Tb=Ta+T4/2Tc=Tb+T6/2(2-9)
三相电压开关时间切换点 T c m 1 , T c m 2 , T c m 3 T_{cm1},\ T_{cm2},\ T_{cm3} Tcm1 Tcm2 Tcm3与各扇区关系如表4所示
在这里插入图片描述
T c m 1 , T c m 2 , T c m 3 T_{cm1},\ T_{cm2},\ T_{cm3} Tcm1 Tcm2 Tcm3分别为ABC相开关切换时间点,对应七段式各扇区


总结

SVPWM本质上就是控制磁链,获得圆形磁场。步骤中一些参数变量设置都是为了用数学公式描述模型,从而实现目的。(如扇区判断、三相电压开关时间切换点等等)


http://chatgpt.dhexx.cn/article/pZXtYHT5.shtml

相关文章

SVPWM算法原理及详解

SVPWM算法原理及详解 1.概述 SVPWM是近年发展的一种比较新颖的控制方法,是由三相功率逆变器的六个功率开关元件组成的特定开关模式产生的脉宽调制波,能够使输出电流波形尽可能接近于理想的正弦波形。空间电压矢量PWM与传统的正弦PWM不同,它是…

FOC电机控制之SVPWM原理与实现

提示:文章写完后,目录可以自动生成,如何生成可参考右边的帮助文档 文章目录 前言一、SVPWM原理二、SVPWM实现方法1. 基本矢量电压:2.扇区判断:3. 计算相邻两个基本矢量电压的作用时间4 .三路PWM占空比计算 算法流程ste…

SVPWM分析、各个扇区详细计算以及Matlab仿真

SVPWM分析以及各个扇区详细计算以及Matlab仿真 说明目的两电平逆变器拓扑空间矢量扇区判断扇区内如何发波?矢量作用时间计算矢量切换时间的计算Simulink仿真/基于Matlab-R2014a版本 说明 第一次发文章,不太会用Markdown,word编辑的公式复制过…

概率统计Python计算:解古典概型问题

假定以 S S S为样本空间的随机试验是一个等概模型,事件 A ⊆ S A\subseteq S A⊆S。若能算得 ∣ S ∣ n |S|n ∣S∣n, ∣ A ∣ m |A|m ∣A∣m,我们知道 P ( A ) m / n P(A)m/n P(A)m/n。我们把这样的计算方法定义成下列的Python函数。 fr…

古典概型

【例1】一部四册的文集按任意次序放到书架上去,问各册自右向左或自左向右恰成 1,2,3,4 的顺序(用 表示)的概率是多少? 解 此随机试验的结果是四本书在书架上的一种放法,而每一…

概率论3——古典概型与二项分布

排列组合 排列组合高中应该就学过,包括两个原理(加法和乘法原理),以及排列和组合 两个原理 加法原理 比如完成某件事有3类途径,在1类中有4种方法,第2类中有2种方法,第3类中有3种方法&#xf…

概率论基础(1)古典和几何概型及事件运算

概率论对于学习 NLP 方向的人,重要性不言而喻。于是我打算从概率论基础篇开始复习,也顺便巩固巩固基础。 1.事件及运算 1.1 文森图及运算 1.2常用运算律 1.3相关练习 理解:要么A要么B要么C发生,所以是A ∪ B ∪ C&#xff…

概率论--古典概型和几何概型

-------------------------------------------几何概型------------------------------------------------------------------ 向某一可度量的区域内任掷一点.如果所掷的点落在中任意子区域内的可能性大小与A的度量(长度,面积和体积等&…

古典概型和几何概型

古典概型(等可能概型) 1.1定义(随机试验模型) ①只有有限个可能 ②每个结果发生的可能性大小相同。 由 1P(S)得 设事件A包含样本空间S中k个基本事件,那么事件A发生的概率为 1.2计算古典概型的方法——排列跟组合 …

古典概型-分房模型

古典概型问题一般从排列组合、乘法原理的角度思考; 回想概率的基本公式:p(A)A事件发生的次数/总的实验次数 (1)k个盒子已经指定了,每次拿一个球放入其中一个盒子 第一问可以理解为:指定的k个盒子中各有一球…

【概率论与数理统计】猴博士 笔记 p1-p2 古典概型、几何概型

视频 古典概型 常见的古典概型题目分为: 有放回无放回 有放回 对于有放回的题目,一般可以这样做: 举个例子,如题: 则它们的答案是: 1. C 4 4 ∗ ( 2 5 ) 4 C_{4}^{4} *&…

概率论 事件关系 古典概型与几何概型

基本知识点 随机试验:1.不确定性2.可预知性3.可重复性基本事件:包含一个样本点 必然事件:全集 不可能事件:空集 子集2^n-1-1(减去空集与真集) 事件间的关系 1.包含关系 2.和运算AUBAB,A与B至少有一个发生 3.积事件A∩BAB,AB同时发生 4.差事件A-BAB ̅A-AB,A发生但B不发生 5.…

概率论 1.3 古典概型与几何概型

1.3.1 排列与组合 排列 从n个不同元素任取r(r<n)个元素排成一列(考虑元素出现的先后次序)&#xff0c;称此为一个排列&#xff0c;此种排列的总数为n(n-1)....(n-r1)n!/(n-r)&#xff01;&#xff0c;若rn,则称为全排列&#xff0c; 2.重复排列 从n个不同元素中每次取出一个…

概率论基础 —— 1. 基本事件类型、运算规则,及古典概型与几何型概型

概率论与数理统计的相关知识&#xff0c;是机器学习及深度学习最常应用到的基本知识。因为对于机器学习和深度学习来说&#xff0c;最常见的一个应用场景就是训练一堆样本集后&#xff0c;给定一个测试样本&#xff0c;它可能同时具备类A和类B的特征&#xff0c;那么就需要通过…

概率论---古典概型

1、称具有下列两个特征的随机试验模型为古典概型&#xff1a; (1)随机试验具有有限个可能的结果&#xff1b;&#xff08;2)每一个结果发生的可能性大小相同. 2、在古典概型的假设下&#xff0c;设事件A包含样本空间S中的k个基本事件为,即(基本事件只含一个样本点),则 , 即古…

5. 等可能概型(古典概型)

文章目录 等可能概型(古典概型) 等可能概型(古典概型) 定义&#xff1a;若实验满足&#xff1a; 样本空间 S 种样本点有限&#xff08;有限性&#xff09;出现每一个样本点的概率相等&#xff08;等可能性&#xff09; 称这种试验为等可能概型&#xff08;或古典概型&#x…

古典概型、条件概率

文章目录 1 概率1.1 定义1.2 性质 2 古典概型2.1 定义2.2 计算公式 3 条件概率3.1 定义3.2 性质3.3 乘法定理 1 概率 1.1 定义 定义 (概率的公理化定义)&#xff1a;设 E E E 是随机试验&#xff0c;其样本空间 S S S &#xff0c;对于 E E E 的每一事件 A A A 赋于一个实…

概率笔记2——古典概型

上一章中通过几个示例对概率进行了初步介绍&#xff0c;从本章开始&#xff0c;将系统地介绍概率的相关知识。 基本概念 概率研究的是随机现象背后的客观规律——我们对随机没有兴趣&#xff0c;感兴趣的是通过大量随机试验总结出的数学模型。 随机试验 顾名思义&#xff0c;这…

概率统计·概率论的基本概念【古典概型、几何概型】

注意划线部分的这种表示方式 古典概型&#xff08;等可能概型&#xff09; 乘法原理 基本模型 箱中摸球 分组分配&#xff08;分球入箱&#xff09; 先给特殊元素分配 # —— 事件个数 以上题的思路如下&#xff1a; 例题 抽签模型 因为不知道前面人的结果&#xff0c;所以…