一阶低通滤波器的传递函数分析

article/2025/10/12 2:17:46

一、无源一阶低通滤波器分析

由图可以知道,输入信号为Vi,输出函数为Vo, 电阻R的阻抗为R,C电容C阻抗为1/jwC,Vo实际上是Vi在电容C上的分压,则有:

则有:

将jwS变换得到:

再令Vo/Vin 表示为s的函数:

我们可以看到RC为常数,因此可以先上下同除RC,再用字母代换,有:

这就是无源一阶低通滤波系统的传递函数,Wo为特征角频率。

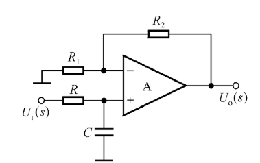
二、有源一阶低通滤波器分析

有源低通滤波器传递函数需要考虑到放大器增益AF,如下:

补充:理解截止频率(3db是怎么来的)?

首先,让我们将标准的s域传递函数转换为等效的jω传递函数。

令Wo=截止频率:

取模:

这里的K是增益,幅度为1V的极低频输入信号将会放大为幅度为KV的输出信号。 如果输入频率增加到每秒Wo弧度,输出幅度将为K/√2。 K/√2对应于-3 dB,截止频率的另一个名称便是-3 dB频率。

参考文献:

低通滤波电路传递函数怎么求

一阶滤波函数-传递函数

了解低通滤波器传递函数


http://chatgpt.dhexx.cn/article/hFtcmiJB.shtml

相关文章

数字 一阶低通滤波器 详细分析 冰三点水

数字 一阶低通滤波器 详细分析 作者:冰三点水 原创内容,转帖请注明出处: http://blog.csdn.net/u013608300/article/details/78814693 微信公众号:工程师看海 事件的起因是下图1,朋友偶然说到一阶低通滤波器&#x…

一阶低通滤波器的数字实现

关于一阶低通滤波器这里就不再赘述了,讲的帖子也挺多,这里记录一下一阶低通滤波器的传递函数与数字实现之间的系数转换。 一阶低通滤波器的传递函数常见为: 其中Tf为RC,并且有: 其中fwres为截止频率。 常用的数字滤波…

了解一阶低通滤波器传递函数

自动控制原理的内容很高深要逐步地学习 一阶RC滤波器的算法实现(低通和高通) https://blog.csdn.net/qq_27158179/article/details/82661297 了解一阶低通滤波器传递函数 https://blog.csdn.net/qq_27334499/article/details/52186336 最近&#xf…

一阶低通滤波器在stm32中的简单应用

首先来看一个最简单的一阶低通滤波器的电路模型: 不难推出它的传递函数: Tf与滤波器截止频率有关,但是实际程序中会变成一个参数,此时我们可以忽略它。 然而!我们的stm32接收到的信号是一串序列(离散信号&a…

数字一阶低通滤波器simulink仿真

数字一阶低通滤波器simulink仿真 原理程序所用公式滤波系数计算方法 仿真根据公式搭建使用simulink自带模型 原理 程序所用公式 y(n) q*x(n) (1-q)*y(n-1) 其中,y(n)表示当前的输出,x(n)表示当前的输入,y(n-1)表示上一次的输出&#xff0…

滞后一秒钟的一阶低通滤波器

用于应对输入跳变到5.5V,让电源工作1s钟然后停机。

matlab中的低通freqs,matlab数字低通滤波器 MATLAB一阶低通滤波器的设计

matlab数字低通滤波器 MATLAB一阶低通滤波器的设计 截止频率50Hz,设计MATLAB低通滤波器的程序及注释,谢谢 %滤波前数据t = 0:0.01:10;f=5*sin(2*pi*20*t)+5*sin(2*pi*60*t);%滤波器设计Fpass = 1; % Passband FrequencyFstop = 50; % Stopband FrequencyApass = 1;% Passban…

一阶低通滤波器与高通滤波器的使用

文章目录 1. 一阶低通滤波器2. 一阶高通滤波器3. 互补滤波器4. Simulink仿真 1. 一阶低通滤波器 其传递函数为: Y U 1 1 R C ⋅ S \frac{Y}{U}\frac{1}{1R C \cdot S} UY​1RC⋅S1​ 其中,滤波器截止频率为 ω c 1 R C \omega_c\frac{1}{R C} ωc​RC…

数字一阶低通滤波器立体解析

一阶惯性环节 一个独立储能元件和一个耗能元件的组合,就可以构成一个惯性环节。 下图就是一个常见的电路,一阶滤波电路,也可以叫一阶惯性环节,为什么叫一阶惯性环节呢? 是因为当输入信号发生突变的时候,输…

一阶低通滤波器方程_一阶有源低通滤波电路与最经典一阶低通滤波器电路图

信号通常会参杂很多干扰信号,滤波是信号处理中的一个重要前提步骤,滤波电路又称为滤波器,它的作用是尽可能减小脉动的直流电压中的交流成分,保留其直流成分,使输出电压纹波系数降低,波形变得比较平滑。换句…

一阶惯性低通滤波器

目录 1.引言 2.时域 3.频域 4.传递函数和波特图 5.数字化的实现 1.引言 一阶惯性滤波,常见的是RC电路,属于低通滤波器,加运算放大器就构成了有源低通滤波器。 可大于截止频率的信号衰减,低于截止频率的通过。主要是用来滤除…

一阶低通滤波器学习

导读:电压型磁链观测器由于物理概念清晰、简单易用而备受关注。然而电压型磁链观测器包含一纯积分项,被积项的初始相位与直流偏置都会影响积分结果。所以对传统电压型磁链观测器的改进措施有很多,本期文章主要介绍采用一阶低通滤波器来替换掉…

一阶数字低通滤波器-C语言/matlab实现

一阶低通滤波适用于较大惯性的系统,如水位,温度,低速电机等 这里先介绍一下一阶RC低通滤波器,因为一阶数字低通滤波器原理来自于这个 1.一阶硬件低通滤波器 原理:RC组成简单的一阶低通滤波电路 计算:电路…

几种常见的RC滤波器-RC低通滤波器

模型及详细使用地址:RC低通滤波器 低通滤波器 图中输入电压为Vi,输出电压为Vo,假设输出阻抗很大,不带负载,输入阻抗很小,理想情况,可以得到一下公式: 进行拉氏变换,假设…

一阶RC低通滤波器(转)

原 【滤波器学习笔记】一阶RC低通滤波 2016年08月11日 20:38:40 吖勉 阅读数&#xff1a;101584 <span class"tags-box artic-tag-box"><span class"label">标签&#xff1a;</span><a data-track-click"{&quot;mod&quo…

四阶RC低通滤波器推导及matlab仿真

四阶RC低通滤波器推导及matlab仿真 RC电路原理推导四阶RC低通滤波电路matlab仿真 RC电路原理推导 因为最近有做一些RC滤波电路的东西&#xff0c;算是将电路知识复习了下&#xff0c;也算是做一些整理&#xff0c;并且将推倒的结果在matlab上进行仿真实验&#xff0c;以验证其…

c语言rc,RC低通滤波器中R和C参数选择

描述 滤波器,顾名思义,是对波进行过滤的器件。“波”是一个非常广泛的物理概念,在电子技术领域,“波”被狭义地局限于特指描述各种物理量的取值随时间起伏变化的过程。该过程通过各类传感器的作用,被转换为电压或电流的时间函数,称之为各种物理量的时间波形,或者称之为信…

RC有源滤波器之低通滤波器(一)

记录一下&#xff0c;方便以后翻阅~ 其他类型滤波器&#xff1a; RC有源高通滤波器RC有源带阻滤波器RC有源带通滤波器 过去的滤波器都是由R、L、C等无源元件组成&#xff0c;称为无源滤波器。现在的滤波器大都是由R、C元件与有源器件&#xff08;如运算放大器&#xff09;组…

一阶电路误差分析_电子电路中的一阶RC低通滤波器

关于一阶滤波器的种种有很多资料可查,像截止频率啊,相移啊什么的,这些在这里就不再重复了。本文主要阐述一下阿呆在学习过程中曾被困扰的地方,及本人的简要分析。 本文从无源RC低通滤波器说起,以一个实例为讨论背景:有一个心电放大电路,最后一级输出阻抗50欧姆,但是该电…