关于电路中输入阻抗和输出阻抗大小的讨论

article/2025/10/23 8:32:26

前言

  • 很多同学搞不清楚为什么说输入、输出阻抗大小是大好还是小好,在这里我要简单概述一下。
  • 对于输入阻抗来说,输入阻抗越大越好,因为这样落到放大器上的电压就越大,更接近信号源电压(信号源内阻索取的就越小)
  • 对于输出阻抗来说,输出阻抗越小越好,因为这样放大电路自身分得的电压就会很小,加载在后级电路的电压就越多。假设输出电压不变,可以得到很大的电流,驱动负载工作。

输入阻抗大小的定量计算

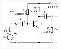
如图所示为阻容耦合共射放大电路,取β = 100,rbe = 1k
在这里插入图片描述
其交流等效变换模型为
在这里插入图片描述
则有,电路放大倍数和对于信号源的放大倍数如下
在这里插入图片描述

  • 对于信号源的放大倍数Aus计算公式中,不难发现放大电路输入端的电压Ui和信号源Us之间的比例关系,当输入电阻Ri越大,则输入阻抗越大、Ui/Us的比值越大,说明放大电路输出端Ui从信号源Us索取的电压就越大(信号源加载在输入端Ui的电压越大),电路性能也就越好,因此,输入阻抗越大越好
  • 对于输出阻抗的定量计算与输入阻抗的定量计算类似,换一个角度来看,可以Us中的Rs看成某一放大电路的输出电阻,当Rs越小,则输出阻抗越小,放大电路自身分得的电压就会很小,电压加载在后级电路就越多,因此,输出阻抗越小越好

http://chatgpt.dhexx.cn/article/1RNn4PFi.shtml

相关文章

阻抗匹配的简单理解

阿尔伯特爱因斯坦声称:“科学的大多数基本思想本质上都很简单,并且通常可以用每个人都能理解的语言来表达。” 我不确定 21 世纪的物理学是否仍然如此(试着找一个能简单解释超弦理论的人)。尽管如此,这也是我对本专栏的…

如何用示波器测量输出阻抗

本文介绍了测量函数信号发生器、放大器或其他电路的输出阻抗的方法。这种方法适用于频率较低的场景,并不适应于所有的电路类型。本实验中用低频(1k Hz)的正弦波测量。 本文以汉泰的 DSO8060 为例,测量其输出阻抗,该示波器带有信号…

什么是阻抗?影响阻抗的因素有哪些?

问 什么是阻抗? 答 在具有电阻、电感和电容的电路里,对电路中的电流所起的阻碍作用叫做阻抗。 问 什么是阻抗匹配? 答 阻抗匹配是指信号源或者传输线跟负载之间达到一种适合的搭配。阻抗匹配主要有两点作用,调整负载功率和…

为什么阻抗匹配是输入阻抗与输出阻抗相等?

要说明什么是阻抗匹配,首先要知道有这么两个概念:输入阻抗和输出阻抗,那么什么是输入阻抗和输出阻抗呢? 输入阻抗Zin是由电阻或设备输入端看进去的阻抗。 而输出阻抗Zout是由设备输出端看过去的阻抗。任意电阻或设备的输出可以等…

输入阻抗-输出阻抗-阻抗匹配原理详解

本文转载来源:阻抗匹配是什么意思_阻抗匹配原理详解-电子发烧友网 (elecfans.com) 本文主要详解什么是阻抗匹配,首先介绍了输入及输出阻抗是什么,其次介绍了阻抗匹配的原理,最后阐述了阻抗匹配的应用领域。 一、输入阻抗 输入阻抗…

什么是阻抗?

目录 1、电阻和阻抗 2、电容和阻抗 3、电感和阻抗 在电子产品设计时,经常听到工程师说:阻抗多少?阻抗匹配吗? 那么什么是阻抗? 在一般状态下,导体多少都存有阻止电流流动的作用,其阻止程度…

二端口输入阻抗和输出阻抗

1、输入阻抗和输出阻抗定义: 实际中用的基本都是二端口网络,以二端口电路说明。(还有二端口的其他参数:Y参数、Z参数、T参数、H参数,请参考《电路》。) 二端口输入阻抗和输出阻抗定义参考链接&#xff1a…

阻抗、输入阻抗、特性阻抗……傻傻分不清楚

有时候,发现对各种阻抗傻傻分不清楚,“好记性不如烂笔头”,那就把它们一个个写下来。 01.阻抗 具有电阻、电感和电容的电路,对电路中的电流所起的阻碍作用叫做阻抗。阻抗又称为交流(AC)电阻,它…

深入浅出理解输入输出阻抗-音频电路输入输出阻抗

输入阻抗,输出阻抗,这两个参数似乎没那么重要,但事实并非如此。下面说下我的看法吧。 一个问题 音频中的耦合电容从0.1uF-220uF都有,这是有病吗?都是用作隔离直流的,怎么就不能统一呢? 明白…

输入阻抗如何测量?

原文来自微信公众号【小小的电子之路】 输入阻抗是指从电路的输入端看进去所得到的等效阻抗,它可以反映电路从信号源获取电压或者电流的能力。 1、输入阻抗 假设一个电路的输入阻抗为Zin,该电路采用电压源供电,实际电压源总存在内阻Zs&…

输入阻抗,输出阻抗

输入输出阻抗,是怎么玩的?你会不? 很多同学还搞不清楚输入阻抗和输出阻抗这两个参数,我就截取一段来给大家看看。 输入阻抗,输出阻抗,这两个参数似乎没那么重要,但事实并非如此。 我们经常会看…

浅谈输入阻抗、输出阻抗和阻抗匹配

一、关于阻抗的基本概念 首先说说电阻(Resistance),在电路中对电流通过具有阻碍作用,并且造成能量消耗的部分,称为电阻。电阻常用R表示,单位欧姆(Ω),导体电阻值由导体的材料、横截面…

输入阻抗和输出阻抗概念

一、输入阻抗 输入阻抗是指一个电路输入端的等效阻抗。在输入端上加上一个电压源U,测量输入端的电流I,则输入阻抗Rin就是U/I。你可以把输入端想象成一个电阻的两端,这个电阻的阻值,就是输入阻抗。 输入阻抗跟一个普通的电抗元件没什么两样&a…

输入电阻、输出电阻、特性阻抗、阻抗匹配

一、输入阻抗和输出阻抗 1.输入阻抗 输入阻抗(input impedance)是指一个电路输入端的等效阻抗。在输入端上加上一个电压源U,测量输入端的电流I,则输入阻抗Rin就是U/I。你可以把输入端想象成一个电阻的两端,这个电阻的阻值&#…

IC基础知识3-输入阻抗和输出阻抗

目录 1. 计算方法2. 计算举例 1. 计算方法 输入阻抗:通过在输入端加上一个电压源U,测试输入端的电流I,则输入阻抗RinU/I。输入阻抗越大越好,电阻越大,可以得到的分压越大,驱动能力越强。输入阻抗越大&…

电路中的输入输出阻抗以及阻抗匹配

## 输入输出阻抗和阻抗匹配 输入输出阻抗和阻抗匹配 输入输出阻抗和阻抗匹配 输入输出阻抗定义一、电压驱动电路二、电流驱动电路三、总结参考资料 输入输出阻抗和阻抗匹配 输入输出阻抗定义 输入阻抗:是指一个电路输入端的等效阻抗。在输入端上加上一个电压源U&am…

ReactiveX -Rx

转载:https://www.open-open.com/lib/view/open1440166491833.html ReactiveX是Reactive Extensions的缩写,一般简写为Rx,最初是LINQ的一个扩展,由微软的架构师Erik Meijer领导的团队开发,在2012年11月开源&#xff0c…

Java中ReactiveX(RxJava)的使用

1.1 ReactiveX概述 ReactiveX官网:ReactiveX 1.1.1 Android的MVP开发模式 MVP的工作流程 Presenter负责逻辑的处理Model提供数据View负责显示 作为一种新的模式,在MVP中View并不直接使用Model,它们之间的通信是通过Presenter来进行的&am…

ReactiveX-Observable

Observable (此篇文章翻译自ReactiveX的官方文档) 在ReactiveX中,Observer(观察者)订阅了一个Observable(观察对象)。那么这个观察者会对观察对象发生的任何单一的变化,或者是一连串的变化做出…

ReactiveX 简介

Observable 在ReactiveX中,观察者订阅了一个Observable。然后,该观察者对Observable发出的任何项目或项目序列做出反应。 这种模式有利于并发操作,因为它不需要在等待Observable发出对象时阻塞,而是以观察者的形式创建一个哨兵&…