quartus仿真31:74161的级联

article/2025/10/8 11:22:23
  • 74LS161是模16(四位二进制)同步集成计数器,异步清零
  • 一张功能表时刻准备查询

在这里插入图片描述

  • 异步级联方法:将前一计数器的输出作为后一级计数器的时钟信号
    • 两片161所需要的时钟不同称为异步
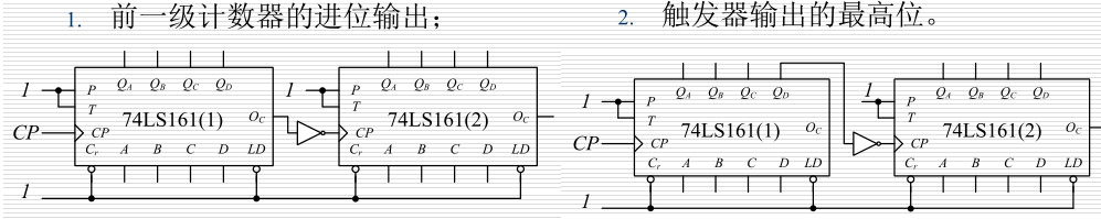
    • 前一级计数器的进位输出
    • 触发器输出的高位
    • 为何需要加反相器——74161时钟上升沿触发 ,进位输出一个高电平,采用由低变高的边沿输出到时钟不稳定。加了一个反相器相当于下降沿触发,等电平经过一段时间稳定后触发时钟。还有一个原因是用上升沿触发将导致下一级161提前一个时钟周期计数,下降沿触发时等15完全输出后再计数。
      在这里插入图片描述
  • 通过仿真分析,可以看到假设是美好的。当出现毛刺时,瞬时下降沿同样会造成下一级的161的状态翻转而造成计数错误
    在这里插入图片描述
  • 解决办法是加一个D触发器过滤掉毛刺,可以看出此时计数规律,第一个计数器计到15时第二个计数器开始输出1。

在这里插入图片描述

  • 仿真小技巧:第一个计数器输出用一个总线命名,第二个计数器输出用一个总线命名,再把属性设置为无符号十进制,就方便查看计数到几输出

  • 第二种情况是利用最高位QD输出从1111->0000时下降沿,加反相器输入进时钟。这种未加D触发器,波形看起来比第一种干净
    在这里插入图片描述

  • 同步级联一般方法:将前一计数器的输出作为后一级计数器的使能信号,
    所有计数器使用相同的时钟信号。

    • T端串行级联:各片T端与相邻低位片的OC相连;
    • PT端双重控制

在这里插入图片描述

  • 只有当OC输出为1时下一级161才可以计数。当第一级OC为0时,第二级161输入T为0,保持当前数值直到上一级OC输出1。当第二级161计到15时,OC2输出一个高电平驱动第三片161工作。

在这里插入图片描述

  • 第二种方式速度计数较快

在这里插入图片描述


http://chatgpt.dhexx.cn/article/vmQgpPkS.shtml

相关文章

【数电】74161的同步与异步级联

首先先提一下上一篇 7474触发器 异步三进制加法计数器,在最后我写到一个小经验:如果用的是时钟的上升沿触发,异步连接时都是上级的Q反接下一级的时钟 后面我在复习数电考试的时候才发现原来老师之前就给做过笔记,如下&#xff1a…

quartus仿真9:74161基本功能

对应西电数电慕课从14讲集成计数器到15讲分频器 同步级联与异步级联 同步级联RCO1和P2T2相连,当Q3Q2Q1Q01111时RCO11则Q41异步级联RCO1’CLK2,毛刺应该造成了影响 不接反相器出现如下情况 异步清零法 模9状态需要一个暂态1001使得清零信号为0&#…

74161

第二篇,74161计数器。2018.3.24 今天天气不错。。。 和74138步骤完全一样,只不过换了一个。 如图 上网找了关于74161的引脚设置,如图: 由于没有学习过计数器,对其中的只是不特别了解。 接下来就是仿真,…

四位十进制计数器verilog_同步集成电路计数器 || 74161 74163 74160 || 同步级联 异步级联 || 数电...

同步集成电路计数器 || 74161 74163 74160 || 同步级联 异步级联 || 数电 TTL器件和CMOS器件的工作电压和输入输出接口参数会有差别。 上面图中,各式76161虽然型号不同,但是逻辑功能都是相同的,后面统称74161。 1. 4位同步二进制计数器74161 74161的功能有4个: 异步清零同步…

74161计数器设计十二和二十进制计数器

首先了解74161计数器,电路结构图如下: 四位同步二进制计数器74161的功能表为: ABCD作为输入端,QA,QB,QC,QD作为输出端。 下面是12进制的计数器的设计,相对于74161来说,只需要一位电路结构就可以了&#x…

Android--onKeyDown方法

在Android开发过程中,经常要对部分手机按键进行自定义的处理,我们可以通过重写Activity的方法onKeyDown()来实现,我们根据对不同的键的处理可以增强用户体验。 private long mExitTime;//保存上次点击back键的系统时间Override public boole…

JS键盘事件—onkeydown,onkeyup

键盘事件 onkeydown 按键被按下 对于某个按键一直按着不放,则事件会一直触发 当onkeydown连续触发式,第一次和第二次之间会有一个间隔时间,其他之后会非常的快 这种设计是为了防止我们误操作 onkeyup 按键被松开 键盘事件一般都会绑定给一…

JS中的键盘事件(onkeydown、onkeyup、keyCode)

键盘事件: okeydown:键盘被按下,如果一直按着键盘的按键,则okeydown事件会一直被触发。 - 当键盘按键一直被按住的时候,事件被连续触发,第一次和第二次以及后面的n次之间,触发的时间间隔会稍长,…

Android 中onKeyDown()方法使用详解

博主前些天发现了一个巨牛的人工智能学习网站,通俗易懂,风趣幽默,忍不住也分享一下给大家, 👉点击跳转到网站 onKeyDown():监听手机屏幕上的按键 比如我们经常退出某款程序时,按back键后,会提示…

onKeyDown方法笔记

onKeyDown()⽅法详解 onKeyDown()⽅法详解 当Android设备上的物理按键被按下的时候,程序会回调onKeyDown()⽅法,该⽅法是接⼝KeyEvent.Callback中的抽象⽅法。 Android程序中所有的V…

贝叶斯模型的理解(1)

一直以来,都在听说贝叶斯概率模型,这里记录一下自己对贝叶斯概率模型的一些理解。 贝叶斯模型的建立主要有3个概念:1.先验概率。2.最大似然函数。3.后验概率 这3个概念怎么建立联系呢,以投硬币这个简单的例子来理解最好。 例子…

贝叶斯估计原理及流程

知乎上有个专题叫:你对贝叶斯统计有怎样的理解?本篇尽量通俗点理解下贝叶斯统计~_~ 还是沿用经典案例: 一种癌症,得了这个癌症的人被检测出为阳性的几率为90%,未得这种癌症的人被检测出阴性的几率为90%,而人…

极大似然估计和贝叶斯估计

转载于http://blog.sciencenet.cn/blog-520608-703219.html 极大似然估计和贝叶斯估计分别代表了频率派和贝叶斯派的观点。频率派认为,参数是客观存在的,只是未知而矣。因此,频率派最关心极大似然函数,只要参数求出来了&#xff0…

贝叶斯方法的m-估计

为什么要有m-估计? 当我们通过在全部事件的基础上观察某事件出现的比例来估计概率时,例如:Pnc/n.,其中nc为该类别中的样本数量,n为总样本数量。若n5,当P0.6时,则nc为3。多数情况下该比例是对概率…

参数估计—最大似然估计与贝叶斯估计

文章目录 一 参数估计二 最大似然估计2.1 参数分量2.2 基本原理2.3 高斯情况2.3.1 协方差矩阵 Σ \Sigma Σ已知,而均值 μ \mu μ未知2.3.2 协方差矩阵 Σ \Sigma Σ和均值 μ \mu μ都未知 三 贝叶斯估计3.1 基本原理3.2 高斯情况下的贝叶斯估计3.2.1 单变量情况第…

朴素贝叶斯算法与贝叶斯估计

在看贝叶斯算法的相关内容时,你一定被突如其来的数学概念搞得头昏脑涨。比如极大似然估计(Maximum likelihood estimation ),极大后验概率估计(Maximum a posteriori estimation),先验概率(Prior probability),后验概率(Posterior…

几个贝叶斯估计的例题

几个贝叶斯估计的例题 以下例题来自《机器学习导论》,书中证明不是很全也没有推导过程,所以我补全了解答。 贝叶斯估计 Dirichlet分布 已知方差的正态分布 正态分布 此时不再是共轭后验先验分布了,会得到一个t分布,由于涉及的特殊…

贝叶斯估计实验(matlab)

1、实验内容 由于生活中很多参数如测量误差、产品质量指标等几乎都服从或近似服从正态分布,所以可以用对单变量正态分布中的贝叶斯估计进行分析并编写相应的Matlab程序,分析样本大小对贝叶斯估计误差的影响,进而验证贝叶斯估计的有效性。 2…

参数估计:贝叶斯思想和贝叶斯参数估计

http://blog.csdn.net/pipisorry/article/details/51471222 贝叶斯与频率派思想 频率派思想 长久以来,人们对一件事情发生或不发生,只有固定的0和1,即要么发生,要么不发生,从来不会去考虑某件事情发生的概率有多大&a…

贝叶斯估计及其python实现

文章目录 1.贝叶斯估计的思想2.正态总体参数贝叶斯估计的推导3.代码实现3.1.抽取样本3.2.估计参数 4.总结参考文献 1.贝叶斯估计的思想 在统计学中有两大学派:频率学派和贝叶斯学派。针对参数估计的方法也分成两派。其中以极大似然估计为代表的频率学派和以贝叶斯估…