大学模电实验合集丨实验六 比例求和运算电路

article/2025/10/11 16:30:36

目录

一、实验目的

二、实验仪器

三、实验要求

五、根据实验报告回答下列问题


一、实验目的

1.掌握用集成运算放大电路组成比例、求和电路的特点及性能。

2.学会上述电路的测试和分析方法。

二、实验仪器

1.示波器 2.信号发生器 3.数字万用表

三、实验要求

在 MultiSIM 的环境下按照本次实验的内容和步骤搭建各电路, 测量表格当中要求的数据。

四、实验内容及步骤

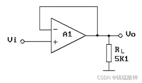
1.根据图1.1、图1.2、图1.3、图1.4所示的各种基本运算放大电路连接电路,依次进行实验。

图 1.1 电压跟随器


http://chatgpt.dhexx.cn/article/GKUxc82x.shtml

相关文章

【模拟电子技术Analog Electronics Technology 24】—— 信号的运算与处理(1):基本的运算电路分析

写在前面:在本篇博文中,我将分析几种常见的基本运算电路:比例运算电路,加减运算电路,微分和积分运算电路,指数和对数运算电路输入与输出的关系。但是,掌握单一的运算电路并不是我们的最终目的&a…

计算机系统基础(三)——运算电路基础

运算电路基础 数字逻辑电路基础运算电路基础数字逻辑电路基础 从C语言表达式到逻辑电路C语言支持的基本数据类型从C表达式到运算类指令从运算类指令到运算电路 C语言中各类运算算术运算按位运算逻辑运算移位运算截断和扩展运算 整数加减运算补码加减运算器无符号整数加法溢出判…

运算放大电路(比例运算电路)

0.反向比例运算电路 这是典型的并联反馈负反馈电路,输入电压U1通过电阻R作用于反向输入端,故输出电压与输入电压反向,同相输入端通过补偿电阻R接地,其值为U10时反相输入端的等效电阻,即各支路电阻的并联,因…

正弦运算电路

在很久之前,我在寻找一个能够进行正弦信号的电路。这个电路的意思不是说DDS正弦信号发生器。而是说,当输入一个信号x时,输出信号ysin⁡(x),也就是说,输入信号xπ/2 V时,输出y1V,输入信号xπV时&…

模电笔记 基本运算电路

理想运放 “虚断” 理想运放的输入电阻为无穷大,流入两个输入端的电流近似为0 “虚短” 条件:理想运放工作于线性区(存在负反馈) 虚短:两个输入端的电位近似相等,净输入电压近似为0 比例运算电路 反…

实验二十一、积分运算电路的输出波形分析

一、题目 利用 Multisim 分析图1所示两个积分运算电路的输出波形,输入电压为 200 Hz、幅值为 1 V 的方波信号。 图 1 图1\,\, 图1 二、仿真电路 在 Multism 中搭建图1所示的两个电路,如图2所示。为了防止电路中的直流增益过大,故在电容上…

【反向和同向比例运算电路】

反向和同向比例运算电路 1.1 反相比例电路 1. 基本电路 电压并联负反馈输入端虚短、虚断   特点:   反相端为虚地,所以共模输入可视为0,对运放共模抑制比要求低   输出电阻小,带负载能力强   要求放大倍数较大时&#x…

减法器运算电路公式推导

前言 本人是菜鸟,有错误欢迎斧正,近期在看仪表放大器,其第二级放大电路就是一个减法器,大学教的我也忘的差不多了,于是开始网上冲浪,可是网上都是根据具体电路分析,或者分析的跳跃度很大&#…

数字电路基础(五)算术运算电路

数字电路基础(五)算术运算电路 一、二进制加法电路 1.半加器和全加器 (1)半加器 半加器是一个只考虑两个一位二进制数相加,而不考虑低位进位的运算电路。如下图所示是半加器的逻辑图: A A A和 B B B端…

积分运算电路的设计方法详细介绍

本文为大家介绍积分运算电路的设计。 积分运算电路的特性分析 下图为以集成运算放大器为核心元件的基本反相积分运算电路,输入电压uI经电阻R加至运算放大器的反相输入端,C为反馈电容,引入电压并联负反馈,R‘为平衡电阻&#xff…

积分和微分运算电路

目录 前言一、积分运算电路1.一般的积分运算电路2.稳定的积分运算电路 二、微分运算电路1.一般的微分运算电路2.稳定的微分运算电路 结语 前言 本文将分析积分运算电路和微分运算电路,运算电路基于通用型集成运放。文章从输入电阻、放大倍数、对称性、功能性、稳定…

【Multisim仿真】运放电路:反相比例运算电路

【Multisim仿真】运放电路:反相比例运算电路 相关内容《【Proteus仿真】集成运算放大器搭建以及基本功能电路》Multisim仿真演示 示波器设置 双击示波器图标,调节X轴扫描为500S/Di或1ms/DIV,A通道幅度为10mV/Div;B通道幅100mV/Div…

积分运算电路分析

上图为积分运算电路。根据“虚短”和“虚断”特性,有UNUP0、iNiP0,因此可知,流过电容C的电流等于流过电阻R1的电流,即 输出电压为 式中表明输出电压与输入电压的积分成正比,负号表示电路实现反相功能,故称…

【加减运算电路】

加减运算电路 1. 反相求和电路 虚短、虚断 特点:调节某一路信号的输入电阻不影响其他路输入与输出的比例关系 2. 同相求和电路 虚短、虚断    2.2 单运放和差电路 2.3 双运放和差电路 例1:设计一加减运算电路 设计一加减运算电路,使 Vo2Vi15Vi2-…

反向比例运算电路

1.经典反向比例运算电路 平衡电阻分析: 定义偏置电流IB,同相输入端Ib;反向输入端Ib-; 假设不存在R2 设输入电压为0,放大倍数为A;根据LCL; ((0-V-)/R1 - (-V-*A-V)/R…

反相比例运算电路

反相比例运算电路中,输入信号Ui通过电阻接到反相输入端,输出信号Uo通过一个反馈电阻Rf接到反相输入端。同相输入端通过电阻接地。 即反相比例运算电路中的“反相”是指 当输入为正时,输出为负。 电路中引入了负反馈,所以存在虚短…

比例运算电路

目录 前言一、反相比例运算电路1.一般反相比例运算电路2.T形反馈网络反相比例运算电路 二、同相比例运算电路1.一般同相比例运算电路2.分压同相比例运算电路3.电压跟随器 结语 前言 本文将分析同相比例运算电路和反相比例运算电路,运算电路基于通用型集成运放。本文…

3. 运算电路基础

3.1 数字逻辑电路基础 1. 布尔代数 0和1分别代表逻辑值“假”和“真”最基本的逻辑运算有: 与(AND)或(OR)非(NOT)“ • ” ( “ ∧” )“ ” ( “ ∨ ” )“ ” ( “ ﹁ ” ) 任何一种逻辑…

常见的运算电路

目录 1. 求差电路2. 求和电路3. 积分电路4. 微分电路 1. 求差电路 输出电压 v o ( 1 R 4 R 1 ) ( R 3 / R 2 1 R 3 / R 2 ) v i 2 − R 4 R 1 v i 1 v_o (1\frac{R_4}{R_1})(\frac{R_3/R_2}{1R_3/R_2})v_{i2} - \frac{R_4}{R_1}v_{i1} vo​(1R1​R4​​)(1R3​/R2​R3​/R…

运算电路的基本定义和运算电路经典基本电路图

运算电路 集成运放是一个已经装配好的高增益直接耦合放大器,加接反馈网络以后,就组成了运算电路特点 运算电路的输入输出关系,仅仅决定于反馈网络;因此只要选取适当的反馈网络,就可以实现所需要的运算功能,…