常见的运算电路

article/2025/10/11 20:43:48

目录

  • 1. 求差电路
  • 2. 求和电路
  • 3. 积分电路
  • 4. 微分电路

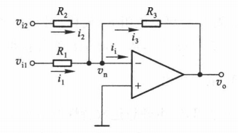
1. 求差电路

在这里插入图片描述

  • 输出电压
    v o = ( 1 + R 4 R 1 ) ( R 3 / R 2 1 + R 3 / R 2 ) v i 2 − R 4 R 1 v i 1 v_o = (1+\frac{R_4}{R_1})(\frac{R_3/R_2}{1+R_3/R_2})v_{i2} - \frac{R_4}{R_1}v_{i1} vo=(1+R1R4)(1+R3/R2R3/R2)vi2R1R4vi1
    选取合适的电阻,使 R 4 R 1 = R 3 R 2 \frac{R_4}{R_1} = \frac{R_3}{R_2} R1R4=R2R3,则有
    v o = R 4 R 1 ( v i 2 − v i 1 ) v_o = \frac{R_4}{R_1}(v_{i2} - v_{i1}) vo=R1R4(vi2vi1)

  • 输入电阻
    R i = R 1 + R 2 R_i = R_1 + R_2 Ri=R1+R2

  • 共模抑制比
    K C M R → ∞ K_{CMR} \to \infty KCMR

2. 求和电路

  1. 电路图
    在这里插入图片描述
  2. 输出电压
    v o = − R 3 ( v i 1 R 1 + v i 2 R 2 ) v_o = -R_3(\frac{v_{i1}}{R_1} + \frac{v_{i2}}{R_2}) vo=R3(R1vi1+R2vi2)
    R 1 = R 2 = R 3 R_1 = R_2 = R_3 R1=R2=R3
    v 0 = − ( v i 1 + v i 2 ) v_0 = -(v_{i1} + v_{i2}) v0=(vi1+vi2)

3. 积分电路

在这里插入图片描述

v o = − 1 R C ∫ v I d t v_o = - \frac{1}{RC}\int v_Idt vo=RC1vIdt

4. 微分电路

在这里插入图片描述
v o = − R C d v I d t v_o = -RC\frac{dv_I}{dt} vo=RCdtdvI


http://chatgpt.dhexx.cn/article/n3fg3xJM.shtml

相关文章

运算电路的基本定义和运算电路经典基本电路图

运算电路 集成运放是一个已经装配好的高增益直接耦合放大器,加接反馈网络以后,就组成了运算电路特点 运算电路的输入输出关系,仅仅决定于反馈网络;因此只要选取适当的反馈网络,就可以实现所需要的运算功能,…

UCI数据集介绍(论文常用数据集)

UCI数据集作为一个标准测试数据集经常被用来训练机器学习的模型,广泛出现在机器学习的论文中,为了方便大家使用,本人对一些常用的数据集进行了整理。 1.UCI数据集介绍 UCI数据集网址如下 http://archive.ics.uci.edu/ml/index.php 例如点开…

使用Python以UCI心脏病数据集为例,进行数据简单分析

本文章包含以下内容: 以UCI心脏病数据集为例,进行数据简单分析: 求心脏病患者年龄的平均值、中位数和众数,从结果里分析年龄与心脏病的关系;胆固醇正常值是0-200mg/dL,区分胆固醇不合格和不合格人员&#…

UCI——心脏病数据集分析报告

文章目录 1 前期准备1.1 安装数据分析可视化第三方工具包1.2 安装辅助工具包1.3 安装机器学习第三方工具包1.4 安装机器学习可解释性第三方工具包 2 对于数据集进行导入、查看及简单分析2.1 代码及注释2.2 简单分析属性的相关系数关系 写在前面:研一的机器学习课程需…

UCI数据集中文介绍:Waveform Database Generator (Version 1) Data Set

看论文用到了该数据集,没找到中文描述,且官网上描述非常简洁。所以查阅了原版书,将该数据集的介绍整理如下。 实验数据集:波形数据集(下载网址:UCI Machine Learning Repository: Waveform Database Generator (Versi…

机器学习——Azure机器学习模型在线搭建实验原理+详细操作步骤+分析(以UCI数据库的数据为例)

Azure机器学习模型搭建实验 本文数据及文档地址:https://github.com/w1449550206/Azure-machine-learning-model-building-experiment.git 文章目录 Azure机器学习模型搭建实验机器学习工作流程总结登录方法Azure平台简介Azure机器学习实验详细操作步骤 Azure机器…

卜若的代码笔记-机器学习基础-UCI数据库简介与Iris数据集分析

1.机器学习和深度学习有些许差别 深度学习属于机器学习的子类,更加瞄准于CNN,RNN等网络,本课程主要针对于机器学习的扫盲 1.1 UCI官网 如果你是一个正在研究机器学习的菜鸟,或者感兴趣的guys,那么,你一定…

UCI数据库

UCI数据库是加州大学欧文分校(University of CaliforniaIrvine)提出的用于机器学习的数据库,这个数据库目前共有335个数据集,其数目还在不断增加,UCI数据集是一个常用的标准测试数据集。 UCI数据可以使用Matlab的dlmread(或textr…

UCI数据集详解及其数据处理(附148个数据集及处理代码)

摘要:本文对机器学习中的UCI数据集进行介绍,带你从UCI数据集官网出发一步步深入认识数据集,并就下载的原始数据详细讲解了不同类型的数据集整理如何通过程序进行整理。为了方便使用,博文中附上了包括数据集整理及数据预处理在内的…

【20211208】【Python】UCI数据集的简单介绍和使用Python保存UCI数据集为.mat文件

一、UCI 数据集介绍 进行机器学习学习过程中,会使用到 UCI 公开数据集,UCI 数据集网址:UCI Machine Learning Repository。 点击进入之后,页面显示如下: 以 iris 数据集为例,点击进入: 该页面展…

UCI数据集整理(附论文常用数据集)

摘要:UCI数据集作为标准测试数据集经常出现在许多机器学习的论文中,为了更方便使用这些数据集有必要对其进行整理,这里整理了论文中经常出现的数据集,并详细介绍如何使用MATLAB将数据集文件整理成自己需要的格式以及如何使用数据集…

【Android系统源码修改】修改系统默认定位方式

gps 移动网络位置信息 gps 修改为 gps,network 或者 network 或者 是否支持gps \frameworks\base\services\core\java\com\android\server\location\GpsLocationProvider.java ro.wisky.gpssupport 此值设为 false 时不支持,则系统中一些有关 gps 的设置将会被屏蔽…

android 修改 dpi_设计规范 | Android系统

一、基础概念 1.1 屏幕尺寸 屏幕尺寸指的是手机屏幕的物理尺寸,一般用屏幕对角线长度表示,以英寸(inch)为单位。如,小米M4尺寸为5英寸。 1.2 屏幕密度 由于Android属于开源系统,任何用户、开发者、运营商都可以对Android进行专属定制,因此导致国内安卓手机尺寸众多,然而设…

android注入 定位,[原创]修改源码实现全局(无需root)注入躲开注入检测

看这篇文章需要的技能 1.会编译android源码(如果你不愿意编译源码,还有另外一种办法,下面我会提供) 2.会使用substrate或者xposed 以上2个网上资料很多我就不啰嗦了 一、市面上目前的hook和注入工具 市面上目前的hook有substrate,xposed,或者一些开源的自己实现的hook和注入…

python修改app定位_APP自动化中三大定位工具

我们在做APP自动化的时候,定位是很重要的,就像做webUI自动化一样,但是个人觉得app定位比web要复杂点,毕竟app定位表达式写了之后并没有工具验证改表达式是唯一的,所以导致工作量很大 今天主要总结下我们做app自动化需要…

android位置模拟源码,android 模拟定位app 源码

【实例简介】需要在android手机的 开发者模式中 开启 【允许模拟位置】即可,开启允许模拟位置的方法详见: https://jingyan.baidu.com/article/870c6fc306f1f4b03ee4be7f.html 【实例截图】 【核心代码】 package com.xd.mockposition; import android.app.Activity; import …

android 修改imei源码,Android 修改imei、gps等信息分析

之前有朋友希望能修改Android的gps信息,也就是说让其他应用获取gps信息时,取到修改后的信息。一开始听上去感觉挺不靠谱的,后来网上查了下资料,发现还是有人搞定的,主要都是通过古河发布的注入代码,将自己的…

怎么修改android内存,安卓内存修改器怎么用?

安卓内存修改器怎么用?内存搜索是手游修改器普遍都具有的一项功能,也是目前最主流的游戏修改方式,安全、快速、效果显著,并且不会轻易被官方封号,GG助手除了拥有大内高手不断升级制作的插件外,也集成了一个标配的内存修改器。下面学习啦小编给大家分享下具体的方法,希望…

Android模拟地图gps定位

目录 1.判断权限2.开始定位(GPS位置)3.关闭位置4.实现效果 公司OA经常忘了打卡,想起来就到家了,这就很烦… 参考Android官方文档,学习使addTestProvider,setTestProviderLocation,实现简单指定经纬度GPS位置,要是忘了打卡,可不能用这个… 运行环境 设备:小米K30s 系统:Android1…

怎样修改安卓位置服务器,修改安卓定位服务器地址

修改安卓定位服务器地址 内容精选 换一换 安卓模拟器(Android Virtual Device),简称AVD,可以模拟安卓设备并将其运行在服务器上。利用AVD,您可以对安卓应用进行原型设计、开发和测试,而无需使用真实的手机。AVD具备运行安卓应用、adb连接、上网、屏幕、GPS定位、电池、及VN…