山东大学软件学院计算机组成原理课程设计实验三

article/2025/10/16 14:11:04

文章目录

    • 一、实验时间
    • 二、实验内容
      • 1. 实验目的
      • 2. 设计要求
      • 3. 实验基本思路
    • 三、电路图
      • 1. 可预置初值的模256异步计数器
      • 2. 8位ALU电路
      • 3. 总图
    • 四、补充

一、实验时间

第三次实验:2021年4月8日星期四,第六周
第一次部件级实验,开始算分

二、实验内容

微程序控制的运算器设计

1. 实验目的

(1)熟悉简单运算器的结构
(2)熟悉微命令的产生和时序
(3)熟悉运算器功能测试。

2. 设计要求

利用之前设计的具有超前进位功能的8位ALU,实现简单算术或逻辑运算
两操作数由八位寄存器R0、R1提供,其结果放入R2中。
具体何种操作可由微命令任意设定(物理运算由ALU电路完成)。
此外,还要求设计微程序控制器中的uPC

3. 实验基本思路

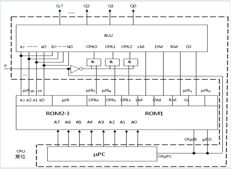
整个实验由两个部分构成,一是设计的微指令,二是运算器和程序计算器的电路

项目整体架构图
在这里插入图片描述

一、用户自己设计的微指令

(1)用户设计的微指令默认从0号单元写入(如果计数器没有预置初值功能)
如果计数器有预置初值的功能,就可以指定某一号单元写入

(2)微指令字长为24位,采用立即寻址方式获得参与运算的数

我自己设计的微指令格式如下

微指令:A0-A7,A8-A15,A16-A23
最高八位为立即数
A23-A16 ----> D0-D7
中间八位中的前6位分别控制ALU的运算方式和进位
A15-A10 ----> C0,M,S0,S1,S2,S3
A9-A8—>值为0
最后八位
A7:寄存器R0的脉冲
A6:寄存器R1的脉冲
A5:寄存器R2的脉冲
A4:LM(左移)实现乘2功能
A3:DM(直送)
A2:RM(右移)实现除2功能

(3)使用软件将对应的微指令写入指定的单元内存中

要求会使用相应的软件,并明确微指令的格式,编写的含义和具体的存放地址

二、运算器和程序计算器的电路

(1)程序计数器uPC

程序计数器uPC模拟的是计算机中PC的用法,PC保存的是当前指令的地址,取完指令之后,
PC自动+1,寻找下一条指令
我的uPC采用的是异步模256加1计数器,可以预置初值(即初始指令的地址)
uPC来一次脉冲就计数+1,对应的输出就是微指令存储的地址
uPC同时具有清0的功能,当按下CPU复位键时,uPC自动清0

(2)运算器部分

运算器由三个寄存器和一个ALU电路构成
R0,R1保存要加的两个数
R2保存结果,并呈现到输出面板上
ALU电路由两个74181和一个74182电路构成
另外还有控制运算器采用什么运算的几个管脚

运算器框架图

在这里插入图片描述

(3)附加功能

在运算器输出端,可以加一个移位器,实现数据的左移(乘2),右移(除2),直送
而控制左移右移直送的信号由微程序提供

三、电路图

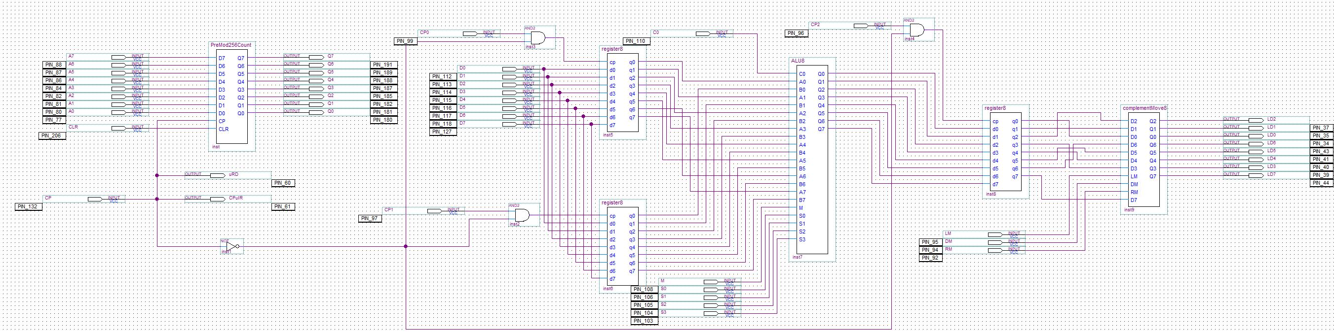
1. 可预置初值的模256异步计数器

这里复用了可预置初值的模16异步计数器
在这里插入图片描述

2. 8位ALU电路

在这里插入图片描述

3. 总图

这里最后的输出用了补码移位器

在这里插入图片描述

四、补充

1.脉冲的作用

在本次实验中,脉冲一共有四个作用,因此上面的总图中,脉冲CP并联了四个输出
在这里插入图片描述
2.绑定的管脚

uPC(模256计数器)的八个输出连到实验平台上的ROM,对应绑定的管脚如下
在这里插入图片描述

微指令的高八位连寄存器R0和R1的输入,而后其它位绑定对应的输入管脚
在这里插入图片描述
uPD和CPuIR绑定的管脚

在这里插入图片描述
单脉冲和清零(CPU复位)绑定的管脚号

在这里插入图片描述


http://chatgpt.dhexx.cn/article/EIZcvQuv.shtml

相关文章

北航计算机组成原理课程设计-2020秋 PreProject-Logisim-Logisim组合逻辑电路

北航计算机学院-计算机组成原理课程设计-2020秋 PreProject-Logisim-Logisim组合逻辑电路 本系列所有博客,知识讲解、习题以及答案均由北航计算机学院计算机组成原理课程组创作,解析部分由笔者创作,如有侵权联系删除。 从本节开始&#xff0…

山东大学软件学院计算机组成原理课程设计整机实验(1)

文章目录 一、实验时间二、实验要求三、整机实验基本思路3.1 前序知识3.2 关于机器指令和微指令的存放,读取和跳转 四、电路图4.1 启动电路4.2 模8计数器4.3 24和38译码器4.4 总图 五、实验中遇到的问题和注意事项5.1 脉冲问题5.2 微指令问题5.3 取指周期不断循环的…

计算机组成原理课程设计基于cop2000

目 录 1总体设计方案 - 1 - 1.1 课程设计的目的 - 1 - 1.2利用COP2000实验平台上设计指令微指令(微程序)系统并验证,掌握微程序设计控制器的基本方法并了解指令系统与硬件结构的对应关系; - 1 - 1.3 课程设计的任务 - 1 - 1.4 详细了解并掌握COP2000模型机的微程序控制原理…

北航计算机组成原理课程设计-2020秋 PreProject-Logisim-时序逻辑电路

北航计算机学院-计算机组成原理课程设计-2020秋 PreProject-Logisim-Logisim时序逻辑电路 本系列所有博客,知识讲解、习题以及答案均由北航计算机学院计算机组成原理课程组创作,解析部分由笔者创作,如有侵权联系删除。 从本节开始&#xff0…

计算机组成原理课程设计报告总结

实验0 ROM仿真 1、实验目的 (1)掌握ROM的工作原理; (2)画出逻辑电路图及布出美观整齐的接线图; (3)掌握ROM读出原理。 2、实验原理 存储元由有否二极管组成,若有&#x…

计算机组成原理论文5000字,计算机组成原理课程设计论文

计算机组成原理课程设计论文 (25页) 本资源提供全文预览,点击全文预览即可全文预览,如果喜欢文档就下载吧,查找使用更方便哦! 14.9 积分 计算机组成原理庁果程设计扌艮告设计题目:设计八位全加器院系:计算机科学与信息工程学院专…

计算机组成原理 中断综合设计实验,模型机中断实验计算机组成原理课程设计报告...

模型机中断实验计算机组成原理课程设计报告 计算机组成原理课程设计报告2014 计算机组成原理课程设计报告 班级:计科 1202组号 2-3北京化工大学计算机科学与技术专业计算机组成原理课程设计报告院 系: 信息科学与技术学院 专 业: 计算机科学…

计算机组成原理课程设计——CPU与简单模型机设计

一、设计目的 1、掌握一个简单CPU的组成原理。 2、在掌握部件单元电路的基础上,进一步将其构造一台基本模型计算机。 3、掌握微程序控制器设计。 二、设计任务与要求 设计任务: 用所学知识,设计并构造一台简单模型机。验证指导书…

计算机组成原理——课程设计

《计算机组成原理》 课程设计 一、目的和要求 深入了解计算机各种指令的执行过程,以及控制器的组成,指令系统微程序设计的具体知识,进一步理解和掌握动态微程序设计的概念;完成微程序控制的特定功能计算机的指令系统设计和调试。…

计算机组成原理课程设计:复杂模型机

课程设计报告 课程名称: 计算机组成原理 设计题目: 复杂模型机 目 录 1、课程设计任务书 3 1.1设计任务 3 1.2性能指标和设计要求 3 2、本设计的模型机体系结构及功能 4 2.1 模型机的体系结构 5 2.2 模型机所具有的基本功能 5 3、 模型机硬件设计 5 3…

用excel、matlab、python绘制正态分布图

用excel、matlab、python绘制正态分布图 excel绘图matlab绘图python绘图 为加深对统计知识的理解,老师要求用excel和matlab绘图,在这想介绍3个常见的绘图软件来绘制正态分布密度函数曲线和正态分布分布函数曲线。 excel: matlab: excel绘图…

统计信号处理基础 习题解答1-2

题目: 一个未知参数θ影响一个随机变量实验的结果,这个随机实验可以看成随机变量x。x的PDF为 进行一系列的实验,发现x总是在区间[97,103]内。结果我们得出结论:θ肯定是100,这种推测正确么? 解答&#xf…

数学建模(NO.9斯皮尔曼相关系数)

斯皮尔曼相关系数 一. 定义方法一:计算公式法三.方法二:利用皮尔逊相关系数法四.Matlab计算五.斯皮尔曼和皮尔逊对比六.斯皮尔曼相关系数的假设检验1.小样本(查表)2.大样本(计算统计量) 七.两个比较八.相关…

【FinE】统计与计量指标计算(Matlab)

导航 CDF函数(normal distribution)CDF函数(t-location-scale distribution)CAPM模型 β \beta β计算误差项 ε i \varepsilon_i εi​计算correlation and covariance t t t分布拟合序列Generalized Hyperbolic Distributionapproximation method 1approximation method 2 Go…

【概率论与数理统计】python实验

实验一抛硬币试验的模拟 利用python产生一系列0和1的随机数,模拟抛硬币试验。验证抛一枚质地均匀的硬币,正面向上的频率的稳定值为0.5。 实验步骤 (1)生成0和1的随机数序列,将其放入列表count中;也可用函数…

matlab 数理统计,概率论和数理统计(matlab应用)1

概率论和数理统计(matlab应用)1 (2006-04-29 08:53:49) 12.1 概 述 自然界和社会上会发生各种各样的现象,其中有的现象在一定条件下是一定要发生的,有的则表现出一定的随机性,但总体上又有一定的规律可循。一般称前者为确定性事件&#xff0c…

正态分布中normpdf和normcdf的区别

同时,也可以扩展为其它函数的区别,即pdf与cdf

matlab中normcdf函数用法,Matlab中标准正态分布的密度函数是normcdf(x,0,1)

中标准正属于项目资本现金流量表中现金流出构成的是() 态分USCI模块中的波特率由分频器和调制器共同作用生成。 在MSP430F66xx时钟设置中XT1的XIN和XOUT引脚接32768Hz低频晶振,密度则UCSCTL6的UCSCTL6 & ~XT1OFF表示使能XT1,UCSCTL6 | XCAP_3表示选择…

matlab中normcdf和normpdf区别

最近准备参加个数学建模,其中校赛题目是有关于正态分布的排队论,在做的时候总是发现有问题,后来仔细研究才发现在matlab中关于正态分布有两个函数normcdf和normpdf。

【Matlab】正态分布常用函数normpdf_normcdf_norminv_normrnd_normfit

1.normpdf 功能:正态分布概率密度函数 用法 Y normpdf(X,mu,sigma) Y normpdf(X) % (mu 0, sigma 1) Y normpdf(X,mu) % (sigma 1)例子 % code1 % 画标准正态分布概率密度函数 x -10:0.01:10; y normpdf(x, 0, 1); plot(x,y); grid on;结果&#xff1a…