实验0 ROM仿真
1、实验目的
(1)掌握ROM的工作原理;
(2)画出逻辑电路图及布出美观整齐的接线图;
(3)掌握ROM读出原理。
2、实验原理
存储元由有否二极管组成,若有,由于二极管导通那么数据线上可以读出1;如果没有二极管,数据线上输出接地电平,读出0。
3、实验内容
电路如图2-0所示。存储器有四个字,每个字4位,依次存放了1011B,1001B,1110B,0011B。

4、实验要求
(1)将自己学号后4位作为ROM的存储信息。
(2)完成ROM内容读出。
(3)实验报告。
一、实验题目
实验0:ROM仿真
二、实验目的
(1)掌握ROM的工作原理
(2)画出逻辑电路图及步出美观整齐的接线图
(3)掌握ROM读出原理
三、总体设计
背景知识
DCD-HEX数码管及BCD码的概念:DCD-HEX数码管4条引脚从左到右对应BCD码位的左高右低。其中8421 BCD码是最基本和最常用的BCD码,它和四位自然二进制码相似,各位权值为8、4、2、1,故称为有权BCD码。和四位自然二进制码不同的是,它只选用了四位二进制中前10组代码,即用0000~1001分别代表它所对应的十进制数,余下的六组代码不用。5421 BCD码和2421 BCD码为有权BCD码,它们从高位到低位的权值为5、4、2、1和2、4、2、1,这两种有权BCD码中,有的十进制数码存在两种加权方法。
简单的基本数字逻辑单元



基本原理
ROM的工作原理:在二极管ROM的存储矩阵中字线和位线交叉形成交叉点,每个交叉点都是一个存储单元。交叉点处接有二极管时,相当于存1,交叉点处没有接二极管时,相当于存0。
设计步骤
了解DCD-HEX数码管等基本知识懂得二极管ROM的工作原理读懂设计书案例电路图将自己学号后4位0402作为ROM的存储信息并完成ROM内容的读出。
四、详细设计
电路图设计

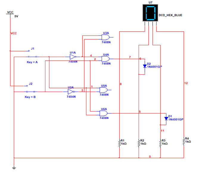
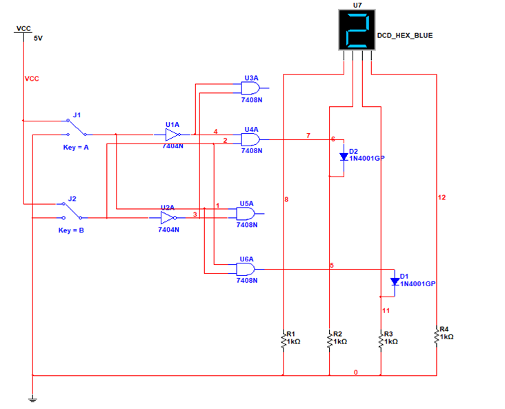
单刀双掷开关A和B控制输入的高低电平,AB输入组合包括00,01,10,11四种情况,经过非门以及A,A’,B,B’的两两相与后,在与门输出端形成相应的高低电平,在输出端为高电平的传输线上若遇到二极管,则最终所对应的DCD-HEX数码管的相应位置输入为1,否则输入为0,最终数码管可根据输入的四位二进制转换成十六进制数输出显示。
五、实验结果与分析
理解设计指导书上的案例,将二极管的位置进行修改,最终可将自己学号后四位0402作为ROM的存储信息并在数码管上输出显示。
(1)首先是学号第一位和第三位皆为0的情况显示,此两种情况相关参数的值分别为:①AB=00,U3A U4A U5A U6A=1000,result:0000;②AB=10,U3A U4A U5A U6A=0010,result:0000。数码管上输出结果均为0。结果如原理图1-1所示。
(2)然后是学号第二位4的情况显示,此种情况相关参数的值为:AB=01,U3A U4A U5A U6A=0100,result:0100。数码管上输出结果为4。结果如原理图1-2所示。

(3)最后是学号第四位2的情况显示,此种情况相关参数的值为:AB=11,U3A U4A U5A U6A=0001,result:0010。数码管上输出结果为2。结果如原理图1-3所示。

六、小结与心得体会
因为没学过模电,开始拿到这道题是比较不知从何下手的状态,对ROM印象最深的就是存储矩阵,但感觉怎么看都不像是存储矩阵,于是上网查找资料,了解到DCD-HEX数码管的工作原理以及BCD码的相关概念后思路也并不是很清晰,于是先把电路图仿真出来,然后根据不同的输入值再进一步分析,仿真过后,通过一步步调整AB输入端的值,观察数码管的显示变化,推敲出三个与门的输出端和二极管之间的联系,根据自己学号后四位修改二极管的位置,实验顺利解决。通过这个实验,自己对DCD-HEX数码管有了更清晰的认识,对ROM的工作原理,以及ROM的存储矩阵都有了更深刻的了解。
实验一 验证74LS181运算和逻辑功能
1、实验目的
(1)掌握算术逻辑单元(ALU)的工作原理;
(2)熟悉简单运算器的数据传送通路;
(3)画出逻辑电路图及布出美观整齐的接线图;
(4)验证4位运算功能发生器(74LS181)组合功能。
2、实验原理
ALU能进行多种算术运算和逻辑运算。4位ALU-74LS181能进行16种算术运算和逻辑运算。功能表如下:


3、实验内容

4、实验要求
(1)根据实验内容,认真完成实验操作,并做好记录。
(2)实验报告。
一、实验题目
实验1:验证74LS181运算和逻辑功能
二、实验目的
(1)掌握算术逻辑单元(ALU)的工作原理
(2)熟悉简单运算器的数据传送通路
(3)画出逻辑电路图及步出美观整齐的接线图
(4)验证4位运算功能发生器(74LS181)组合功能。
三、总体设计
背景知识
74LS181芯片是主要进行算术和逻辑运算的电路,可以作为处理器进行运算的核心部件。它对两个4位操作数进行逻辑或者算术运算等。
74LS181的数据引脚:8个数据输入端(A0–A3,B0–B3),4个二进制输出端(F0,F1,F2,F3),CN端处理进入芯片前进位值,CN4记录运算后的仅为,GN先行进位产生端。PN先行进位传递函数。
74LS181的控制引脚:4个控制端(S0,S1,S2,S3),控制两个四位输入数据的运算(加减与或),M引脚控制芯片的运算方式,包括算术运算和逻辑运算。
基本原理

设计步骤
了解74LS181芯片的工作原理及引脚功能–>了解实验需求–>计书案例电路图–>进行电路设计并仿真–>记录实验数据
四、详细设计
电路图设计

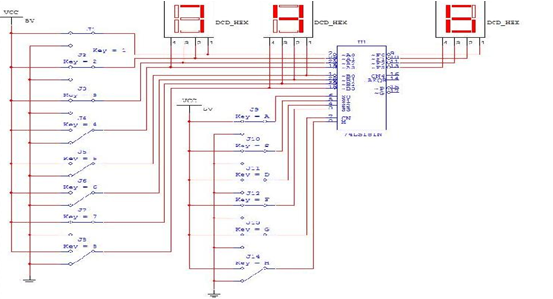
单刀双掷开关ABCDEFGH控制输入两个四位二进制运算数,单刀双掷开关123456控制输入其他引脚端口的值,通过开关闭合输入不同值,分别对两个运算数进行算术运算和逻辑运算,其中U2和U3两个数码管分别显示两个运算数的值,U4数码管显示运算后的结果。
五、实验结果与分析
理解设计指导书上的案例和74LS181芯片的引脚分布和工作原理,设计出电路图,控制开关输入值对各组数据进行测试并记录实验结果,由于篇幅限制,以下只详细介绍第一组和部分第十二组的测试过程及结果。
(1)首先是第一组数据,当S3 S2 S1 S0=0000,数据1=AH,数据2=5H M=0,CN=1时的测试,此时无进位,且两数进行算术运算,F=A,可以看到U4数码管显示结果为AH,仿真结果如原理图2-1所示。

(2)然后是第一组数据当S3 S2 S1 S0=0000,数据1=AH,数据2=5H, CN=0,M=0时的情况测试,此时有进位,两数进行算术运算,F=A+1,可以看到U4数码管显示结果为bH,仿真结果如原理图2-2所示。
(3)然后是第一组数据当S3 S2 S1 S0=0000,数据1=AH,数据2=5H CN=0,M=1时的情况测试,此时无进位,两数进行逻辑运算,F=A’,可以看到U4数码管显示结果为5H(这是数据1的四位二进制形式取反后的结果),仿真结果如原理图2-3所示。

(4)然后是第十二组数据当S3 S2 S1 S0=1011,数据1=AH,数据2=FH,CN=1,M=0时的情况测试,此时无进位,两数进行算术运算,F=AB-1,可以看到U4数码管显示结果为EH(这是数据1和数据2相与后减一的结果),仿真结果如原理图2-4所示。

六、小结与心得体会
刚拿到这道题首先是逐字逐句地看任务指导书,从指导书上了解到了74LS181芯片的引脚功能,以及74181芯片如何对两个运算数进行逻辑运算和算术运算,本实验使用单刀双掷开关作为两个运算数的输入使能端,其实完全可以用DSWPK_8来代替使用,可以使电路图更加清晰易懂,不过使用单刀双掷开关作为使能端,也可以很清晰地看出高低电平的输入。通过本实验,我对74LS181芯片的工作原理有了更深刻地了解,同时也熟悉了DSWPK_8这一元器件,下次实验可考虑将DSWPK_8替换掉8开关层次块,同时动手能力也得到了提高,总之收获很大。
实验二 运算器(2)
1、实验目的
(1) 熟练掌握算术逻辑单元(ALU)的应用方法;
(2) 进一步熟悉简单运算器的数据传送原理;
(3) 画出逻辑电路图及布出美观整齐的接线图;
(4) 熟练掌握有关数字元件的功能和使用方法。
(5) 熟练掌握子电路的创建及使用。
2、实验原理
本实验仿真单总线结构的运算器,原理如图2-2所示。相应的电路如图2-3所示。
电路图中,上右下三方的8条线模拟8位数据总线;K8产生所需数据;74244层次块为三态门电路,将部件与总线连接或断开,切记总线上只能有一个输入;两个74273层次块作为暂存工作寄存器DR1和DR2;两个74374层次块作为通用寄存器组(鉴于电路排列情况,只画出两个通用寄存器GR1和GR2,如果可能的话可设计4个或8个通用寄存器);众多的开关作为控制电平或打入脉冲;众多的8段代码管显示相应位置的数据信息;核心为8位ALU层次块。

3、实验内容
在Multisim画出电路图并仿真,完成如下操作。
(1) 说明整个电路工作原理。
(2) 说明74LS244N的功能及其在电路中作用,及输入信号G有何作用;
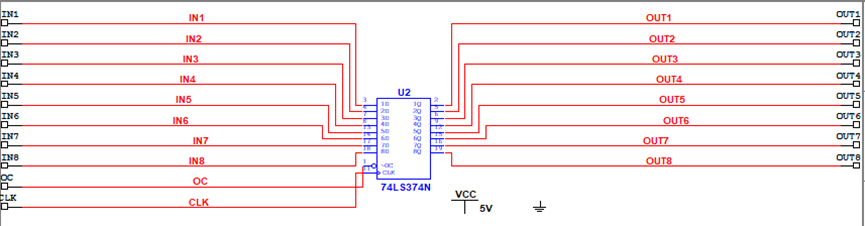
(3) 说明74LS273N的功能及其在电路中作用,及输入信号CLK有何作用;
(4) 说明74LS374N的功能及其在电路中作用,及CLK和OC有何作用;
(5) K8产生任意数据存入通用寄存器GR1。
(6) K8产生任意数据存入通用寄存器GR2。
(7) 完成GR1+GR2→GR1。
(8) 完成GR1-GR2→GR2。
(9) 完成GR1∧GR2→GR1。
(10) 完成GR1∨GR2→GR2。
(11) 完成GR1⊕GR2→GR1。
(12) GR1→GR2。(“”表示逻辑非运算)
(13) ~GR2→GR1。
4、实验要求
(1) 根据实验内容,认真完成实验操作,并做好记录。
(2) 实验报告。
一、实验题目
实验2:运算器(2)
二、实验目的
(1)熟练掌握算术逻辑单元(ALU)的应用方法
(2)进一步熟悉简单运算器的数据传送原理
(3)画出逻辑电路图及布出美观整齐的接线图
(4)熟练掌握有关数字元件的功能和使用方法
(5)熟练掌握子电路的创建及使用
三、总体设计
背景知识
74LS244N芯片介绍:74LS244N芯片是一种4路数据总线缓冲器,当门控信号G为低电平时,芯片工作,将A1–A4输入端的高低电平传输到Y1~Y4输出端;当门控信号G为高电平时,芯片成高阻态。
74LS273N芯片介绍:74LS273芯片的作用是缓冲时钟和直接清除输入,数据独立输入到各触发器。其中1D–8D为数据输入端,1Q–8Q为数据输出端。CLR是复位脚,当CLR脚位低电平时,无论有无脉冲还是输入端是高或低电平,输出端始终位低电平;当且仅当CLR脚为高电平时,输入端1D~8D的数据在脉冲上升期间被传送到输出端1Q–8Q。
74LS374N芯片介绍:74LS374芯片的输出端1Q–8Q可直接与总线相连。当三态允许控制端OC为低电平时,1D–8D为正常逻辑状态,可用来驱动负载或总线。当OC为高电平时,1D~8D成高阻态,即不驱动总线,也不为总线负载。
74LS181N芯片介绍:74LS181N芯片是主要进行算术和逻辑运算的芯片,可以作为处理器进行运算的核心部件。它对两个4位操作数进行逻辑或者算术运算等,前文对74LS181N芯片引脚功能做过详细介绍,这里不再赘述。
基本原理
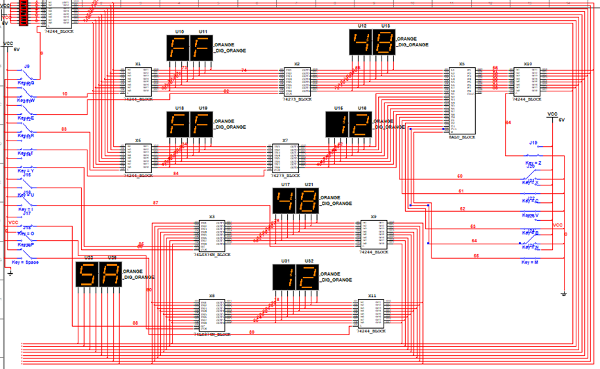
该实验需要自定义元器件层次块,本实验目的是仿真单总线结构的运算器,电路图中,上右下三方的8条线模拟8条数据总线;DSWPK_8代替8开关输入层次块,74244_BLOCK层次块为三态门电路,将部件与总线连接或断开,两个74273层次块作为暂存工作寄存器DR1和DR2;两个74374层次块作为通用寄存器组;众多的开关作为控制电平或打入脉冲;众多的8段数码管显示相应位置的数据信息。核心为8位ALU层次块
设计步骤
布线74LS244_BLOCK层次块–>布线74LS273_BLOCK层次块–>布线8_ALU_BLOCK层次块–>布线74LS374_BLOCK层次块–>布线总电路图–>测试仿真–>记录实验数据
四、详细设计
模块设计
74LS244_BLOCK层次块设计
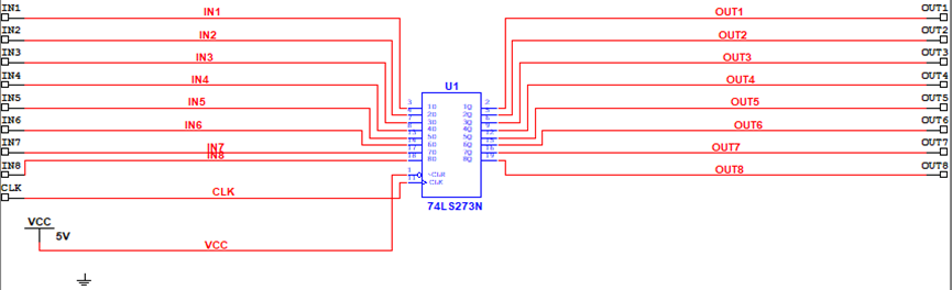
该层次块中有2片74LS244N芯片,将1G和2G输入端接入同一条片选信号,保证两片芯片在低电平有效时同时工作,高电平时同时成高阻态,两片芯片工作时,可将8个输入端的数据传输到输出端。模块如层次图3-1所示。

74LS273_BLOCK层次块设计
该层次块选取了一片74LS273N芯片,不同的是,在74LS273芯片CLR输入端接入了VCC高电平,这是为了保证该层次块只要有上升沿时钟脉冲传入就会将输入端值传入到输出端。模块如层次图3-2所示。

74LS374_BLOCK层次块设计
该层次块选取了一片74LS374N芯片,其实该层次块实现的就是74LS374芯片的功能,理解芯片作用后自然也会了解层次块。模块如层次图3-3所示。

8ALU_BLOCK层次块设计
该层次块选取了两篇74LS181N芯片,1A0–1A3,2A0–2A3的8个输入端口是数据1的输入,1B0–1B3,2B0–2B3的8个输入是数据2的输入,由于输入的数据位限制,只能选用两片芯片并保证其同时以相同的计算方式工作,运算出结果以输出端1F0–1F3,2F0~2F3输出,要注意的点是CN输入端口和CN4输出端口的连接,这是一种串行进位的思想。模块图如层次图3-4所示。

电路图设计

可以把控制电平以及打入脉冲的众多开关均置1,此状态为初始状态,初始状态如原理图3-1所示。开始仿真,Q开关闭合向X0输入低电平,X0芯片开始工作,控制DSWPK_8元器件输入值到总线并且值在U6数码管上会显示出来,W开关闭合X2数码管显示数据1值,E开关闭合后打开,向X2打入上升沿时钟脉冲信号,使得U2显示出相应的数据1的值,闭合开关Y并且闭合开关U后打开,分别向X5输入低电平信号和打入上升沿脉冲信号,U5记录此时数据1的值,然后重新调整DSWPK_8元器件,使得总线上存有数据2的值,闭合开关R向X3传输低电平信号,使U3数码管显示数据2的值,然后闭合开关T后打开,向X4打入上升沿时钟信号,使得U4数码管显示数据2的值,闭合开关O并且闭合开关P后打开,分别向X7输入低电平信号和打入上升沿脉冲信号,U7记录数据2的值,闭合开关Q,关闭DSWPK_8元器件对总线的影响;通过控制开关BVCXMN的打开和关闭向X9的输入端S3、S2、S1、S0、M、Cin传输高低电平使ALU进行指定的运算,最后打开开关Z,可以观察到最终的运算结果显示在U6数码管上。
五、实验结果与分析
设置好每个层次块,将任务指导书上的电路图进行布线仿真后,一步步推敲每个开关按键是什么作用,通过控制开关按键输入不同的值进行多次逻辑运算或算术运算,观察结果是否符合预期。
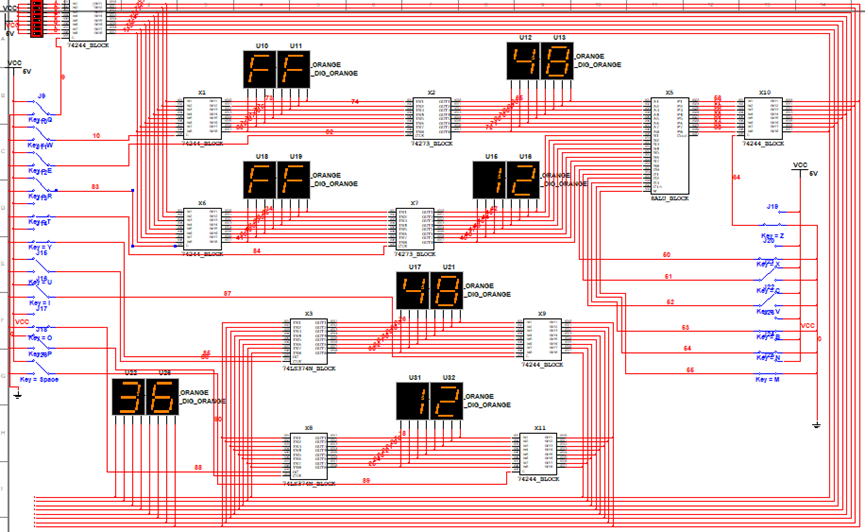
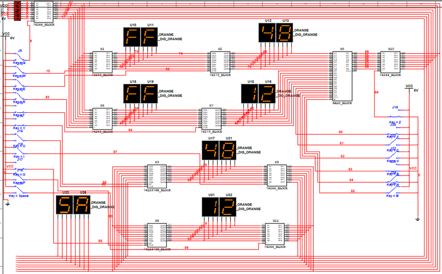
(1)完成GR1+GR2–>GR1

(2)完成GR1-GR2–>GR2。

(3)完成GR1∧GR2–>GR1

(4)完成GR1⊕GR2–>GR1

(5)~GR1–>GR2

(6)~GR2–>GR1

六、小结与心得体会
刚拿到这道题的时候,感觉这道题看上去十分复杂,第一想法是逃避,但是还是选择静下心来好好做题,会收获的更多。然后从逐字逐句地看任务指导书开始,认识了用户自定义层次块,74LS244N、74LS181N、74LS273N、74LS374等一些芯片的具体作用,然后开始仿真布线,在连接主电路图时还是遇到了很多问题,由于自己没有事先将电路图图纸布满全屏,所以之后位置就不够了,迫不得已只能重新连线,当把线连好后,其实也并不知道电路原理以及开关按键各自是什么作用,因此开始上午查找资料,向同学请教,在看了同学一遍演示之后,顿悟,然后自己开始仿真每一组数据,对利用单刀双掷开关打入时钟脉冲上升沿有了更深刻的了解,包括对ALU运算器有了更多的认识,总之,这次实验收获了很多。
实验三 字发生器及跑马灯
1、实验目的
了解字发生器的使用方法。
2、实验原理
通过设定字发生器的数据,使探针依次点亮,形成跑马灯。
3、字发生器
字信号发生器(Word Generator)可以采用多种方式产生32位同步逻辑信号,用于对数字电路进行测试,是一个通用的数字输入编辑器。
单击Simulate/Instruments/Word Generator,得到如图2-4(a)所示的字信号发生器的图标。在字信号发生器的左右两侧各有16个端口,分别为0~15和16~31的数字信号输出端,下面的R表示输出端,用以输出与字信号同步的时钟脉冲;T表示输入端,用来接外部触发信号。
双击图2-4(a)中的字信号发生器图标,便可以得到图2-4(b)所示的字信号发生器内部参数设置控制面板。该控制面板大致分为5个部分。

(1)Control区:输出字符控制,用来设置字信号发生器的最右侧的字符编辑显示区字符信号的输出方式,有下列3种模式。
Cycle 区:在已经设置好的初始值和终止值之间循环输出字符。
Burst:每单击一次,字信号发生器将从初始值开始到终止值之间的逻辑字符输出一次,即单页模式。
Step:每单击一次,输出一条字信号。即单步模式。
单击Set按钮,弹出如图2-5所示的对话框。该对话框主要用来设置字符信号的变化规律。其中各参数含义如下所述。
No Change:保持原有的设置。

Load:装载以前的字符信号的变化规律的文件。
Save:保存当前的字符信号的变化规律的文件。
Clear buffer:将字信号发生器的最右侧的字符编辑显示区的字信号清零。
Up Count:字符编辑显示区的字信号以加1的形式计数。
Down Count:字符编辑显示区的字信号以减1的形式计数。
Shift Right:字符编辑显示区的字信号右移。
Shift Left:字符编辑显示区的字信号左移。
Display Type选项区:用来设置字符编辑显示区的字信号的显示格式:Hex(十六进制),Dec(十进制)。
Buffer Size:字符编辑显示区的缓冲区的长度。
Initial Patterns:采用某种编码的初始值。
(2)Display区:用于设置字信号发生器的最右侧的字符编辑显示区的字符显示格式,有Hex、Dec、Binary、ASCII等几种计数格式。
(3)Trigger区:用于设置触发方式。
Internal:内部触发方式,字符信号的输出由Control区的3种输出方式中的某一种来控制。
External:外部触发方式,此时,需要接入外部触发信号。右侧的两个按钮用于外部触发脉冲的上升或下降沿的选择。
(4)Frequency区:用于设置字符信号飞输出时钟频率。
(5)字符编辑显示区:字信号发生器的最右侧的空白显示区,用来显示字符。
4. 跑马灯电路及数据设置

选择了低16位输出控制16个探针依次点亮。
如图2-7为数据设置,将2的0~15次方依次存入,设置好开始点和终止点,让其循环显示16行数据,从而得到跑马灯效果。

注意:为了避免每次临时设置,可以将之“保存save”为xxx.dp文件;运行时“载入load”该文件。另外,频率与实际效果可能有出入,可以调整频率达到较理想效果。
说明:灯的形状及跑的形式不拘一格。
5. 实验要求
(1) 根据实验内容,认真完成实验操作,并做好记录。
(2) 实验报告。
一、实验题目
实验3:字发生器及跑马灯
二、实验目的
了解字发生器的使用方法。
三、总体设计
背景知识
字信号发生器可以采用多种方式产生32位同位逻辑信号,用于对数字电路进行测试,是一个通用的数字输入编辑器。
字信号发生器引脚作用:
在字信号发生器的左右两侧各有16个端口,分别为015和1631的数字信号输出端,下面的R表示输出端,用以输出与字信号同步的时钟脉冲;T表示输入端,用来接外部触发信号。

在使用Multisim时,为了避免每次临时设置,可以把字信号发生器将要输出的数字信号“保存save”为xxx.dp文件;运行时“载入load”该文件。另外,频率与实际效果可能有出入,可以调整频率达到理想效果。
基本原理
设置好字信号发生器将要输出的32位同步逻辑信号,仿真开始通过给不同的指示灯输入高低电平,使得不同的指示灯按照已设置的频率间断发亮,形成走马灯效果。
设计步骤
了解字信号发生器的引脚功能和工作原理–>查看指导书在软件当中如何放置使用字信号发生器–>设置好32位同步逻辑信号–>保存后缀名为.dp的文件–>设置仿真频率–>开始仿真
四、详细设计
电路图设计

放置字信号发生器后设置32位同步逻辑信号(也可以设置十六进制的8位同步逻辑信号),使高电平1从低位开始向高位移动并保持32位同步信号中只有1位为高电平,以此保证在仿真过程中指示灯间断点亮,设置频率,初始频率1kHZ导致走马灯移动过快,调整合适的频率使得指示灯依次点亮时间间隔适中,开始仿真并观察过程记录结果。电路图设计如原理图4-1所示。
五、实验结果与分析
设置好32位同步逻辑信号并保存为.dp文件方便下次直接载入,然后设置好频率,避免仿真时两指示灯点亮的时间间隔过短,调整频率适中后开始测试并记录结果,仿真过程如分析图4-1所示。

六、小结与心得体会
该实验很具有趣味性,通过设置指示灯位置、32位同步逻辑信号以及仿真频率可以使得走马灯呈现心形等不同的效果,刚开始对字信号发生器并不了解,通过看任务指导书从放置元器件开始,一步步设置逻辑信号、保存文件、加载缓存、设置频率再到最后的仿真,收获了很多,对字信号发生器从不了解到理解,通过本次实验真正地认识到字信号发生器怎样控制输出端输出高低电平,在看到走马灯实现时,对这一元器件有了更深刻的认识。


















