用74161实现12进制与20进制

article/2025/10/8 10:50:45

今天天气很不好,想起了我家那里,高三下午自习,有次外面突然开始刮气起大风,然后我就看着天空一点一点变黄,满天的沙尘,我们那里叫沙城可能就是由此而来的 吧,不过现在治理的沙尘暴已经近乎绝迹了,欢迎大家到我的家乡做客。我家那里的红酒还是不错的。还可以泡温泉。

开始正题。用74161实现不同的进制。

首先看下74161,ABCD称作数据段,对于初学者总是认为输入端(我就是),这个是给定的数值,比如1100,1010等等,这些是自己去确定的,然后就是ENT,ENP,这两个是使能端,只有都为1时芯片才正常工作。LDN称作置数段,低电平有效(上面有个圈圈),就是把ABCD的值给QA,QB,QC,QD,CLRN为清零端,也是低电平有效,当CLRN为0时会将QA,QB,QC,QD全部置0。右侧QA,QB,QC,QD就是当前记到了几,RCO就是当QA,QB,QC,QD都为1时变成。,然后在下一时钟上升沿变为0.

74161的进制就是当QA,QB,QC,QD都成1时,CO从0变成1,然后再变成0。由此就可以发现这个是四个二进制,那么就是可以到1111的时候输出一个1,也就是说一个74161可以完成16以下所有的进制。

接下来要用一个74161实现M=12进制。





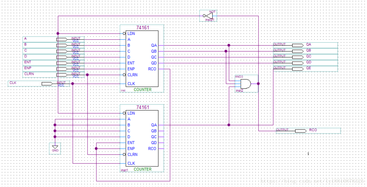
如图 ,令ABCD为0100,这样置数给QA,QB,QC,QD后就成从4开始计数,到16正好12,就成了12进制,当RCO为一时,就是有了一个进位,此时QA,QB,QC,QD就要从头开始,用一个非门,当RCO为1,LDN为0,重新置数QA,QB,QC,QD。完成12进制。

但是这个有一个严重的弊端。就是当第一次上电时,QAQBQCQD会从0000开始,所以第一次会是16进制,这可怎么办,在我不懈努力下可终于想到了。上图!!!!!






成了,哈哈哈哈哈哈哈。

做完M=12是用一个,那怎么实现大于16的,接下来做M=20的两个74161芯片。

啥也不说了,看图吧,耐心点。


 




这个想了半天没想出来,后来稍微百度了一下,看到一个给了灵感,就是下面的只用Qa,这样不久成了五个二进制位做么,把QA当成最高位,然后自己又开了一下那个人思路,在结合自己的想法,终于弄出来了。

下面来个验证图。










http://chatgpt.dhexx.cn/article/Cj4LYnVQ.shtml

相关文章

quartus仿真34:74161构成长度为10的序列发生器

序列发生器构成有两种形式 计数器组合逻辑电路(译码器/多路选择器)移位寄存器构成的最大长度序列发生器74161是计数器,选第一种 产生1101000101序列的计数型序列信号发生器 确定模值,序列长度为10,需要模十计数器计数…

用二进制计数器集成芯片74161设计一个64进制计数器

用二进制计数器集成芯片74161设计一个64进制计数器。要求分别用反馈清零法和反馈置数法实现。画出设计的电路图。 端口介绍: A B C D为置数的数字输入端(其中D为最高位,A为最低位),在实现置数功能时会将ABCD的数值传…

quartus仿真31:74161的级联

74LS161是模16(四位二进制)同步集成计数器,异步清零一张功能表时刻准备查询 异步级联方法:将前一计数器的输出作为后一级计数器的时钟信号 两片161所需要的时钟不同称为异步前一级计数器的进位输出触发器输出的高位为何需要加反相…

【数电】74161的同步与异步级联

首先先提一下上一篇 7474触发器 异步三进制加法计数器,在最后我写到一个小经验:如果用的是时钟的上升沿触发,异步连接时都是上级的Q反接下一级的时钟 后面我在复习数电考试的时候才发现原来老师之前就给做过笔记,如下&#xff1a…

quartus仿真9:74161基本功能

对应西电数电慕课从14讲集成计数器到15讲分频器 同步级联与异步级联 同步级联RCO1和P2T2相连,当Q3Q2Q1Q01111时RCO11则Q41异步级联RCO1’CLK2,毛刺应该造成了影响 不接反相器出现如下情况 异步清零法 模9状态需要一个暂态1001使得清零信号为0&#…

74161

第二篇,74161计数器。2018.3.24 今天天气不错。。。 和74138步骤完全一样,只不过换了一个。 如图 上网找了关于74161的引脚设置,如图: 由于没有学习过计数器,对其中的只是不特别了解。 接下来就是仿真,…

四位十进制计数器verilog_同步集成电路计数器 || 74161 74163 74160 || 同步级联 异步级联 || 数电...

同步集成电路计数器 || 74161 74163 74160 || 同步级联 异步级联 || 数电 TTL器件和CMOS器件的工作电压和输入输出接口参数会有差别。 上面图中,各式76161虽然型号不同,但是逻辑功能都是相同的,后面统称74161。 1. 4位同步二进制计数器74161 74161的功能有4个: 异步清零同步…

74161计数器设计十二和二十进制计数器

首先了解74161计数器,电路结构图如下: 四位同步二进制计数器74161的功能表为: ABCD作为输入端,QA,QB,QC,QD作为输出端。 下面是12进制的计数器的设计,相对于74161来说,只需要一位电路结构就可以了&#x…

Android--onKeyDown方法

在Android开发过程中,经常要对部分手机按键进行自定义的处理,我们可以通过重写Activity的方法onKeyDown()来实现,我们根据对不同的键的处理可以增强用户体验。 private long mExitTime;//保存上次点击back键的系统时间Override public boole…

JS键盘事件—onkeydown,onkeyup

键盘事件 onkeydown 按键被按下 对于某个按键一直按着不放,则事件会一直触发 当onkeydown连续触发式,第一次和第二次之间会有一个间隔时间,其他之后会非常的快 这种设计是为了防止我们误操作 onkeyup 按键被松开 键盘事件一般都会绑定给一…

JS中的键盘事件(onkeydown、onkeyup、keyCode)

键盘事件: okeydown:键盘被按下,如果一直按着键盘的按键,则okeydown事件会一直被触发。 - 当键盘按键一直被按住的时候,事件被连续触发,第一次和第二次以及后面的n次之间,触发的时间间隔会稍长,…

Android 中onKeyDown()方法使用详解

博主前些天发现了一个巨牛的人工智能学习网站,通俗易懂,风趣幽默,忍不住也分享一下给大家, 👉点击跳转到网站 onKeyDown():监听手机屏幕上的按键 比如我们经常退出某款程序时,按back键后,会提示…

onKeyDown方法笔记

onKeyDown()⽅法详解 onKeyDown()⽅法详解 当Android设备上的物理按键被按下的时候,程序会回调onKeyDown()⽅法,该⽅法是接⼝KeyEvent.Callback中的抽象⽅法。 Android程序中所有的V…

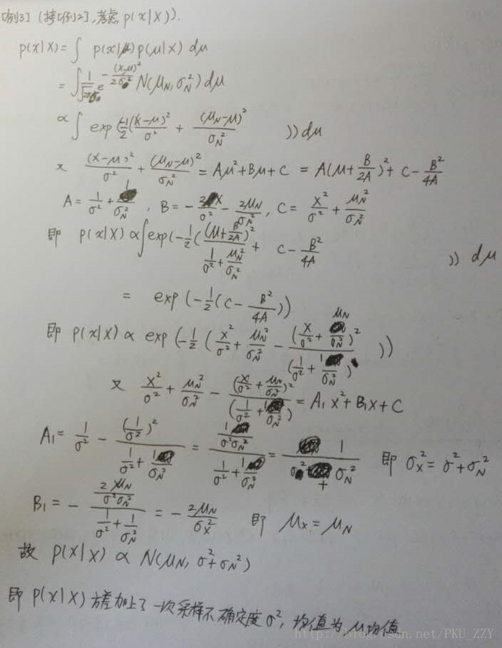
贝叶斯模型的理解(1)

一直以来,都在听说贝叶斯概率模型,这里记录一下自己对贝叶斯概率模型的一些理解。 贝叶斯模型的建立主要有3个概念:1.先验概率。2.最大似然函数。3.后验概率 这3个概念怎么建立联系呢,以投硬币这个简单的例子来理解最好。 例子…

贝叶斯估计原理及流程

知乎上有个专题叫:你对贝叶斯统计有怎样的理解?本篇尽量通俗点理解下贝叶斯统计~_~ 还是沿用经典案例: 一种癌症,得了这个癌症的人被检测出为阳性的几率为90%,未得这种癌症的人被检测出阴性的几率为90%,而人…

极大似然估计和贝叶斯估计

转载于http://blog.sciencenet.cn/blog-520608-703219.html 极大似然估计和贝叶斯估计分别代表了频率派和贝叶斯派的观点。频率派认为,参数是客观存在的,只是未知而矣。因此,频率派最关心极大似然函数,只要参数求出来了&#xff0…

贝叶斯方法的m-估计

为什么要有m-估计? 当我们通过在全部事件的基础上观察某事件出现的比例来估计概率时,例如:Pnc/n.,其中nc为该类别中的样本数量,n为总样本数量。若n5,当P0.6时,则nc为3。多数情况下该比例是对概率…

参数估计—最大似然估计与贝叶斯估计

文章目录 一 参数估计二 最大似然估计2.1 参数分量2.2 基本原理2.3 高斯情况2.3.1 协方差矩阵 Σ \Sigma Σ已知,而均值 μ \mu μ未知2.3.2 协方差矩阵 Σ \Sigma Σ和均值 μ \mu μ都未知 三 贝叶斯估计3.1 基本原理3.2 高斯情况下的贝叶斯估计3.2.1 单变量情况第…

朴素贝叶斯算法与贝叶斯估计

在看贝叶斯算法的相关内容时,你一定被突如其来的数学概念搞得头昏脑涨。比如极大似然估计(Maximum likelihood estimation ),极大后验概率估计(Maximum a posteriori estimation),先验概率(Prior probability),后验概率(Posterior…

几个贝叶斯估计的例题

几个贝叶斯估计的例题 以下例题来自《机器学习导论》,书中证明不是很全也没有推导过程,所以我补全了解答。 贝叶斯估计 Dirichlet分布 已知方差的正态分布 正态分布 此时不再是共轭后验先验分布了,会得到一个t分布,由于涉及的特殊…