quartus仿真33:74161级联实现模60计数器

article/2025/10/8 10:26:47
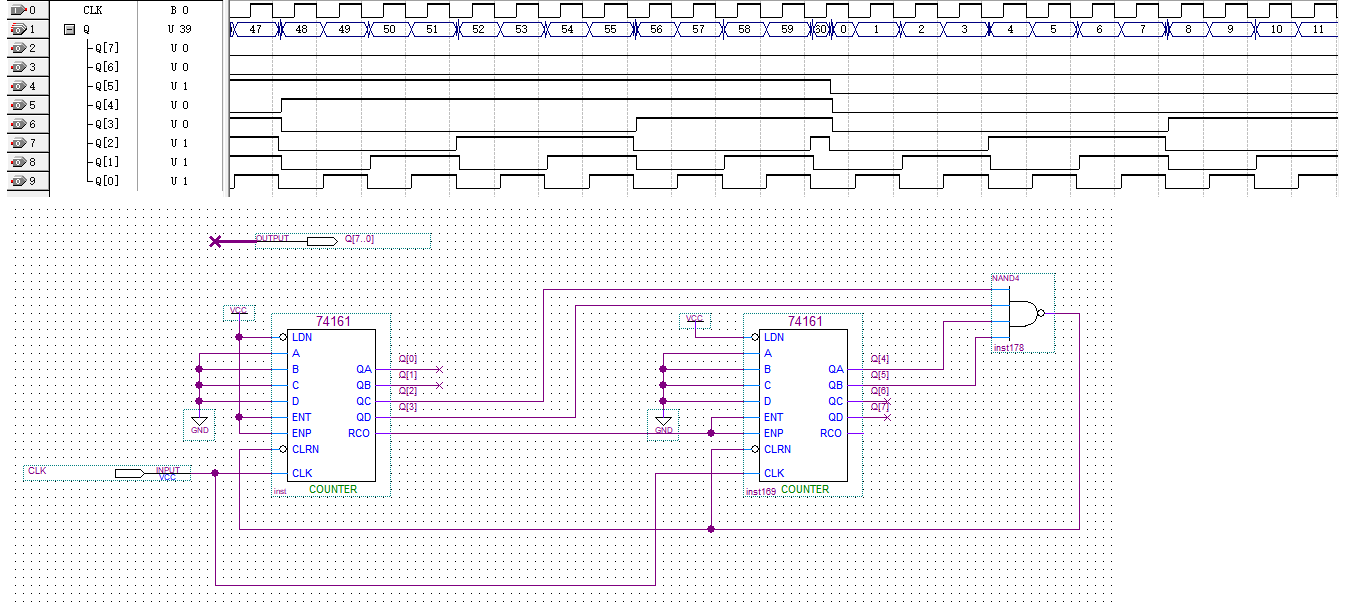
  • 将60分解成6*10,分别用74161实现模6和模10计数器,再级联成模60计数器
  • 利用OC进位端反相得到的信号输入到置位端,模6计数器的实现15-X+1=6,解得置数端需要准备的数为X=10=1010,模10计数器的实现15-X+1=10,解得置数端需要准备的数为X=6=0110。

在这里插入图片描述

  • 观察波形图可以看出,稳定后第一片计数器从10计到15,第二片从6计到15

在这里插入图片描述

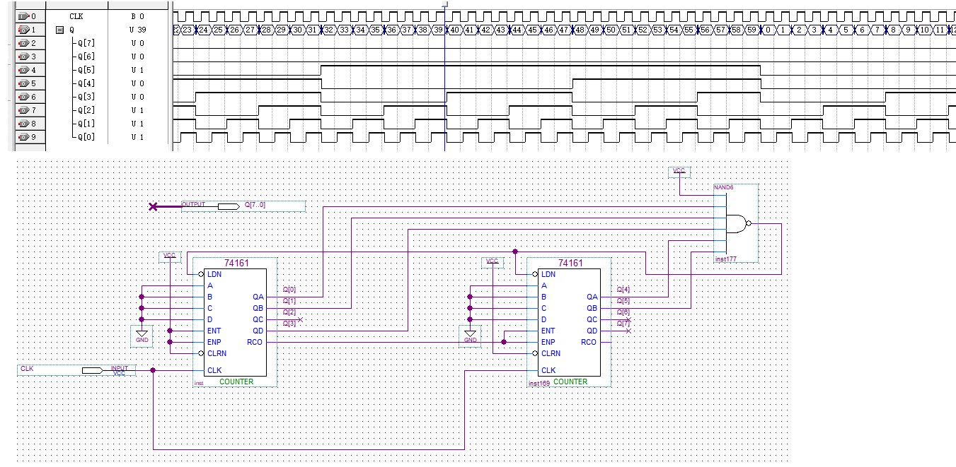
  • 60同样可以分解成5*12,这种方法需要分解的两个因数小于161的模值16。利用上面方法的思路,OC置数法,模5计数器的实现15-X+1=5,解得置数端需要准备的数为X=11=1011,模10计数器的实现15-X+1=12,解得置数端需要准备的数为X=4=0100。
    在这里插入图片描述
  • 另外说明一点,分解模值的方法两个模数掉个顺序完全没问题的

在这里插入图片描述

  • 先把两片161级联成模256的计数器,再利用整体清零或置数构成模60的计数器
  • 整体置零——从0计数到59=0011_1011,将59这个数翻译成低电平输入到置数端

在这里插入图片描述

  • 利用异步清零法,将60=0011_1100信号翻译到清零端
    在这里插入图片描述
  • 利用OC端置数法,255-X+1=60解得X=196=1100_0100,将数准备在输入端

在这里插入图片描述


http://chatgpt.dhexx.cn/article/n9WtXtg3.shtml

相关文章

初识FPGA:用FPGA进行简单74138、74161电路设计

一、用2片3-8 译码器拼接成4-16 译码器 1、3-8译码器功能表 2、实现原理图 采用两个3-8译码器上片为高八位,下片低八位。输入为INA、INB、INC、IND(由低到高位),EN0。IND0时,下片工作;IND1时,上片工作&#xf…

74161设计二十进制计数器

1. 2^4<20<2^8&#xff0c;因此在设计中要用到两片74161芯片。 2. 新建BDF文件&#xff0c;保存工程。 3.将所需要的元器件和引脚拖入区域内并完成连接&#xff0c;如图1所示 图1. 二十进制计数器连接图 4.建立VWF文件&#xff0c;仿真后得到结果如图2 图2、 仿真结…

用74161设计十二进制计数器

1.74161为十六进制计数器&#xff0c;设计十二进制计数器时1片就可以满足要求。 2.新建BDF文件及保存工程同前篇。 3.将所需要的元器件和引脚拖入区域内并完成连接&#xff0c;如图1所示 图1 十二进制计数器连接图 4.建立VWF文件&#xff0c;仿真后得到结果如图2

c语言实现同步四位加法计数器,试用4位同步二进制加法计数器74161才用置数法构成三进制计数器...

一是用时钟触发器和门电路进行设计&#xff1b; 二是用集成计数器构成。集成计数器一般都设有清零输入端和置数输入端&#xff0c;且无论是清零还是置数都有同步和异步之分&#xff0c;例如清零、置数均采用同步方式的有集成4位二进制同步加法计数器74163&#xff1b; 4位二进制…

用74161实现12进制与20进制

今天天气很不好&#xff0c;想起了我家那里&#xff0c;高三下午自习&#xff0c;有次外面突然开始刮气起大风&#xff0c;然后我就看着天空一点一点变黄&#xff0c;满天的沙尘&#xff0c;我们那里叫沙城可能就是由此而来的 吧&#xff0c;不过现在治理的沙尘暴已经近乎绝迹了…

quartus仿真34:74161构成长度为10的序列发生器

序列发生器构成有两种形式 计数器组合逻辑电路&#xff08;译码器/多路选择器&#xff09;移位寄存器构成的最大长度序列发生器74161是计数器&#xff0c;选第一种 产生1101000101序列的计数型序列信号发生器 确定模值&#xff0c;序列长度为10&#xff0c;需要模十计数器计数…

用二进制计数器集成芯片74161设计一个64进制计数器

用二进制计数器集成芯片74161设计一个64进制计数器。要求分别用反馈清零法和反馈置数法实现。画出设计的电路图。 端口介绍&#xff1a; A B C D为置数的数字输入端&#xff08;其中D为最高位&#xff0c;A为最低位&#xff09;&#xff0c;在实现置数功能时会将ABCD的数值传…

quartus仿真31:74161的级联

74LS161是模16&#xff08;四位二进制&#xff09;同步集成计数器&#xff0c;异步清零一张功能表时刻准备查询 异步级联方法&#xff1a;将前一计数器的输出作为后一级计数器的时钟信号 两片161所需要的时钟不同称为异步前一级计数器的进位输出触发器输出的高位为何需要加反相…

【数电】74161的同步与异步级联

首先先提一下上一篇 7474触发器 异步三进制加法计数器&#xff0c;在最后我写到一个小经验&#xff1a;如果用的是时钟的上升沿触发&#xff0c;异步连接时都是上级的Q反接下一级的时钟 后面我在复习数电考试的时候才发现原来老师之前就给做过笔记&#xff0c;如下&#xff1a…

quartus仿真9:74161基本功能

对应西电数电慕课从14讲集成计数器到15讲分频器 同步级联与异步级联 同步级联RCO1和P2T2相连&#xff0c;当Q3Q2Q1Q01111时RCO11则Q41异步级联RCO1’CLK2&#xff0c;毛刺应该造成了影响 不接反相器出现如下情况 异步清零法 模9状态需要一个暂态1001使得清零信号为0&#…

74161

第二篇&#xff0c;74161计数器。2018.3.24 今天天气不错。。。 和74138步骤完全一样&#xff0c;只不过换了一个。 如图 上网找了关于74161的引脚设置&#xff0c;如图&#xff1a; 由于没有学习过计数器&#xff0c;对其中的只是不特别了解。 接下来就是仿真&#xff0c;…

四位十进制计数器verilog_同步集成电路计数器 || 74161 74163 74160 || 同步级联 异步级联 || 数电...

同步集成电路计数器 || 74161 74163 74160 || 同步级联 异步级联 || 数电 TTL器件和CMOS器件的工作电压和输入输出接口参数会有差别。 上面图中,各式76161虽然型号不同,但是逻辑功能都是相同的,后面统称74161。 1. 4位同步二进制计数器74161 74161的功能有4个: 异步清零同步…

74161计数器设计十二和二十进制计数器

首先了解74161计数器&#xff0c;电路结构图如下&#xff1a; 四位同步二进制计数器74161的功能表为&#xff1a; ABCD作为输入端&#xff0c;QA,QB,QC,QD作为输出端。 下面是12进制的计数器的设计&#xff0c;相对于74161来说&#xff0c;只需要一位电路结构就可以了&#x…

Android--onKeyDown方法

在Android开发过程中&#xff0c;经常要对部分手机按键进行自定义的处理&#xff0c;我们可以通过重写Activity的方法onKeyDown()来实现&#xff0c;我们根据对不同的键的处理可以增强用户体验。 private long mExitTime;//保存上次点击back键的系统时间Override public boole…

JS键盘事件—onkeydown,onkeyup

键盘事件 onkeydown 按键被按下 对于某个按键一直按着不放&#xff0c;则事件会一直触发 当onkeydown连续触发式&#xff0c;第一次和第二次之间会有一个间隔时间&#xff0c;其他之后会非常的快 这种设计是为了防止我们误操作 onkeyup 按键被松开 键盘事件一般都会绑定给一…

JS中的键盘事件(onkeydown、onkeyup、keyCode)

键盘事件&#xff1a; okeydown:键盘被按下&#xff0c;如果一直按着键盘的按键&#xff0c;则okeydown事件会一直被触发。 - 当键盘按键一直被按住的时候&#xff0c;事件被连续触发&#xff0c;第一次和第二次以及后面的n次之间&#xff0c;触发的时间间隔会稍长&#xff0c;…

Android 中onKeyDown()方法使用详解

博主前些天发现了一个巨牛的人工智能学习网站&#xff0c;通俗易懂&#xff0c;风趣幽默&#xff0c;忍不住也分享一下给大家&#xff0c; &#x1f449;点击跳转到网站 onKeyDown():监听手机屏幕上的按键 比如我们经常退出某款程序时&#xff0c;按back键后&#xff0c;会提示…

onKeyDown方法笔记

onKeyDown&#xff08;&#xff09;⽅法详解 onKeyDown&#xff08;&#xff09;⽅法详解 当Android设备上的物理按键被按下的时候&#xff0c;程序会回调onKeyDown&#xff08;&#xff09;⽅法&#xff0c;该⽅法是接⼝KeyEvent.Callback中的抽象⽅法。 Android程序中所有的V…