2022联发科数字芯片提前批笔试

article/2025/10/13 14:05:40

不太想写这套,先放着
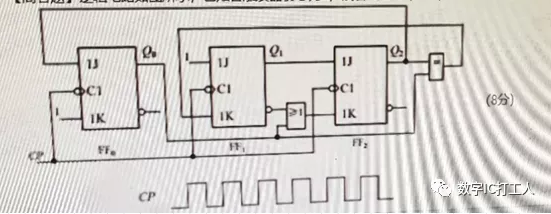
1、逻辑电路如图所示,已知各触发器初态为0,试着画出Q0,Q1,Q2的波形。
在这里插入图片描述

2、请根据下面的电路完成相关问题
在这里插入图片描述
1>写出电路图A的真值表

2>根据图B circuit画出waveform

3>利用状态图描述图B circuit的功能
在这里插入图片描述
4>假设逻辑门的delay 为1ns,DFF的CK到q的delay为1ns,clk周期为10ns,寄存器的setup时间为0.5ns,根据图B中的timing信息计算关键路径setup的slack(12分)

3、请简述IC设计从前端到后端的流程(5分)

4、p先生、Q先生都具有足够的推理能力,而且都不说谎,这天,他们正在接受推理面试,他们知道桌子的抽屉里有16张扑克牌:

红桃A、Q、4

黑桃、8、4、2、7、3

草花K、Q、5、4、6

方块A、Q

约翰教授从这16张牌中挑出一张牌来,并把这张牌的点数告诉p先生,把这张牌的花色告诉Q先生,这时,约翰教授问P先生和Q先生:你们能从已知的点数或花色中推知这张牌是什么牌吗?

P先生:“我不知道这张牌。

0先生:“我知道你不知道这张牌”

P先生:“现在我知道这张牌了。”

Q先生:“我也知道了”

请问,这张牌是什么牌,并说明理由。

5、请列表简述您的所有项目经历,挑选其中一个项目进行具体介绍并简述挑选理由。(10分)

6、用Verilog实现一个10010序列检测器,当检测到10010序列(包括重叠的情况时,序列检测器输出1,否则输出0,请画出状态转移框图并写出verilog代码。(15分)

7.[简答题]请用C语言写一个程序,计算输入字符串中每个字母的个数(字符串只包括小写字母)。举例如输入字符串为:aaaaabbccefff,则结果打印为:5a2b3c1e3f。(15分)

  1. [Python] list1 = [0,1,2,3.4.5],则list1[:-2]=?(3分)

  2. [Python]请用python写一段程序,用尽量少的语句实现下面功能:定义一个函数,判断给定目录下是否存在result.log文件,如果存在,则从result.log文件中找出所有包含fail字样(不区分大小写)的行,并将这些内容保存到一个名为fail.log的文件中,如果文件不存在则抛出异常(7分)

10、 [Python]请使用种您熟悉的语言(C, Java, Python)定义二叉树的节点,并使用深度优先搜索,获取一个给定二叉树的最大深度,返回深度值。(10分)

比如,给定二叉树[3,9,20, null,null,15,7],

        3/  \9    20/   \15    7

返回它的最大深度3.(10分)

11、[选答题] 您是否使用python完成过一些项目?碰到哪些困难,如何克服以及有什么收获?(10分)

12、 [选答题]给你个字符串表达式s,请使用一种您熟悉的语言(C Java, Python)实现一个基本计算器来计算并返回它的值(运算只包含±和括号)。(10分)

示例1:

  输入:s=“1+1”输出:2

示例2:

  输入:s=“2-1+2”输出:3

示例3:

  输入:s=“(1+(4+5+2)-3)+(6+8)”输入:s=“2-1+2”输出:3

示例3:

  输入:s=“(1+(4+5+2)-3)+(6+8)”输出:23

http://chatgpt.dhexx.cn/article/BFX7ZI5n.shtml

相关文章

华为数字芯片实习生面试经验

2018坐标广东。面试地点广州。面试数字前端。 今年华为早早在过年后就发布了实习生招聘的信息,简历最迟在3月17日之前上交。修改几次简历后终于把简历上传了,然后在一周后收到了华为性格测试的邮件。华为数字芯片岗是没有笔试的,当初我看跟我…

NV 英伟达2022数字芯片笔试题

1、Single Choice: Given the following FIFO and rules, how deep does the FIFO need to be to prevent underflow or overflow? RULES: clk_A25MHz; clk_B100MHz; en_B is periodically asserted: period is 4us, dutycycle is 25% Pick ONE option A. 100 entries …

数字IC设计入门(8)初识数字芯片设计前端

前端做什么工作 数字前端设计也称逻辑设计,前端以设计架构为起点,以功能正确且满足目标时序的网表为终点,用逻辑电路实现预期的功能。主要包括:规则书制定、系统架构设计、部件详细设计、HDL编码、仿真验证、SDC编写、逻辑综合、…

php37t芯片,模拟芯片和数字芯片的区别

模拟芯片和数字芯片的区别 1、模拟芯片用来产生、放大和处理各种模拟信号,而数字模拟芯片用来产生、放大和处理各种数字信号; 2、模拟芯片利用的是晶体管的放大作用,数字模拟芯片利用的是晶体的开关作用。 芯片 晶体管发明并大量生产之后&…

1.数字芯片后端设计小概述

大家好,第一篇文章想来简单介绍一下数字芯片后端的基本流程。对于没有接触过后端设计的新人可能会有用。 后端设计总体来说,是将前端写好的RTL代码通过综合(synthesize)转换成物理网表(netlist)&#xff0c…

数字IC设计入门(9)初识数字芯片验证

什么是验证及验证方法学? 芯片验证就是采用相应的验证语言,验证工具,验证方法,在芯片生产之前验证芯片设计是否符合芯片定义的需求规格,是否已经完全释放了风险,发现并更正了所有的缺陷,站在全流程的角度…

【数字IC基础知识1之数字芯片设计流程

一,数字芯片设计流程 数字芯片设计分为前端设计和后端设计,其中前端(又称逻辑设计)包括以下部分: 1,需求分析 2,功能架构设计 3,RTL代码设计 4,功能仿真验证&#xff0…

数字芯片设计流程之verilog设计

数字芯片设计流程: 功能验证之前与工艺库没多大联系,验证芯片设计的功能是否正确,针对抽象的代码进行功能验证理想值。 一致性验证确保生成的网表和代码设计功能一致;DFT之后是数字后端。 静态时序分析,从逻辑综合开…

数字芯片设计全流程

设计全流程 IDM:Flabless-Fab-OSTA Flabless:设计需求-RTL文件(寄存器传输级电路)-后端设计-GDS版图 EDA工具、半导体IP Fab:工艺制造-晶圆裸片 半导体设备、材料 OSTA:封装测试-芯片 数字ASIC设计流程 SOC设计流程 前端设计…

常见数字芯片功能描述总结

文章目录 1. 74HCT541芯片:【三态输出驱动器】1.1 学名1.2 功能描述1.3 引脚图(摘自手册)1.3.1 引脚描述1.3.2 功能真值表 1.4 参考电路 2. 74HCT574芯片:带锁存功能的【三态上升沿触发器】2.1 学名2.2 功能描述2.3 引脚图&#x…

java编程常用软件

有大神曾说“给我一个记事本,我还你一个项目”,作为小白的我,以前也对这句话深信不疑,但当我参加人生第一次编程考试的时候,我发现我用记事本码代码的速度实在是太慢了,一样的代码,别人用eclips…

软件:推荐八款电脑实用软件,你都用过吗?

今天给大家推荐八款电脑非常实用的软件,希望对大家能有所帮助! 1、Audio Hijack Pro 一款Mac 上的录音软件。它比较强大的功能是可以录制多个应用的声音,然后组合成一个结果,然后输出。2、快贴 一个跨平台剪切板同步软件。你只需要…

Java程序员常用软件

目录 1、IDE 2、应用服务器 3、分布式版本控制 4、项目管理 5、数据库管理工具 6、Web服务器 7、接口测试工具 8、SSH工具 9、抓包工具 10、其他一些软件 工欲善其事必先利其器,作为有多年开发经验的Java程序员,应该都会有一些常用的软件来辅助…

电脑软件:推荐5款实用的效率软件

目录 1、图片管理神器-Image Tuner 2、系统维护神器-Dism 3、桌面效率神器-蜂窝桌面整理 4、键鼠模拟软件-按键精灵 5、书签管理神器-Toby for Chrome 今天小编大家推荐5款实用的效率神器,希望对大家能有所帮助! 1、图片管理神器-Image Tuner 1000张图片…

五个计算机常用应用软件,这些电脑软件很常用 日常必备软件就是它了

5个超良心电脑软件,每一个功能都十分强大!请低调使用! 很多软件你听到很多人在说,但不一定好用;有的软件没有听过但却十分的好用!今天就为大家介绍五款小众但很好用的电脑软件! 一:Internet Download Manager(IDM) 这是一个非常好用的下载器&…

备份计算机软件,如何备份电脑里面的软件

最近,小编电脑系统重装了,发现需要使用的软件要一个一个重新安装非常麻烦。吃一堑长一智,小编觉得有必要对电脑里的常用软件进行一下备份,那么,如何备份电脑里面的软件?下面,给大家推荐一些软件备份工具,希望大家可以帮到大家! 软件备份工具推荐: 以下排名不分先后 一…

用计算机打开软件,电脑上如何打开软件?

电脑已经成为现代企业办公的重要组成部分,而电脑上各种软件的使用又是必不可少的。那么如何在电脑上打开一款软件呢?小编汇总了几种常用的方法,希望对你有所帮助哦! 方法1:双击桌面快捷方式 这是一种最常用也最快捷简单…

计算机科学的常用软件,常用的电脑必备软件清单,6款最顶尖实用的黑科技软件,你都装了没?...

原标题:常用的电脑必备软件清单,6款最顶尖实用的黑科技软件,你都装了没? 现如今,在工作、生活以及学习当中越来越离不开电脑和手机,其中电脑可以说在我们学习和工作中我们经常,这就导致在每个人…

计算机软件图标不正常,电脑桌面软件图标显示异常

电脑桌面某个图标显示不正常 电脑桌面所有的图标不正常是系统问题或者设置问题,某个图标的问题,是该图标所属的软件出现了问题,可以找到这软件,然后重新下载一个,覆盖安装后即可解决。 图标是具有明确指代含义的计算机图形。 其中桌面图标是软件标识,界面中的图标是功能标…

Windows常用必备软件整理,太全了,值得收藏

目录 1、Office系列 2、杀毒软件 3、视频播放和视频处理 4、音乐播放 5、压缩解压 6、输入法 7、PDF阅读软件 8、文件加密 9、网盘 10、社交聊天 11、日常办公软件 ‍12、图片/照片处理‍ 13、系统自带的工具 Windows常用必备软件整理,太全了,值得收藏&…