4.1半导体三极管
4.1.1BJT的结构简介


结构特点:

+、++、- 表示掺杂浓度的高低
4.1.2放大状态下BJT的工作原理

发射结正偏,发射区向基区注入载流子,基区有了大量与原基区少数载流子相同极性的载流子,从而集电区收集到大量载流子,形成较大的集电极电流。
改变发射结正偏电压,则有不同的iB 和iE ,从而导致不同的iC

发射结正偏电压与发射极电流的关系就是PN结正向特性
2 电流分配关系:


3 三极管的三种组态

集电极不能作输入
基极不能作输出
4 放大作用


AV 与负载电阻RL有直接关系
两个电压源的作用:
1、提供三极管的工作条件(发射结正偏集电结反偏)
2、提供能量
4.1.3BJT的V-I特性曲线
1、输入特性曲线


2、输出特性曲线

4.1.4BJT的主要参数








4.2共射极放大电路的工作原理
4.2.1 信号放大的实现
1、发射结正偏,集电结反偏的建立

一般硅管VBEQ=0.7V ,锗管VBEQ=0.2V ,β已知。


3、静态工作点对信号放大的影响
1、IBQ 过大→ICQ 过大→RC 上压降过大→VCEQ 过小
2、RC 阻值过大→RC 上压降过大→VCEQ 过小

若IBQ 过小,使ICQ 过小,导致RC 上压降很小,则VCEQ 过大

因此,
1、必须为BJT提供合适的静态偏置,使其工作在放大区
2、信号叠加在静态电量上,并通过BJT的控制关系传输到输出,信号也经常称为交流量
3、输出信号的幅值受输出回路电源电压的限制
4.2.2 BJT的静态偏置
1、基极固定偏流电路


2、基极分压式射极偏置电路

3、双电源射极偏置电路

计算Q的方法:
1、电路理论知识
2、iB 、iC 关系
3、三极管的恒压降模型或理想模型
4、电流源偏置电路

4.2.3 信号的输入和输出
1、直接耦合

信号在没有阻隔直流通过的路径上传输
注:基极永远是中间电压点
三种组态的判断:
根据信号输入到BJT的电极和信号取出电极来区分
信号由基极输入,集电极输出——共射极放大电路
信号由基极输入,发射极输出——共集电极放大电路
信号由发射极输入,集电极输出——共基极电路

解决:
2、阻容耦合
信号传输路径上有阻隔直流通过的电容

此处电容越大越好
阻容耦合电路特点:
1、信号和负载的接入不影响BJT的静态工作点
2、难以放大频率过低的信号

但是并非直接耦合电路的信号源和电源不能共地,如前面的双电源射极偏置电路就可以。
4.2.4 直流通路和交流通路
直流通路是仅有直流电流流通的路径,交流通路是仅有交流流通的路径
耦合电容:通交流、隔直流
直流电压源:内阻为零(交流短路)
直流电流源:内阻无穷大(交流开路)
如果两个电路的交流通路完全一样(结构完全一样,参数值完全一样),那么这两个电路对信号的放大是完全相同的。
4.3放大电路的分析方法
4.3.1 图解分析法
1、静态工作点的图解分析法

2、动态工作情况的图解分析




通过图解分析法可以得到以下结论:
1、vi↑ →vBE↑ →iB↑→iC ↑→vCE↑→ |vO|↑(vi正半周时)
2、vo 与vi 相位相反
3、可以测量出放大电路的电压放大倍数
4、可以确定最大不失真输出的幅度
BJT的三个工作区:
饱和区特点:iC 不再随iB0 的增加而线性增加,即
iC ≠β·iB
此时β·iB >iC
iC 的最大值为vCC ➗RC

vCE =VCES 典型值为0.3V
截止区特点:
iB =0
iC =ICEO
3、非线性失真的图解分析
截至区

饱和区




4、图解分析法的适用范围
幅度较大而工作频率不太高的情况
4.3.2 小信号模型分析法
1、BJT的H参数及小信号模型







电阻vce /hoe 与后面的负载比起来很大,因此当作开路处理
注意:
1、βib 是受控源,且为电流控制电流源(CCCS)
2、受控源电流方向与ib的方向是关联的


答:测出来的是直流电阻

需要测的是切线的斜率
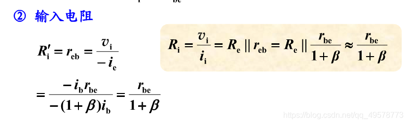
2、用H参数小信号模型分析基本共射极放大电路




3、小信号模型分析法的适用范围
放大电路的输入信号幅度较小,BJT工作在其I-V特性曲线的线性范围(即放大区)内,H参数的值是在静态工作点上求得的,所以,放大电路的动态性能和静态工作点参数的大小及稳定性密切相关。
优点:
分析放大电路动态性能指标非常方便,且适用于频率较高时的分析。
缺点:
不能用于分析静态工作点


当VCE 的值在中间时,工作在放大区

4.4放大电路静态工作点的稳定问题
4.4.1 温度对静态工作点的影响
1、温度变化对ICBO的影响
T↑→输出特性曲线上移→集电极电流↑
2、温度变化对输入特性曲线的影响
T↑→输出特性曲线左移→基极电流↑→集电极电流↑

3、温度变化对β的影响
温度每升高1℃,β要增加0.5%~1.0%
T↑→输出特性曲线族间距增大→集电极电流↑

4.4.2 射极偏置电路
1、基极分压式射极偏置电路









提高了放大倍数

通常Re1 比Re2 小很多
牺牲了一部分放大倍数,但提高了输入电阻
2、含有双电源的射极偏置电路



3、含有恒流源的射极偏置电路

4.5共集电极放大电路和共基极放大电路







错误:在多级放大电路中,通过大的输入电阻对前一级的电压增益产生影响





答:电流源



4.6组合放大电路
4.6.1 共射—共基放大电路


此电路的电压增益与单极放大的倍数相同,但带宽要宽很多。
4.6.2 共集—共集放大电路



两只不同型号的管子复合后的型号与第一个管子的型号相同

多加一根管子的优点:
1、此处的β为β1和β2的乘积,因此(1+β)R’L 远大于rbe ,电压增益更加接近1,电压跟随效果更好
2、输入电阻增大了
3、输出电阻变小了
总之,更加接近理想的电压跟随器
4.7放大电路的频率响应
研究放大电路的动态指标(主要是增益)随信号频率变化时的响应
4.7.1 单时间常数RC电路的频率响应
4.7.2 放大电路频率响应概述
直接耦合放大电路——等效为一个RC常数


直接耦合放大电路——等效为两个RC常数


若不满足fH2 >4fH1 ,则上限频率点会左移。

一阶RC的相移最大为90°,二阶为180°
若fH2 =fH1,斜率不同

阻容耦合:

前一个高通电路为耦合电容、旁路电容的等效
后一个低通电路为PN结电容、分布电容的等效

如何等效?

修改频率响应时,改C不改R,因为改C不会影响静态工作点,也不会影响通频带内的指标。
降低fL 增大C1
增大fH减小C2 (无法实现,需要换三极管,因为是结电容)
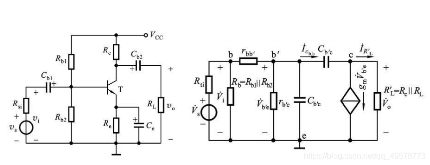
4.7.3 单极共射极放大电路的频率响应
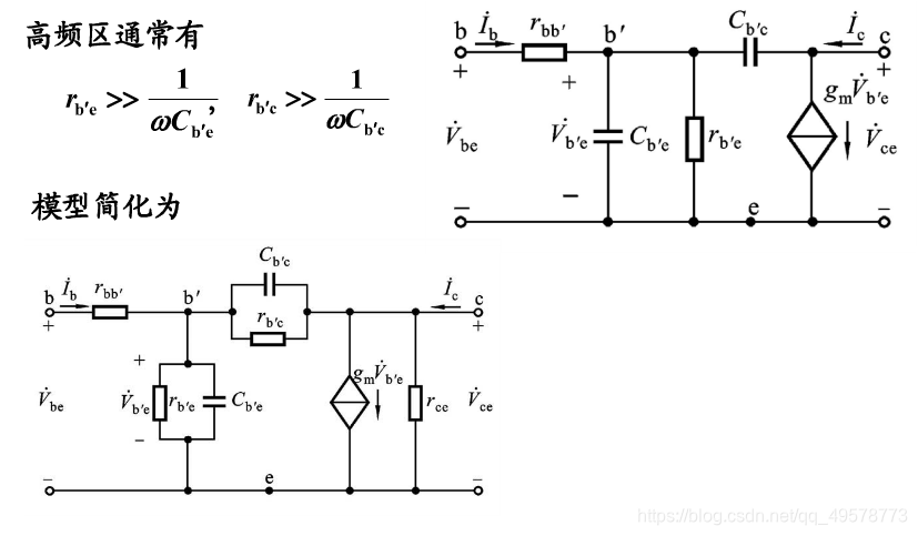
混合Π型高频小信号模型:





结论:β与频率有关,这就是为什么模型中用gm 不用β的原因
fT :β下降到只有一倍时所对应的频率
增益和带宽的乘积是常数
高频小信号等效模型:







低频等效电路:









4.7.4 单极共集电极和共基极放大电路的高频响应
4.7.5 多级放大电路的频率响应
https://www.doc88.com/p-9169490491757.html

















