1. UART
UART(通用异步收发器)指的是一种物理接口形式(硬件)。

UART是异步,全双工串口总线。它比同步串口复杂很多。有两根线,一根TXD用于发送,一根RXD用于接收。
UART的串行数据传输不需要使用时钟信号来同步传输,而是依赖于发送设备和接收设备之间预定义的配置。
对于发送设备和接收设备来说,两者的串行通信配置应该设置为完全相同。

-
起始位:表示数据传输的开始,电平逻辑为“0” 。
-
数据位:可能值有5、6、7、8、9,表示传输这几个bit 位数据。一般取值为8,因为一个ASCII 字符值为8 位。
-
奇偶校验位:用于接收方对接收到的数据进行校验,校验“1” 的位数为偶数(偶校验) 或奇数(奇校验),以此来校验数据传送的正确性,使用时不需要此位也可以。
-
停止位:表示一帧数据的结束。电平逻辑为“1”。
如果用通用IO口模拟UART总线,则需一个输入口,一个输出口。
2. I2C总线
I2C总线是一种同步、半双工双向的两线式串口总线。它由两条总线组成:串行时钟线SCL和串行数据线SDA。
-
SCL线——负责产生同步时钟脉冲。
-
SDA线——负责在设备间传输串行数据。
该总线可以将多个I2C设备连接到该系统上。连接到I2C总线上的设备既可以用作主设备,也可以用作从设备。

-
主设备负责控制通信,通过对数据传输进行初始化,来发送数据并产生所需的同步时钟脉冲。
-
从设备则是等待来自主设备的命令,并响应命令接收。
主设备和从设备都可以作为发送设备或接收设备。无论主设备是作为发送设备还是接收设备,同步时钟信号都只能由主设备产生。
如果用通用IO口模拟I2C总线,并实现双向传输,则需一个输入输出口(SDA),另外还需一个输出口(SCL)。
3. SPI
SPI(串行外设接口)。SPI总线是同步、全双工双向的4线式串行接口总线。它是由“单个主设备+多个从设备”构成的系统。

在系统中,只要任意时刻只有一个主设备是处于激活状态的,就可以存在多个SPI主设备。常运用于AD转换器、EEPROM、FLASH、实时时钟、数字信号处理器和数字信号解码器之间实现通信。
为了实现通信,SPI共有4条信号线,分别是:
- MOSI(Master Out Slave In,主设备出、从设备入):由主设备向从设备传输数据的信号线,也称为从设备输入(Slave Input/Slave Data In,SI/SDI)。
- MISO(Master In Slave Out,主设备入、从设备出):由从设备向主设备传输数据的信号线,也称为从设备输出(Slave Output/Slave Data Out,SO/SDO)。
- SCLK(Serial Clock,串行时钟):传输时钟信号的信号线。
- SS(Slave Select,从设备选择):用于选择从设备的信号线,低电平有效。
SPI 的工作时序模式由CPOL(Clock Polarity,时钟极性)和CPHA(Clock Phase,时钟相位)之间的相位关系决定,CPOL 表示时钟信号的初始电平的状态,CPOL 为0 表示时钟信号初始状态为低电平,为1 表示时钟信号的初始电平是高电平。CPHA 表示在哪个时钟沿采样数据,CPHA 为0 表示在首个时钟变化沿采样数据,而CPHA 为1 则表示在第二个时钟变化沿采样数据。
4. UART、SPI、I2C小结

- I2C线更少,比UART、SPI更为强大,但是技术上也更加麻烦些,因为I2C需要有双向IO的支持,而且使用上拉电阻,抗干扰能力较弱,一般用于同一板卡上芯片之间的通信,较少用于远距离通信。
- SPI实现要简单一些,UART需要固定的波特率,就是说两位数据的间隔要相等,而SPI则无所谓,因为它是有时钟的协议。
- I2C的速度比SPI慢一点,协议比SPI复杂一点,但是连线也比标准的SPI要少。
- UART一帧可以传5/6/7/8位,I2C必须是8位。I2C和SPI都从最高位开始传。
- SPI用片选信号选择从机,I2C用地址选择从机。
5. RS232串口通信
传输线有两根,地线一根。电平是负逻辑:
-3V~-15V逻辑“1”,+3V~+15V逻辑“0”。
RS-232串口通信传输距离15米左右。可做到双向传输,全双工通讯,传输速率低20kbps 。
下图是DB9公头和母头的定义,一般用的最多的是RXD、TXD、GND三个信号。


5.1 补充:TTL和RS-232互转
单片机接口一般是TTL电平,如果接232电平的外设,就需要加TTL转RS232的模块。如下图,可用芯片MAX232进行转换。

6. RS422串口通信
RS-422有4根信号线:两根发送、两根接收和一根地线。全双工通信。
它有一个主设备,其余为从设备,从设备之间不能通信,所以RS-422支持点对多的双向通信。

7. RS485串口通信
RS-485采用平衡发送和差分接收,因此具有抑制共模干扰的能力。
采用两线半双工传输,最大速率10Mb/s,电平逻辑是两线的电平差来决定的,提高抗干扰能力,传输距离长(几十米到上千米)。
+2V~+6V逻辑“1”,-2~-6V逻辑“0”。
7.1 补充:TTL转RS-485
TTL转成RS-485很常见,比如MAX485,参考电路如下:

- RE引脚:接收器输出使能(低电平有效)。
- DE引脚:发送器输出使能(高电平有效)。可以直接通过MCU的IO端口控制。
8. TTL
嵌入式里面说的串口,一般是指UART口。4个pin(Vcc,GND,RX,TX),用TTL电平。
PC中的COM口即串行通讯端口,简称串口。9个Pin,用RS232电平。
串口、COM口是指的物理接口形式(硬件)。而TTL、RS-232、RS-485是指的电平标准(电信号)。

单片机与PC通讯示意图如下:

9. CAN
CAN是控制器局域网络的简称,是一种能够实现分布式实时控制的串行通信网络。CAN总线的功能复杂且智能。主要用于汽车通信。
CAN总线网络主要挂在CAN_H和CAN_L,各个节点通过这两条线实现信号的串行差分传输,为了避免信号的反射和干扰,还需要在CAN_H和CAN_L之间接上120欧姆的终端电阻。

每一个设备既可做主设备也可做从设备。CAN总线的通信距离可达10千米(速率低于5Kbps),速度可达1Mbps(通信距离小于40M)。
CAN总线采用"线与"的规则进行总线冲裁,1&0为0,所以称0为显性,1为隐性。
从电位上看,因为规定高电位为0,低电位为1,同时发出信号时实际呈现为高电位,从现象上看就像0覆盖了1,所以称0为显性,1为隐性。

10. USB
USB(通信串行总线)。USB接口最少有四根线,其中有两根是数据线,而所有的USB数据传输都是通过这两根线完成。它的通信远比串口复杂的多。
两根数据线采用差分传输,即需要两根数据线配合才能传输一个bit,因此是半双工通信,同一时间只能发送或者接收。
USB 规定,如果电压电平不变,代表逻辑1;如果电压电平变化,则代表逻辑0。




10.1 补充:USB转TTL
一般USB转串口都是用CH340G芯片。

11. SD卡
SD卡是一种存储卡,可用于手机作为内存卡使用。
嵌入式中,单片机与SD卡通信有两种模式:
-
SPI总线通信模式;
-
SD总线通信模式。

值得注意的是,SD总线模式中有4条数据线;SPI总线模式中仅有一条数据线(MOSI和MISO不能同时读数据,也不能同时写数据);这样在嵌入式中,单片机与SD卡通信时采用SD总线模式比SPI总线模式速度快几倍。
12. 1-WIRE总线
1-Wire由美国Dallas(达拉斯)公司推出,是一种异步半双工串行传输。采用单根信号线,既传输时钟又传输数据,而且数据传输是双向的。

单总线的数据传输速率一般为16.3Kbit/s,最大可达142 Kbit/s,通常情况下采用100Kbit/s以下的速率传输数据。
1-Wire线端口为漏极开路构或三态门的端口,因此一般需要加上拉电阻Rp,通常选用5K~10KΩ
主要应用在:打印墨盒或医疗消耗品的识别;印刷电路板、配件及外设的识别和认证。
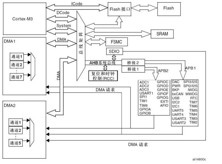
13. DMA
DMA(直接存储器访问)。DMA是STM32内的一个硬件模块,它独立于CPU,在外围设备和内存之间进行数据传输,解放了CPU,可使CPU的效率大大提高。

它可以高速访问外设、内存,传输不受CPU的控制,并且是双向通信。因此,使用DMA可以大大提高数据传输速度,这也是ARM架构的一个亮点——DMA总线控制。
DMA就相应于一条高速公路,专用、高速的特性。如果不使用DMA,也可以达到目的,只是达到目的的时间比较长。
14. Ethernet以太网
以太网是目前应用最普遍的局域网技术。
大家知道,以太网接口可分为协议层和物理层。
协议层是由一个叫MAC(Media Access Layer)控制器的单一模块实现。
物理层由两部分组成,即PHY(Physical Layer)和传输器。
目前很多主板的南桥芯片已包含了以太网MAC控制功能,只是未提供物理层接口。因此,需外接PHY芯片以提供以太网的接入通道。

网络变压器的作用是:
耦合差分信号,抗干扰能力更强;
变压器隔离网线端不同设备的不同电平,隔离直流信号。
以太网接口参考电路

参考资源:https://blog.csdn.net/mahoon411/article/details/118174797
















