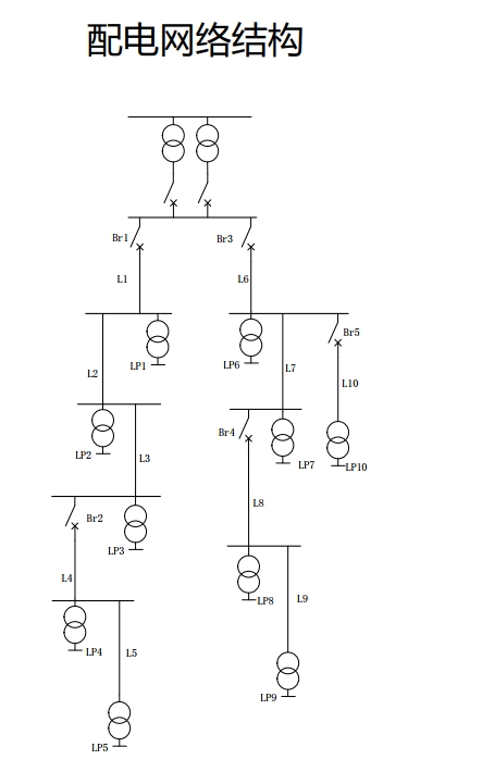
实现10负荷点的配电网蒙特卡洛可靠性计算matlab程序,代码有注释。

article/2025/10/17 0:09:18

实现10负荷点的配电网蒙特卡洛可靠性计算matlab程序,代码有注释。
请添加图片描述:2620651757875616浪迹天涯

请添加图片描述
请添加图片描述


http://chatgpt.dhexx.cn/article/t0GHQPbt.shtml

相关文章

软考:系统可靠性计算

系统可靠性计算是软件设计师考试的一个重点,近些年几乎每次考试都会考到,但这个知识点的难度不高,了解基本的运算公式,即可轻松应对。 可靠性计算主要涉及三种系统,即串联系统、并联系统和冗余系统,其中串…

可靠性设计

文章目录 可靠性设计方法:简化设计什么是可靠性设计?可靠性设计方法:余度设计(又称冗余设计)可靠性设计方法:裕度设计可靠性设计:热设计 可靠性设计方法:简化设计 已剪辑自: https://mp.weixin.qq.com/s?…

ETAP软件--可靠性计算

对单辐射架空线路进行可靠性计算过程。 图1 单辐射架空线路分段接线图 各元件可靠性参数如下: 架空线路故障停运率(次/百公里) 55.865 架空线路停电平均持续时间(小时) 4.1622 断路器故障停运率(次/百台) 1.699 断路器停电平均持续时间(小时) 4.8864 开关故障停运…

可靠性计算python库

这里的可靠性Reliability指的是工程领域中的硬件可靠性,而非软件可靠性。可靠性的相关计算需要经验积累,针对性强的相关开源软件是比较少的。以下是我在github上找到的两个可靠性计算python包。 可靠性简介 定义:可靠性是系统在规定的环境下…

可靠性(MTTF,MTTR,MTBF以及系统可靠性的计算,串联,并联,模冗余系统)

1.系统可靠性涉及的概念(1)平均无故障时间(Mean Time ToFailure,MTTF) MTTF指系统无故障运行的平均时间,取所有从系统开始正常运行到发生故障之间的时间段的平均值。(2)平均修复时间(Mean Time ToRepair,MTTR) MTTR 指系统从发生故障到维修结…

007 计算机系统知识——计算机可靠性计算

计算机可靠性计算 一、可靠性计算(串联系统、并联系统以及他们的组合) 各个子系统的可靠性分别用R1、R2……Rn,失效率(一个系统的失效率与该系统平均故障时间(MTBF)在数值上是成倒数的)分别用λ…

系统可靠性计算

系统可靠性是指从它可是运行(t0)到某时刻t这段时间内能正常运行的概率,用R(t)表示。 所谓失效率,是指单位时间内失效的原件数与元件总数的比例,用λ表示,当λ为常数时,可靠性与失效率的关系为:…

【PCIe小知识】如何区分PCIe协议中的P2P和E2E?

目录 1 P2P1.1 Point to Point1.2 Peer to Peer 2 E2E2.1 End to End 3 总结3.1 图示说明 1 P2P P2P有两层含义,需要先分清,它可以表示Peer to Peer(同级传输),也可以表示Point to Point(点对点&#xff0…

AUTOSAR E2EXf E2ESM Introduction

针对E2E 数据校验目前存在2种方式,如下 E2E Lib E2E PW: 采用这种方式的校验E2E_Check接口将返回E2E PXX Status(例子可参见E2E PXX Status Estimation) ,App 需要自行根据返回的E2E PXX Status来判断采取什么Action , 对于这种…

基于Vue源码中e2e测试实践

您好,如果喜欢我的文章,可以关注我的公众号「量子前端」,将不定期关注推送前端好文~ 基于Vue源码中e2e测试实践 前言技术选型&对Vue的参考Puppeteer测试流程在Concis中的实践项目目录整理Concis组件库 前言 最近半年博主一直在抽空自研一…

【测试与自动化】介绍-框架-Jest-覆盖率-异步代码-e2e-Vue测试

测试与自动化 软件测试和自动化测试介绍前端自动化测试框架使用Jest编写单元测试统计测试覆盖率使用Jest测试异步代码使用Cypress进行e2e测试测试 Vue 项目 软件测试和自动化测试介绍 了解什么是软件测试,以及自动化方式的测试 什么是软件测试? 定义&am…

AUTOSAR E2E Introduction

E2E – Functional Safety E2E 用于保护安全相关的数据交互,以防止数据在交互过程中因为” FAULT” 导致数据完整性,时效性,合法性出现问题, 比如HW RANDOM FAULT 导致数据被篡改 E2E 的使用可以满足ISO26262 -6 对于数据安全传输的要求, 最高可以满足ASILD 的要求 需要…

【小猫爪】AUTOSAR学习笔记12-功能安全之E2E模块

【小猫爪】AUTOSAR学习笔记12-功能安全之E2E模块 前言1 E2E模块简介2 E2E功能简介2.1 五种保护机制2.2 E2E的状态机2.3 E2E Protection Wrapper2.4 E2E 错误反馈方式 END 前言 从这一节开始,正式步入功能安全专题。这一节先来看一个与Communication Stack强相关的且…

AUTOSAR专项--E2E

1. E2E基本概念 E2E,全称叫做End To End。这个概念的提出是用于保护在ECU运行时与安全相关的数据交换不受通信链路中故障的影响。根据AUTOSAR E2E Protocol Specification描述,基于E2E的通信可以按照如下示例: 很明显,E2E在传输中用于防止MCU硬件的随机失效、通信总…

Vue中如何进行自动化测试与端到端测试(E2E测试)

Vue中如何进行自动化测试与端到端测试(E2E测试) Vue.js是一种流行的前端JavaScript框架,用于构建现代的单页应用程序。在Vue.js中,测试是一个非常重要的主题。测试可以确保代码的正确性,使代码更加可靠和可维护。在这…

前端测试:e2e测试

为什么进行测试 你是否有以下烦恼: 当你加班加点完成一个功能后,提交给测试部,立马返回几个bug 当你修改完bug后,并检查了好几遍,确保无误后,提交给测试部,有返回几个bug …… 对于以上情境…

【AUTOSAR-E2E】-1.1-End-to-End通信保护介绍(Functional Safety功能安全相关)

目录 1 常见的通讯故障以及E2E机制能够检出的通讯故障 2 Functional safety功能安全对通信的要求 3 通信故障的原因 3.1 软件故障 3.2 随机硬件故障 3.3 外部影响、环境压力 4 常见的“E2E通讯保护”解决方案 4.1 无E2E保护的信号数据流示例 4.2 E2E Protection Wrapper解决方案…

Autosar BSW层CAN通讯开发------08(Autosar的E2E开发-----以E2E Profile01为例)

Crc校验在CAN报文中的实际应用介绍: Crc在报文传输过程中的实际应用如下(在汽车中,Crc一般是对8个字节进行校验,目前我接触到的是这样): ECU-A和ECU-B之间进行CAN报文的传输,双方规定ECU-A发出的…

功能安全专题之端到端(E2E) 的通信保护

本文来自AUTOSAR技术资料。 前言 功能安全(Functional Safety)是一项系统特性,由于基于功能安全的设计会影响到系统设计,所以从系统开发初始阶段就要进行考虑。由于软件的复杂度会影响 到功能安全的设计,所以在AUTOS…

AUTOSAR的E2E通信安全

导语:近期项目中遇到一些E2E的诊断故障,涉及到整车需求和AutoSAR配置,对这个概念重新做了下梳理,与大家交流。由于E2E机制比较成熟,本文章内容更多出自于AutoSAR标准、ISO 26262 和相关文献,这里只捡重点和…