摘要:本文通过有效放大采集弱信号,经Multisim 14仿真验证,放大电路输出,波形形状不变、幅值增加,实现弱信号放大,Multisim14仿真软件可以放大电路的电压、选择性等参数,通过测试并仿真分析,结果直观、精确,具有强大仿真分析功能,在实现高频电路分析和设计方面高效可靠,促使企业可以进行放大电路仿真分析,优化弱信号的放大质量。
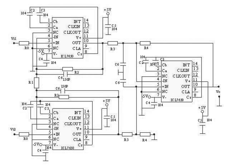
ICL7650斩波稳定运算放大器芯片是ntersi的第4代运算放大器,性能优越且稳定,被广泛用作精密仪器,用于弱信号检测和过程控制系统中的前置放大器,ICL7650具有以下特性:极低的输入失调电压,在整个工作温度范围内,低输入偏置电流,温度漂移和长期失调电压漂移低,转换速率高,内部有钳位电路,可以减少过载时的恢复时间,并且在入口和出口端有很小的截止峰值泄漏。结合仪表放大器原理,实际电路设计是输入电流狠制保护电阻。ICL7650的电路是用来滤涂电源电压引起的干扰,采样电容器动态零位校准中起着关键作用,直接影响运算放大器自动零位稳定的精度。因此,从聚乙烯材料中选择高质量的电容器,组成滤波器网络,以滤除ICL7650模拟开关的切换引起的尖峰噪声,并减少输出电压的过冲。电路的第一级是两个ICL7650对称集成运算放大器,具有高输入阻抗和共模抑制比,并将双端输入更改为单端输出。由于失调电压和整个电路的漂移相关,可以选择具有超低失调电压和超低漂移的ICL7650集成运算放大器,作为高精度的放大器,ICL7650的翰入通常只有几百微伏甚至几十微伏时才能正常工作,创建仿真电路原理图,设置功能信号发生器,以仿真传感器发送的微弱信号,将输入信号频率设置为20Hz,幅度设置为10uV,输出信号的波形10uV交流信号由放大器电路放大,可以获得30mV交流信号的电压,电路幅度-频率特性测试,设计的放大器电路主要用于放大弱的低频信号,并且还具有高频抑制功能,设置合理的参数,并显示电路的福频特性曲线,调整参数后,可以使电路失真为零,电路具有较高的建模质量。


为了模拟传感器送来的微弱信号, 设置输入信号的频率为20Hz, 幅度为 10uV。如图 3 所示。

10uV 交流信号经过图 2 放大电路放大, 可得到 30mV 的电压交流信号, 如图4所示。

电路幅频特性测试:本文设计的放大电路主要是放大低频微弱信号, 对高频也有一定的抑制, 双击 XBP1 波特图 示仪的图标, 设置合理的参数, 显示出电路的幅频特性曲线, 如图 5 图6所示, 在图中曲线的中间水平 线中可以清楚得到电路的增益为 63.602dB,用鼠标拖动读数轴可得上限频率 fH =300.788Hz, 下限 频率 fL=0, 频带宽度 B= fH - fL =300.788Hz.。


电路失真度测试 :双击 XDA1 的失真度测量仪图标, 出现如图 7 图8 所示界面, 调整好参数, 可得到电路的失真度为零, 信噪比是 100dB, 所以本电路 信噪比高, 噪音小。


本文针对传感器输入信号的特点设计了微弱电信号的前置放大电路,并运用 Multisim 14 软件进行了功能仿真。由于采用的斩波 稳零运放 ICL7650 有极低的失调电压和漂移, 使得电路有良好的性能, 经仿真, 各参数基本上都达到了设计要求。此放大电路结构 简单, 效果良好, 对微弱的直流、低频信号的前置放大具有一定的使用价值。