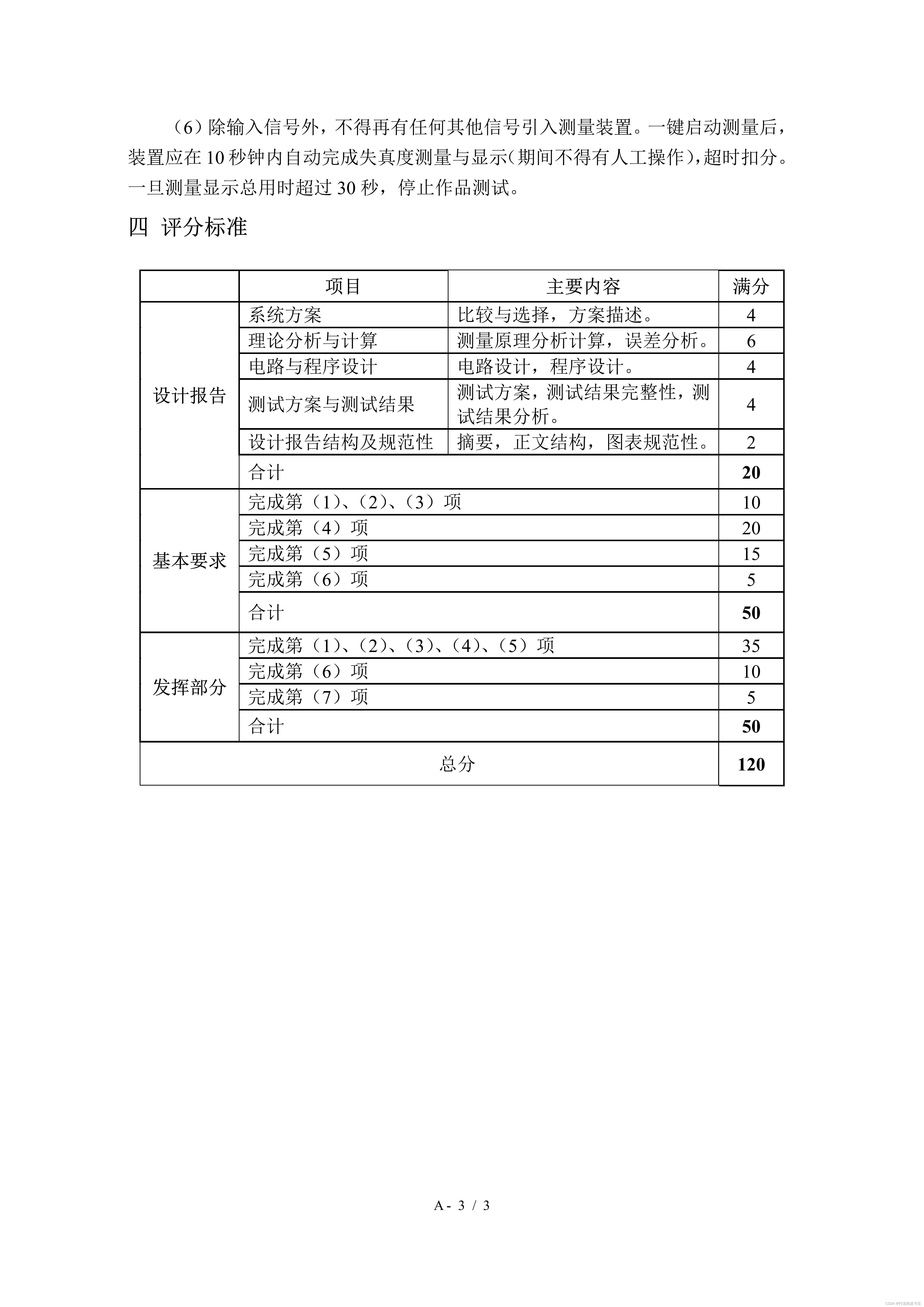
一、简介
全国大学生电子设计竞赛“TI杯”模拟电子系统设计专题邀请赛,是全国大学生电子设计竞赛的一项专题邀请赛(以下简称邀请赛)。竞赛自2010年起每逢双年举办,并设TI杯。邀请赛贯彻全国大学生电子设计竞赛的宗旨,坚持“政府主办、专家主导、学生主体、社会参与”的方针,通过竞赛促进电子信息类学科专业基础课教学内容的更新、整合与改革,培育大学生创新意识、动手能力和工程实践能力。
邀请赛将以模拟电子系统设计为主题,由专家组在模拟信号获取、处理、转换、产生,以及
变流技术等方面进行命题。邀请赛采用全封闭式竞赛模式,参赛队根据命题的要求,在指定地点统一进行,在规定时间内使用竞赛现场统一提供的条件资源,自主创新、自我发挥完成命题要求,独立完成一个有一定功能的应用系统(竞赛作品)参加评奖。
模拟电子设计系统邀请赛原本定于2022年8月16日—20日在杭州电子科技大学举行,但由于疫情变化调整高风险范围,赛区杭州电子科技大学被实行封控管理。最终在学生入住酒店就地封闭,进行模拟电子系统设计竞赛。原本的三道题改为一题,即为X题。
二、赛题

李萨如(Lissajous)图形演示装置(X 题)
1.任务
设计并实现李萨如(Lissajous)图形演示装置,如图 1 所示。输入正弦信号作为 x 轴 信号,其峰峰值 2V,频率 1.5kHz~2kHz;对输入的正弦信号进行幅度和频率变换后产生 y 轴信号;装置显示器上显示对应的李萨如(Lissajous)图形。

图 1 李萨如(Lissajous)图形演示装置示意图
2.要求
(1) y 轴与 x 轴信号频率倍数 1~5 倍程控可调,1 倍步进;频率误差绝对值不大于 100Hz。(30 分)
(2) y 轴信号峰峰值 1V、2V、3V 程控可选;幅度误差绝对值不大于 0.1V。(18 分)
(3) y 轴正弦信号可转换为相应的三角波信号。 (10 分)
(4) 装置可测量并显示 y 轴与 x 轴信号初始相位差(参见图 1 中 φ),测量误差绝对值不大于 5°。(12 分)
(5) 装置显示器上显示李萨如(Lissajous)图形。(20 分)
(6) 其他。(10 分)
(7) 设计报告。(10 分)

3.说明
(1) 装置内“信号变换”部分,不允许使用数字信号处理方法(测试时将核查)。建议:频 率控制使用锁相环+计数器实现;幅度控制可使用数字电位器、模拟开关、场效应管可 变电阻等控制运放增益。
(2) 装置需提供唯一的 y 信号输出测量接口。
三、器件
这里提供给大家,是为了营造真实的比赛环境,以此提高自己的能力。
1.HPI-1000 多功能口袋仪器
HPI-1000口袋仪器是一个小型USB多功能仪器,它集示波器、信号源、逻辑分析仪、频谱分析仪、固定电源与程控电源于一身,功能强大,携带方便,甚至不需要单独电源供电。HPI-1000口袋仪器可以让学生的宿舍、家里、理论课课堂上完成电路分析、模电、数电等各类实验的测量工作,是一款高性价比的小型综合测试测量工具。
这里不过多描述,大家如要备赛,完全可以使用实验室仪器完成。
2.必发器件
面包板*2

3.器件清单
芯片再领用是需要另外登记的,损坏器件、多用器件是会影响竞赛成绩的

四、整体系统结构图
有空再写吧
五、分部设计
1.倍频
没时间,有同学希望提供一个倍频方案,这里原理大家自己去查。













