matlab由滤波的系数得到传输函数 设计带通滤波器 design fdatool设计IIR带通滤波器

article/2025/10/22 9:00:04

写在前面的话:

由滤波器系数得到传输函数:

使用matlab fdatool设计滤波器,得到幅频响应,得到滤波器系数,由系数如何得到滤波器的参数?

我的方法是 使用:点击Filt-Export to simulink Model, simulink打开后,出现了简单的滤波器或者在 simulink中设计滤波器,双击设计好的滤波器,可以参看其框图,根据框图可以将传输函数写出,即可得到滤波器的参数。

看到一个带通滤波器的设计如下,开始研究是如何设计的

带通滤波器设计matlab代码:

band_low = 0.3;       
band_high = 1.2;       
fs_origin = 25; 
hd_band = design(fdesign.bandpass('N,F3dB1,F3dB2',4,band_low,band_high,fs_origin),'butter'); %带通滤波器
%fvtool(hd_band); % view
measure(hd_band) %Measure the frequency response characteristics of the filter 
%filtered = filter(hd_band,x);  % 滤波器的使用,输入数组x,输出数组filtered

查看官网MathWorks,找到关于滤波器的设计design,带通滤波器的设计fdesign.bandpass

The fdesign.bandpass function returns a bandpass filter design specification object that contains specifications for a filter such as passband frequency, stopband frequency, passband ripple, and filter order. Use the design function to design the filter from the filter design specifications object.

本处只解析此处滤波器的设计参数,若查看更多,移至官网MathWorks

  • N:Filter order for FIR filters. Or both the numerator and denominator orders for IIR filters when Na and Nb are not provided. Specified using FilterOrder. 关于滤波其的阶数
  • F3dB1:Frequency of the 3 dB point below the passband value for the first cutoff, specified in normalized frequency units. Applies to IIR filters.
  • F3dB2:Frequency of the 3 dB point below the passband value for the second cutoff, specified in normalized frequency units. Applies to IIR filters.
  • Fs bandpassSpecs = fdesign.bandpass(___,Fs) provides the sample rate in Hz of the signal to be filtered. Fs must be specified as a scalar trailing the other numerical values provided. In this case, all frequencies in the specifications are in Hz as well. 

上面这句话解释了传入采样频率的必要性。

'N,F3dB1,F3dB2'butter

以上参数的设置使用与IIR butter

fdesign.bandpass('N,F3dB1,F3dB2',4,band_low,band_high,fs_origin)
show:  
bandpass (具有属性):Response: 'Bandpass'Specification: 'N,F3dB1,F3dB2'Description: {3×1 cell}NormalizedFrequency: 0Fs: 25FilterOrder: 4F3dB1: 0.3000F3dB2: 1.2000

fvtool(hd_band)% 查看幅频特性

measure(hd_band) %Measure the frequency response characteristics of the filter 

Sample Rate             : 25 Hz       
First Stopband Edge     : Unknown     
First 6-dB Point        : 250.7041 mHz
First 3-dB Point        : 300 mHz     
First Passband Edge     : Unknown     
Second Passband Edge    : Unknown     
Second 3-dB Point       : 1.2 Hz      
Second 6-dB Point       : 1.4315 Hz   
Second Stopband Edge    : Unknown     
First Stopband Atten.   : Unknown     
Passband Ripple         : Unknown     
Second Stopband Atten.  : Unknown     
First Transition Width  : Unknown     
Second Transition Width : Unknown  

使用fdatool同样实现此滤波器的设计

设计的滤波器通过File-Export导出到工作区;

也可以在analysis中查看器信息,比如系数、幅频、相频特性。比如查看analysis中点击Filter Information中可以看到fdesign使用的内容:'N,F3dB1,F3dB2'

完成了带通滤波器的设计,就在考虑如何转化为C语言代码,这里有个网站可以进行转化,设计滤波器转为C语言实现,但是结果并没有达到我想要的要求,我的目的是怎样将fdatool中设计的滤波器系数中得到其对应的传递函数H(Z),有了传递函数,就可以自己写C语言实现了

在上面fdatool设计的滤波器中,两种方法查看设计的滤波器,任意一种都可以;

  1. 点击Filt-Export to simulink Model, simulink打开后,出现了简单的滤波器,
  2. 或者采用如下图操作,从左到右三个按键

     

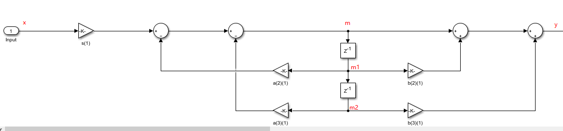
双击可以看到滤波器的内部结构,如图显示为两个二阶滤波器级联:

放大其中一个滤波器如下

简单作了标记如下

并给出其对应的C语言实现,此代码无法直接运行只是提取了一部分带通滤波器实现部分

/* IIR fourth-order filter coefficients */
typedef struct 
{float(*a)[3];float(*b)[3];float* gain;
} IIR_ORDER4_COEFF_T;/* Save the in-process' data of the second-order filter */
typedef struct 
{float m1;float m2;
} FILTER_ORDER2_T;/*三轴信号处理前的滤波:四阶带通(0.3-1.2)Hz)滤波,由两个二阶滤波级联起来*/
float a_raw[2][3] = {{ 1.00, (float)-1.9175958145710057, (float)0.9246554650412394 },    //第一级二阶滤波,分母{ 1.00, (float)-1.7227109782351659, (float)0.7854234338937474 }    //第二级二阶滤波,分母
};//分母
float b_raw[2][3] = {{ 1.00, (float)0.00, (float)-1.00 },    //第一级二阶滤波,分子{ 1.00, (float)0.00, (float)-1.00 }    //第二级二阶滤波,分子
};//分子
float gain_raw[2] = { (float)0.1048485643154691/*第一级增益*/, (float)0.1048485643154691/*第二级增益*/ };/******************************************************************************/
/** Start, initialize the parameters
* @param[in]
*
* @return
*
*//*
* History        :
* 1.Date         : 2020/8/28
*   Author       : 
*   Modification : Created function*******************************************************************************/
void StartSwim(void) 
{/* signal filter parameter initialization */IIR_Raw.a = a_raw;IIR_Raw.b = b_raw;IIR_Raw.gain = gain_raw;
}/*
x: input
m1:保存中间滤波器数据
m2:保存中间滤波器数据
a:滤波器系数
b:滤波器系数
gain:增益,对于只支持定点小数运算的,需要把增益分配到每个二阶IIR滤波器的系数中,使得每次中间的结果都不溢出,即使其频率响应的最大值最接近0dB
*/
float filterOrder2(float* x, float* m_1, float* m_2, float* a, float* b, float* gain){float y, m;//计算没有增益的滤波输出,存于y_m = *x - a[1] * *m_1 - a[2] * *m_2;    //求当前m,同时作为求y_的中间步骤y = m + b[1] * *m_1 + b[2] * *m_2;//更新*m_1和*m_2*m_2 = *m_1;*m_1 = m;//返回带增益的滤波输出return y* *gain;
}/******************************************************************************/
/** filter: Fourth-order filter, direct type II
* @param[in]
* filter_state	:Store the middle state of the filter
* @return
*
*//*
* History        :
* 1.Date         : 2020/8/28
*   Author       : 
*   Modification : Created function*******************************************************************************/
float FilterOrder4(float data, FILTER_ORDER4_T* filter_state, IIR_ORDER4_COEFF_T* IIR_coeffs)
{float data_filtered;filter_state->first_order2_out = filterOrder2(&data, &filter_state->first_order2.m1, &filter_state->first_order2.m2, IIR_coeffs->a[0], IIR_coeffs->b[0], IIR_coeffs->gain);  //第一级二阶滤波data_filtered = filterOrder2(&filter_state->first_order2_out, &filter_state->second_order2.m1, &filter_state->second_order2.m2, IIR_coeffs->a[1], IIR_coeffs->b[1], &IIR_coeffs->gain[1]);  //第二级二阶滤波return data_filtered;
}/******************************************************************************/
/** Band-pass filtering for the norm data: 0.25-2Hz
* @param[in] x:norm data
*
* @return filtered data
*
*//*
* History        :
* 1.Date         : 2020/8/28
*   Author       : 
*   Modification : Created function*******************************************************************************/
float BandFilter(float x)
{float y = FilterOrder4(x, &xyz_filter, &IIR_vec);return y;
}

关于fdatool设计的带通滤波器的系数使用

使用Matlab的FDAtool工具可以很方便地设计IIR滤波器。使用File菜单中的export选项可以把滤波器的参数输出到Matlab的工作空间中。若滤波器为IIR型,则输出的变量名为G和SOS。它把高阶的IIR滤波器转换为一系列二阶IIR滤波器的级联。SOS为二阶IIR滤波器的系数(b,a),G为各级的增益系数,可用来调节各级通带的衰减。计算IIR滤波器的输出的时候,先将输入数据乘以G, 然后一一通过SOS中的每个IIR滤波器,就得到最终的结果了。

SOS的每一行表示一级二阶IIR滤波器系[b0,b1,b2,a0,a1,a2],G的每个元素表示相应级的增益系数。也即将G乘上SOS的b0,b1,b2。得到一组新的滤波器系数SOS',可调用MATLAB滤波函数sosfilt对输入信号进行滤波。

但是如果二阶IIR滤波器的程序只支持定点小数运算的话,那么就需要调整一下系数了。因为设计出来的G有时候很小(不知道会不会很大),这样一旦把输入数据乘以G后,就会使得二阶IIR滤波器的输入过小,造成很大的误差。我们需要把G分配到每个二阶IIR滤波器的系数中,使得每次得到的中间结果都刚好不会溢出。若以IIRi表示第i个二阶IIR滤波器的话,则我们需要保证IIR1, IIR1 * IIR2, IIR1 * IIR2 * IIR3, … 的频率响应都不超过0dB,*号表示级联。为了使得输出的精度最好,我们还需要让上面这些滤波器的频率响应中的最大值最接近0dB。

级联型:将系统传递函数H(z)因式分解为多个二阶子系统,系统函数就可以表示为这些二阶子系统传递函数的乘积。实现时将每个二阶子系统用直接型实现,整个系统函数用二阶环节的级联实现。

高阶IIR滤波器的实现是采用二阶滤波器级联的方式来实现的。默认情况下,Filter Coefficients把结果分成多个2阶Section显示,其中还有增益。增益的目的是为了保证计算的精度和系统的稳定性。

 

简单介绍低通滤波器的使用,其函数参考fdesign官网

如下

简单设计了低通滤波

%% 低通滤波
function filtered = LowFilter(x)
fs_origin=1;
fc=0.03;
N=4;
hd_low = design(fdesign.lowpass('N,F3dB',N,fc, fs_origin),'butter');
filtered = filter(hd_low,x); 
end

..

 


http://chatgpt.dhexx.cn/article/jxB3ZSSK.shtml

相关文章

带通滤波器的设计

一、滤波器:滤波器按照频带划分可以分为:低通滤波器(LPF)、高通滤波器(HPF)、带通滤波器(BPF)、带阻滤波器(BEF)。其中射频天线领域主要采用带通滤波器(BPF)。 二、带通滤波器(BPF): ①:RF BPF:从天线中取出期望频带的…

【matlab图像处理】理想低通滤波器

实验原理: 在一幅图像中,低频部分对应图像变化缓慢的部分即图像大致外观和轮廓,高频部分对应图像变化剧烈的部分即图像细节,图像噪声也属于高频部分。低通滤波器的功能是让低频率通过而滤掉或衰减高频,效果是图像去噪平…

Matlab滤波器的设计

在IIR滤波器设计过程中,通常利用模拟滤波器来设计数字滤波器,首先要根据滤波器的性能指标设计出相应的模拟滤波器的系统传递函数G(s),然后由传递函数G(s)经Z变换得到所需要的数字滤波器的离散型传递函数。常用的Z变换方法有冲激响应不变法和双…

[Matlab]巴特沃夫滤波器设计:低通、高通、带通和带阻(1)

[Matlab]巴特沃夫滤波器设计:低通、高通、带通和带阻-------(1) ​ 巴特沃斯滤波器(Butterworth filter)称作最大平坦滤波器。巴特沃斯滤波器的特点是通频带内的频率响应曲线最大限度平坦,没有纹波&#x…

基于MATLAB的Filter使用,低通、带通和高通滤波器的MATLAB程序分享

基于MATLAB的Filter使用,低通、带通和高通滤波器的MATLAB程序分享 完整程序如下: clear all close all clc %% Parameter Interface Frequence0 60; %单位:Hz Frequence1 130; %单位:Hz F…

MATLAB —— 低通滤波器设计与信号滤波

百度百科 - 简介: 低通滤波器是容许低于截止频率的信号通过, 但高于截止频率的信号不能通过的电子滤波装置。 (1)提取滤波器(系数矩阵) 打开工具: MATLAB - APP - Filter Designer 参数设置&am…

低通滤波-matlab低通滤波程序

本例程展示了信号处理中低通滤波的作用,首先生成一个高斯白噪声,然后对其进行低通滤波。低通滤波器的截止频率和Q值可以自己设定,得到低通滤波器的传输函数后,在经过双线性变换法得到其单位脉冲响应。滤波后对原始信号的频谱和滤波…

模拟和数字低通滤波器的MATLAB实现

转自:http://blog.sina.com.cn/s/blog_79ecf6980100vcrf.html 低通滤波器参数:Fs8000,fp2500,fs3500,Rp1dB,As30dB,其他滤波器可以通过与低通之间的映射关系实现。 %%模拟滤波器 %巴特沃斯——…

matlab低通滤波

低通滤波器的功能是让低频率通过而滤掉或衰减高频,其作用是过滤掉包含在高频中的噪声。所以低通滤波的效果是图像去噪声平滑增强,但同时也抑制了图像的边界,造成图像不同程度上的模糊。 大于大小为MN的图像,频率点(u&…

基于MATLAB的filter的使用,低通、带通和高通滤波器设计

1、目的 学习MATLAB的filter函数的使用,通过设计低通、带通和高通滤波器对其进行仿真 2、用到的主要函数和工具 MATLAB、FDATOOL、filter、fft 3、设计 信号的产生 %% Parameter Interface Frequence0 60; %单位:Hz Frequenc…

Matlab中的滤波器

在matlab中我们需要生成滤波器时,可以使用matlab中自带的工具。 在matlab命令窗口中输入filterDesigner,出现下列窗口。 在这里根据需要设计自己所需要的滤波器即可。 设计完滤波器之后如果我们想要以函数的方式使用我们的滤波器,那么我们可…

【DSP教程】第36章 FIR滤波器的Matlab设计(含低通,高通,带通和带阻)

完整版教程下载地址:http://www.armbbs.cn/forum.php?modviewthread&tid94547 第36章 FIR滤波器的Matlab设计(含低通,高通,带通和带阻) 本章节讲解FIR滤波器的Matlab设计。主要是函数fir1和fir2的使用。 目录 36.1 窗函数 36…

1.巴特沃斯模拟滤波器(低通,高通,带通,带阻)设计-MATLAB实现

本文是模拟滤波器设计,如果需要了解数字滤波器的内容,可以按顺序看我写的另外两篇博客,如下: 2.MATLAB实现无限脉冲响应数字滤波器(IIR) 3.MATLAB实现有限脉冲响应数字滤波器(FIR)…

matlab设计模拟带通滤波器

简单记录下在matlab上如何设计出模拟的带通滤波器,包括:巴特沃斯滤波器、切比雪夫I型滤波器、切比雪夫II型滤波器、椭圆型滤波器。 代码如下: %设计带通滤波器 %巴特沃斯、切比雪夫I型、切比雪夫II型、椭圆型滤波器clear all;%wp和ws分别是通…

学习如何在matlab用带通滤波器进行滤波

如何在matlab用带通滤波器进行滤波? 主要内容是在知乎上看到的一篇文章 链接: https://zhuanlan.zhihu.com/p/152647067?from_voters_pagetrue.可以直接看这篇文章。 以带通滤波器——巴特沃斯滤波器为例 matlab给出的代码如下:[n,Wn] buttord(Wp,W…

matlab设计低通滤波器

matlab设计低通滤波器 文章目录 matlab设计低通滤波器 前言一、什么是滤波器?二、滤波器的技术指标三、滤波器的分类四、巴特沃斯低通滤波器设计1.输入信号设置2.设计滤波器3.滤波器输出信号 五、采用ADI公司的滤波器向导设计滤波器 前言 例如:随着人工…

matlab实现低通、高通、带通、带阻滤波

MATLAB滤波常用函数 模拟滤波器阶数选择函数 buttord 功能:计算butterworth模拟滤波器的阶数 调用格式: [n,Wn]buttord(Wp,Ws,Rp,Rs,s); % 参数中的n是求出模拟滤波器最小的阶数,Wn是等效低通滤波器的截止频率;Wp和Ws分别是通…

matlab制作数字滤波器(带通滤波器)

一、目的 使用matlab中自带的工具fdatool制作带通滤波器,对数据进行滤波。 二、过程 如图,使用该工具制作了一个带通滤波器,频率为130-180Hz,使用汉明窗截短,滤波器的阶数为250。 滤波器的冲击响应如下图 将生成的滤…

matlab实现带通滤波

以带通滤波器——巴特沃斯滤波器为例 matlab给出的代码如下:[n,Wn] buttord(Wp,Ws,Rp,Rs) 首先要先理解一个带通滤波器的幅频特性图中,分为通带、阻带、过渡带三大部分。 通带截止频率和阻带截止频率对这三部分进行划分,二者之间的部分即…

PTAM算法流程介绍

相关工作:1、摄像机校正 2、特征提取(FAST角点特征、扭曲图像的直线特征优化) 3、极线几何与极线搜索 4、RANSAC(随机采样一致)及N点算法(主要围绕5点算法) 5、Bundle Adjustment(光…