NE555产生方波

article/2025/10/12 16:09:25

NE555详解
在这里插入图片描述
上图是芯片的引脚图
在这里插入图片描述
上图是芯片的内部结构图,脚号与第一张图的引脚相对应
从结构图可以得出下表:
在这里插入图片描述
接下来看应用图;
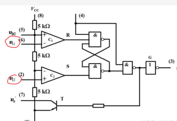
在这里插入图片描述这是从CSDN上得到的一个方波发生器的原理图,对齐进行分析:

原理图将6和2脚连在一起,在这里插入图片描述
所以芯片的两个输入连在一起,芯片的输入变成只有一个,成为Ui。将输出电压称为Uo
由逻辑表可以得出,
Ui<1/3Vcc-----------Uo=1,T截止,Vcc开始给C1充电,通路为Vcc-R1-D1-R4-C1。 Ui增大到>2/3Vcc时----------------Uo=0,T导通
T导通后7脚变成GND,电容C1开始通过R4-D2-R2-7脚放电。C1的电压开始下降,下降到1/3Vcc时,重复上述的操作,于是Uo输出方波。

接下来计算充放电时间(占空比)
在这里插入图片描述
上述计算的占空比由R1、R2、R4决定,设定R1=R2,占空比为50%,但是结论是在忽略了二极管的导通电阻的情况下的出来的,由于在充放电过程中电流的大小不一样,二极管对充放电的时间影响不同。
由于R4可以调节,所以这个电路的方波的周期T可调。

仿真中设置R1=R2,通过电压表测量的平均值=2.471, 说明是充电的时间小于放电的时间,可能是由于充电的电压为Vcc,而放电的初始值为2/3Vcc,而从充电的速度比放电快。根据2.471可以得出精确的占空比为2.471除以5=0.4942–>50%。

在这里插入图片描述


http://chatgpt.dhexx.cn/article/hFgri4NK.shtml

相关文章

如何使用NE555产生方波

NE555在很多电路设计中都会用到&#xff0c;常用来实现施密特触发器&#xff0c;单稳态触发器和多谐振荡器 常用的NE555是这种八脚的&#xff0c;大家可以看下引脚定义 首先我们来看下NE555的内部构造&#xff1a; C1和C2是两个运放比较器&#xff0c;内部的这三个电阻阻值都是…

NE555

555定时器是电子工程领域中广泛使用的一种中规模集成电路&#xff0c;它将模拟与逻辑功能巧妙地组合在一起&#xff0c;具有结构简单、使用电压范围宽、工作速度快、定时精度高、驱动能力强等优点。555定时器配以外部元件&#xff0c;可以构成多种实际应用电路。广泛应用于产生…

NE555振荡电路

NE555振荡电路 简介 NE555是属于555系列的计时IC的其中的一种型号&#xff0c;555系列IC的接脚功能及运用都是相容的&#xff0c;只是型号不同的因其价格不同其稳定度、省电、可产生的振荡频率也不大相同&#xff1b;而555是一个用途很广且相当普遍的计时IC&#xff0c;只需少…

蓝桥杯单片机(七)NE555

上一章讲了蓝桥杯单片机如何输出PWM波 蓝桥杯单片机(六)PWM 这一章讲解蓝桥杯单片机开发板上的NE555方波发射器的频率测量&#xff0c;这也是近几年的考点。 首先看原理图&#xff1a; 由数电的知识&#xff1a; NE555的周期T0.7(RaRb)C 频率f1/T图中R8为定值电阻&#xff0c…

NE555方波发生器

基础知识 NE555不需要进行编程&#xff0c;或者与单片机进行通信&#xff0c;它本身就能产生方波。方波的频率可以调节&#xff0c;只要改变电阻电容的值就可以了。 电路原理 方波产生在排针J3的15&#xff08;SIGNA&#xff09;脚上&#xff0c;方波的频率通过Rb3电位器进行调…

NE555 工作模式介绍

&#x1f496; 作者简介&#xff1a;大家好&#xff0c;我是泽奀。全栈领域新星创作者&#x1f3c6; 作者周榜:78 &#x1f451; &#x1f4dd; 个人主页&#xff1a;weixin_52632755的博客_泽奀_CSDN博客 &#x1f4ac; 本系列&#xff1a;【电子】系列_泽奀的博客-CSDN博…

NE555定时器

基本原理&#xff1a; 低电平触发端&#xff1a;TRIG 高电平触发端&#xff1a;THR 两者的电压值小于参考电压时&#xff0c;即U。1 放电管截止 两者的电压值大于参考电压时&#xff0c;即U。1 放电管导通 蓝桥杯板子上是一个信号发生电路 通过继电器RB3来改变输入信号的频…

使用NE555实现的延时开关电路

NE555 的电气特性 555系列有几种不同的规格 NE555是民用版本, 推荐的工作温度是 0 - 70 NA555, SA555, SE555 是工业版本, 推荐工作温度为 -40 - 100 电压: 最高18V, 推荐工作电压15V以内 电流: Pin3 输出电流支持 225 mA, 推荐的工作电流区间是 200 mA. 注意: 支持反向的电…

Android NE问题分析方法介绍

文章目录 简介Native内存布局NE问题常见类型常用调试工具tombstone抓取流程实例分析tombstone文件内容举例 简介 NE&#xff0c;全称Native Exception&#xff0c;在Android中主要指在用户空间运行的native程序或者natvie库发生异常。NE问题通常带来程序奔溃现象&#xff0c;导…

认真学习设计模式之适配器模式(Adapter Pattern)/包装器模式

【1】适配器模式 ① 介绍 适配器模式是将一个类的接口&#xff0c;转换成客户期望的另一个接口。适配器让原本接口不兼容的类可以合作无间。 适配器的作用可以简单通过下图得知&#xff0c;OO适配器就是将一个接口转换成另一个接口&#xff0c;以符合客户的期望。 实际场景应…

学习:java设计模式—Adapter模式

1、核心意图&#xff1a; 将一个类的接口转换成客户希望的另外一个接口&#xff0c;从而使得原本由于接口不兼容而不能一起工作的类可以一起工作。 该模式的目标是通过一个代理&#xff08;这里是Adapter&#xff09;&#xff0c;在原来的类&#xff08;Adaptee&#xff09;和客…

23种设计模式之适配器模式(Adapter模式)

转载地址 https://sscloud.net/solution/jsp/article.jsp?articleId10090 模式的定义与特点 23种设计模式demo下载 适配器模式&#xff08;Adapter&#xff09;的定义如下&#xff1a;将一个类的接口转换成客户希望的另外一个接口&#xff0c;使得原本由于接口不兼容而不能一…

安卓设计模式のAdapter模式

1. 模式介绍 模式的定义 适配器模式把一个类的接口变换成客户端所期待的另一种接口&#xff0c;从而使原本因接口不匹配而无法在一起工作的两个类能够在一起工作。 使用场景 用电源接口做例子&#xff0c;笔记本电脑的电源一般都是接受5V的电压&#xff0c;但是我们生活中的…

设计模式2--Adapter(适配器模式)

1.Adapter模式 在程序中&#xff0c;经常会出现有的程序无法直接使用的情况&#xff0c;需要进行适当的变换之后才能使用的情况。这种用于填补现有程序和所需程序之间差异的设计模式就是Adapter模式 Adapter模式也被称为Wrapper模式&#xff0c;有以下两种 &#xff08;1&am…

设计模式02——Adapter模式

定义 适配器设计模式&#xff0c;顾名思义就是将适配器的作用总结抽象成为一种代码的组织方式&#xff0c;将现有的代码通过适配器进行适配&#xff0c;以满足项目对另外一个类或者接口的要求。换句话说就是将一个类的接口适配&#xff08;包装/转换&#xff09;成客户&#x…

图解设计模式 - Adapter 模式

读书笔记 仅供参考 Adapter 模式 Adapter 即为是适配器,用来填补两者之间的差异。就想充电器的装换器,要把 220v 的电压转换为低电压才能对手机或电脑充电。 Adapter 模式也称为 Wrapper(包装器)模式。 两种 Adapter 模式: 类适配器模式(使用继承的适配器)对象适配器…

适配器模式(Adapter模式)

在现实生活中&#xff0c;经常出现两个对象因接口不兼容而不能在一起工作的实例&#xff0c;这时需要第三者进行适配。例如&#xff0c;讲中文的人同讲英文的人对话时需要一个翻译&#xff0c;用直流电的笔记本电脑接交流电源时需要一个电源适配器&#xff0c;用计算机访问照相…

设计模式学习(三):Adapter适配器模式

一、什么是Adapter模式 我们先举个例子&#xff1a;如果想让额定工作电压是直流12V的笔记本电脑在交流220V的电源下工作&#xff0c;应该怎么做呢?通常&#xff0c;我们会使用适配器&#xff0c;将家庭用的交流220V电压转换成我们所需要的直流12V电压。这就是适配器的工作&…

3.设计模式--适配器模式(adapter模式)

1.场景 适配器模式可能是开发人员用的最多的一种设计模式&#xff0c;做后台开发你可能每天都在使用。只是不知道他的名字&#xff1b;现实中的适配器你应该不会陌生&#xff0c;新款的IQOO 8 pro手机充电器已经达到了120w&#xff0c;实际上充电器就是一个适配器&#xff0c;他…

设计模式【7】——适配器模式(Adapter 模式)

文章目录 前言一、适配器模式&#xff08;Adapter 模式&#xff09;二、具体源码1.Adapter.h2.Adapter.cpp3.main.cpp 三、运行结果总结 前言 实际上在软件系统设计和开发中&#xff0c;经常会遇到&#xff1a;我们为了完成某项工作购买了一个第三方的库来加快开发。这就带来了…