6.1 概述一、时序逻辑电路的特点
功能上:任一时刻的输出不仅取决于该时刻的输入,还与电路原来的状态有关。
例:串行加法器,两个多位数从低位到高位逐位相加

. 电路结构上
①包含存储电路和组合电路
②存储器状态和输入变量共同决定输出

三、时序电路的分类
- 同步时序电路与异步时序电路
同步:存储电路中所有触发器的时钟使用统一的clk,状态变化发生在同一时刻
异步:没有统一的clk,触发器状态的变化有先有后

6.2 时序电路的分析方法
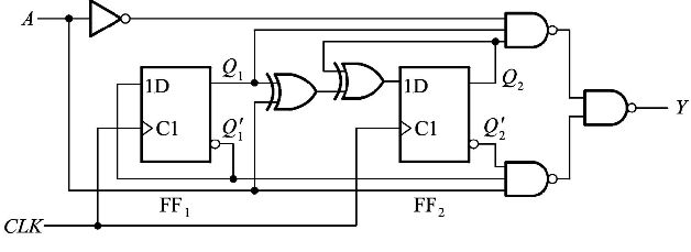
6.2.1 同步时序电路的分析方法
分析:找出给定时序电路的逻辑功能
即找出在输入和CLK作用下,电路的次态和输出。
一般步骤:
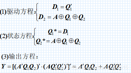
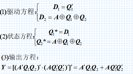
①从给定电路写出存储电路中每个触发器的驱动方程
(输入的逻辑式),得到整个电路的驱动方程。
②将驱动方程代入触发器的特性方程,得到状态方程。
③从给定电路写出输出方程。

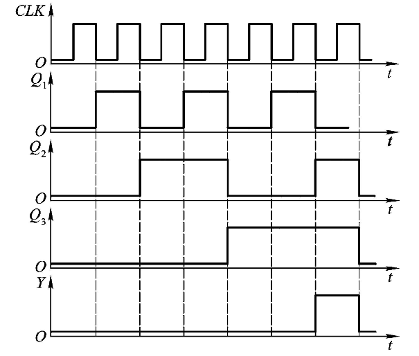
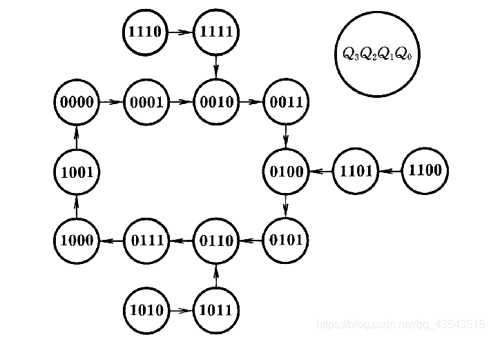
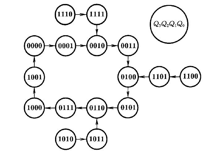
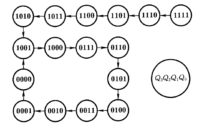
6.2.2 时序电路的状态转换表、状态转换图、状态机流程图和时序图

二、状态转换图
四、时序图



*6.2.3 异步时序逻辑电路的分析方法
6.3 若干常用的时序逻辑电路
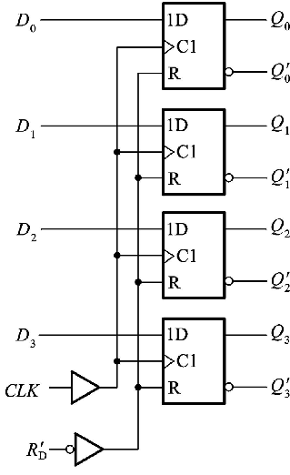
例:用维-阻触发器结构的74HC175


二、移位寄存器(代码在寄存器中左/右移动)



器件实例:74LS 194A,左/右移,并行输入,保持,异步置零等功能

扩展应用(4位 8位)
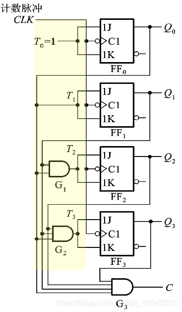
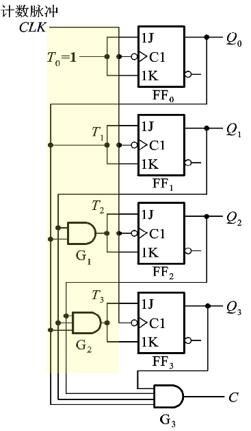
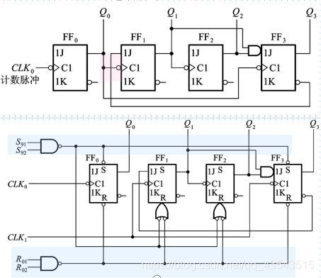
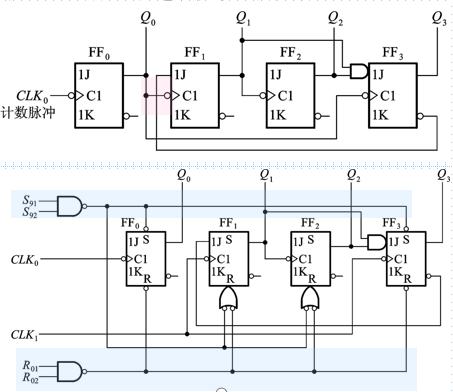
6.3.2 计数器
用于计数、分频、定时、产生节拍脉冲等
分类:按时钟分,同步、异步
按计数过程中数字增减分,加、减和可逆
按计数器中的数字编码分,二进制、二-十进制和 循环码…
按计数容量分,十进制,六十进制…














③十进制可逆计数器
基本原理一致,电路只用到0000~1001的十个状态
实例器件
单时钟:74190,168
双时钟:74192



器件实例:二-五-十进制异步计数器74LS290
三、任意进制计数器的构成方法用已有的N进制芯片,组成M进制计数器,是常用的方法。






2. N < M
①M=N1×N2
先用前面的方法分别接成N1和N2两个计数器。
N1和N2间的连接有两种方式:
a.并行进位方式:用同一个CLK,低位片的进位输出作为高位片的计数控制信号(如74160的EP和ET)
b.串行进位方式:低位片的进位输出作为高位片的CLK,两片始终同时处于计数状态


②M不可分解
采用整体置零和整体置数法:
先用两片接成 M’> M 的计数器
然后再采用置零或置数的方法





6.4.1 同步时序逻辑电路的设计方法
设计的一般步骤
一、逻辑抽象,求出状态转换图或状态转换表
- 确定输入/输出变量、电路状态数。
- 定义输入/输出逻辑状态以及每个电路状态的含意,并对电路状态进行编号。
- 按设计要求列出状态转换表,或画出状态转换图。
二、状态化简
若两个状态在相同的输入下有相同的输出,并转换到同一个次态,则称为等价状态;等价状态可以合并。
三、状态分配(编码) - 确定触发器数目。
- 给每个状态规定一个代码。
(通常编码的取法、排列顺序都依照一定的规律)
四、选定触发器类型
求出状态方程,驱动方程,输出方程。
五、画出逻辑图
六、检查自启动




六、检查电路能否自启动
将状态“11” 代入状态方程和输出方程,分别求X=0/1下的次态和现态下的输出,得到














