1.TP4056——UMW(友台半导体)
TP4056是一款性能优异的单节锂离子电池恒流/恒压线性充电器。
TP4056采用ESOP8封装配合较少的外围原件使其非常适用于便携式产品,并且适合给USB电源以及适配器电源供电。
基于特殊的内部MOSFET架构以及防倒充电路,TP4056不需要外换检测电阻和隔离二极管。
当外部环境温度过高或者在大功率应用时,热反馈可以调节充电电流以降低芯片温度。
充电电压固定在4.2V,而充电电流则可以通过一个电阻器进行外部设置。
当充电电流在达到最终浮充电压之后降至设定值的1/10,芯片将终止充电循环。
当输入电压断开时,TP4056进 入睡眠状态,电池漏电流将降到1uA以下。TP4056可以被设置于停机模式,此时芯片静态电流降至35uA。
TP4056还包括其他特性:电池温度监测,欠压锁定,自动再充电和两个状态引脚以显示充电和充电终止。
下图是其参数特性:

此图是其应用电路:

引脚信息图:

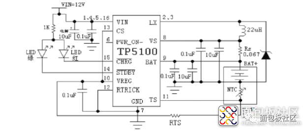
2.TP5100——TOPPOWER(南京拓微)
TP5100是出品的一款开关降压型双节8.4V/单节4. 2V锂电池充电管理芯片.
其QFN16超小型封装与简单的外围电路,使得TP5100非常适用于便携式设备的大电流充电管理应用。
同时,TP5100内置输入过流、欠压保护、芯片过温保护、短路保护、电池温度监控、电池反接保护。
TP5100具有5V-18V宽输入电压,对电池充电分为涓流预充、恒流、恒压三个阶段,滑流预充电电流、恒流充电电流都通过外部电阻调整,最大充电电流达2A。
TP5 100采用频率400kHz的开关工作模式使它可以使用较小的外围器件,并在大电流充电中仍保持较小的发热量。
TP5100内置功率PMOSFET、防倒灌电路,所以无需防倒灌肖特基二极管等外围保护。
下图是其参数特性:

此图是其应用电路:

引脚信息图:

3.CN3065——CONSONANCE(上海如韵)
CN3065是可以用太阳能板供电的单节锂电池充电管理芯片。该器件内部包括功率晶体管,应用时不需要外部的电流检测电阻和阻流二极管。内部的8位模拟-数字转换电路,能够根据输入电压源的电流输出能力自动调整充电电流。用户不需要考虑最坏情况,可最大限度地利用输入电压源的电流输出能力,非常适合利用太阳能板等电流输出能力有限的电压源供电的锂电池充电应用。
CN3065只需要极少的外围元器件,并且符合USB总线技术规范,非常适合于便携式应用的领域。
热调制电路可以在器件的功耗比较大或者环境温度比较高的时候将芯片温度控制在安全范围内。
内部固定的恒压充电电压为4.2V,也可以通过一个外部的电阻调节。充电电流通过-一个外部电阻设置。当输入电压掉电时,CN306S自 动进入低功耗的睡眠模式,此时电池的电流消耗小于3微安。
其它功能包括输入电压过低锁存,自动再充电,电池温度监控以及充电状态/充电结束状态指示等功能。
CN3065采用散热增强型的8管脚DFN封装。
下图是其参数特性:

引脚信息图:

此图是其应用电路:

4.ME4057——MICRONE(南京微盟)
看了中文的参数手册来看一下英文的吧
ME4057 is a complete constant-current/constant voltage linear charger for single cell lithium-ion batteries.With a thermally enhanced 8-PIN SOP package on the bottom and low external component count make the ME4057 ideally suited for portable aplications.
Furthermore the ME4057 is specically designed to work within USB power specifications. No external sense resistor is needed and no blocking dlode is required due to the internal PMOSFET architecture .Thermal feedback regulates the charge current to limit the die temperature during high power operation or high ambient temperature .The charge voltage is fixed at 4.2V 1 4.34V, and the charge current can be programmed externally with a single resistor. The ME4057 automatically terminates the charge cycle when the charge current drops to 1/10" the programmed value after the final float voltage is reached. When the input supply (wall adapter or USB supply) is removed the ME4057 automatically enters a low current state dropping the battery drain current to less than 2μA.The ME4057 can be put into shutdown mode reducing the supply current to 55μA.
Other features include Battery temperature monitor, under-voltage lockout, automatic recharge and two status pins to indicate charge and charge termination.
引脚信息图:

此图是其应用电路:

下图是其封装信息

芯片工作拓扑

本文转自-----面包板社区


















