快充协议(QC/PD/PE)及标准
充电按用途可分为:车充,墙冲,无线充和充电宝(移动电源);按接口可分为Micro-USB, USB-A or B, Type-C和Lightning(Apple); 按充电快慢可分为BC1.2,USB/Lightning标准, QC(Qualcomm)和PD; 按充电协议可分为 高通QC 2.0/3.0/4.0/5.0, 华为FCP/SCP,MTK PE2.0/3/0, Oppo VOOC/Super VOOC, Apple(2.4A)…
下面就基于主要快充协议及其标准来展开说, 主要是QC和PD, 也会涉及PE等。
A. 快充介绍(QC/PD/PE)
1. QC(Qualcomm)
- 技术发展路线

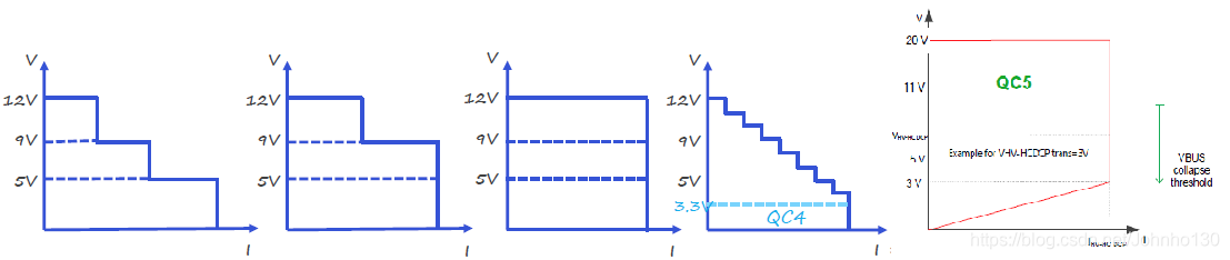
- V/I Profile(QC1~5)

- 符合Quick Charge 2.0、3.0、4和5标准的附件需要为所有电压提供至少500mA(负载),但它允许支持不同的I/V曲线,以获得最大的设计灵活性–以下是一些例子。
- 5V输出电压精度需要达到±5%。9V、12V和20V输出电压精度需要达到±10%。
2. PD(Power Delivery)
- Roadmap
2. Architecture (架构)



3. PE(Pump Express)
- Roadmap

- V/I Profile

- 兼容性

B. 快充标准(如果以下找不到你要的标准,请私信或微信我:John-130)
1, WPC Qi
- 2018 Qi Product Registration Manual( Qi产品注册手册)
- WPC Qi Wireless Power Specification V1.2.3 - Qi V1.2.3 英文完整标准(包含全部4份文件)
- WPC Qi Wireless Power Specification V1.2.4 - 最新Qi V1.2.4英文完整标准(包含全部5份文件))
- WPC Qi-v1.3-candidate-2-review - 正在审阅的最新Qi V1.3标准(Candidate-2)全部共13个文件
- IEC PAS 63095-1:2017 Qi无线电源传输系统电源等级0规范的接口定义
- IEC PAS 63095-2:2017 Qi无线电源传输系统–电源等级0规范–第2部分参考设计版本 Version.1.1.2
- Wireless Power Transfer for Electric Vehicles and Mobile Device(电动汽车和移动设备的无线电力传输)
2, BC1.2
- USB Battery Charging Specification v1.2(BC1.2).zip
- IEC 62680-1-1:2015 USB电池充电规范 Rev1.2
3, PD2.0/3.0
- USB Power Delivery(PD2.0/3.0)Specification - 更新到2020-12-15.zip
- USB PD 2.0/3.0 Compliance Test Package_2.zip -包含全部7份最新且齐全的文件
- USB PD Compliance Test Package_3(合规性测试包-物理层/协议/供电)- 包含全部6份最新标准文件-更新到V1.2(2021-6-20) -取代上面的Package_2.zip
- USB Type-C Full Compliance Test Document and Specification- 全部完整6份最新的英文版压缩RAR
- USB Power Delivery(PD)Specification R3.1(V1.0):2021-05(目前最新)
- USB Power Delivery Specification(PD标准)Rev 3.1(V1.0) + Rev 2.0(V1.3)-2021年5月.zip
4, 高通QC快充
- Qualcomm Quick Charge 5 - How To Guide(高通最新快充QC 5指南)
- Qualcomm Quick Charge Device List -高通快充设备清单 -更新到03/2021
- Qualcomm高通快充技术设备清单 (更新到2021-05)
5, Samsung(三星)快充
- Samsung Proprietary Power Delivery Extension(PPDE) Specification - Samsung Wireless Fast Charge - Communication Protocol Ver 1.0.2 :2020(三星专有供电扩展规范 - 三星无线快充 - 通信协议 Ver 1.0.2 :2020)
6, 国内通信行业快充
- YDB 195-2018 移动通信终端快速充电技术要求和测试方法(本标准附录A/B/C/D/E快充协议兼容华为/Oppo/Vivo/高通/MTK快充)
- T/TAF 083-2021 移动终端融合快速充电技术规范
备注: 如果以上找不到你要的标准,请私信或微信我:John-130



















