手机音频

article/2025/10/20 10:45:15

手机音频

Hi-Fi

Hi-Fi是英语High-Fidelity的缩写,直译为“高保真”,其定义是:与原来的声音高度相似的重放声音。

HI-FI耳机

HIFI耳机也称为高保真耳机。是一种有加过音色渲染的耳机。通过HIFI耳机,能够听到最为接近真实的、经过修饰的音质通过与原来的声音高度相似的重放声音。

主要是家用(Home)、便携(Portable)、监听(Monitor)、混音(Mix)、人头唱片(Binaural Recording)。

Hi-Res

Hi-Res全称为High Resolution Audio,又称为高解析音频,Hi-Res Audio是由索尼提出并定义、由JAS(日本音频协会)和CEA(消费电子协会)制定的高品质音频产品设计标准。Hi-Res音频的目的是表现音乐品质极致和原音重现,获得真实感受原唱者或演奏者在现场演出的临场氛围。

高解析音乐是指声音信息量超越CD音质的音乐格式,即采样率大于44.1kHz以及比特深度大于16bit。

个人理解

评价一个音响系统或设备是否符合高保真要求,一般应采用主观听音评价和客观指标测试相结合的方式来进行,并以客观测试指标为主要依据

而且我们通常说音频系统是包含音源设备,音频传输系统,人的听觉;所以不能单纯的觉得什么东西不好,如果实在要比较,则应该在同等条件下去测试,除此之外还要排除人的主观判断以及认定

数字编码

PCM音频编码的原理简单来说是将连续变化的模拟信号进行抽样、量化和编码,最终变为数字信号,传统的CD采用的编码方式同样是PCM编码。

DSD音频编码的原理与PCM完全不同,由于采用新的模拟数字转换技术,音频在编码时不必再通过很高的量化数位来提高声音的精度。有效避免了混叠噪音,所以在信噪比以及失真率方面的控制都比PCM音频更加具有优势。

数字音频总线

I2S(Inter—IC Sound)总线,
又称 集成电路内置音频总线,是飞利浦公司为数字音频设备之间的音频数据传输而制定的一种总线标准,该总线专门用于音频设备之间的数据传输,广泛应用于各种多媒体系统。它采用了沿独立的导线传输时钟与数据信号的设计,通过将数据和时钟信号分离,避免了因时差诱发的失真,并且实现了抗干扰。
在这里插入图片描述

关于I2S的信息可以查看我之前写过的文章《I2S/IIS总线介绍及相关EMC问题》

https://blog.csdn.net/LUOHUATINGYUSHENG/article/details/94121939

PCM音频总线
PCM(Pulse Code Modulation)脉冲编码调制是数字通信的编码方式之一。主要过程是将话音、图像等模拟信号每隔一定时间进行取样,使其离散化,同时将抽样值按分层单位四舍五入取整量化,同时将抽样值按一组二进制码来表示抽样脉冲的幅值。
在这里插入图片描述

目前来看蓝牙芯片和CPU之间音频传输基本上全部使用PCM接口;
在这里插入图片描述

想了解更多查看我之前的博文《PCM接口介绍》

https://blog.csdn.net/LUOHUATINGYUSHENG/article/details/98880203

手机HiFi宣传

如下为IQOO新手机,如下明显看出所谓的支持3.5mm耳机孔、有独立的HIFI芯片、并且有Hi-Res音频认证。
在这里插入图片描述

AKM音频

但是后续我没有找到官方给的HiFi芯片到底是什么,网上测评机构给出的芯片,后来我去百度了一下,发现是Japanese一家公司:
在这里插入图片描述

AKM成立于1980年,距今已经有40年历史了,应用范围从移动通信,包括智能手机到汽车、工业设备和基础设施设备。

其他的大家可以多去了解,因为目前信息很少先介绍这些,可能有些地方有音频发烧友,对此肯定很了解。

公司网址:https://www.akm.com/cn/zh-cn/about-us/company-profile/

在这里插入图片描述
该型号芯片:https://www.akm.com/cn/zh-cn/products/audio/audio-dac/ak4377aecb/

3.5MM接口

随着智能手机的发展,现在因为全面屏等等技术的应用,手机1逐渐已经“容不下”3.5mm的耳机接口了,大部分手机逐渐的使用蓝牙耳机作为标配,还有一部分需要使用Typc接口转换,只有极少数的手机厂商还在坚持使用3.5mm耳机接口。
在这里插入图片描述

我们手机音频最终传输给耳机的一定是模拟信号,但是因为现在CPU需要数字化的处理,所以处理器需要将信号转为数字信号再转为模拟信号,当模拟信号驱动能力不强或者本身该部分性能不强时,还原出来的模拟信号将会是不完美的,也就是说和原始的声音存在差异,此时最好我们需要外部放置一颗音频芯片负责将数字信号转化为模拟信号,然后传到我们的手机,这颗芯片就是我们所说的“独立HiFi音频芯片”,当然现在一般是编解码+DAC芯片一体。

更多参考:
https://zhuanlan.zhihu.com/p/28357831

模拟信号

在这里插入图片描述
周期性模拟信号。

模拟信号是一种随时间变化的连续波形。Anlaog信号进一步分为简单信号和复合信号。一个简单的模拟信号是一个正弦波,无法进一步分解。另一方面,复合模拟信号可以进一步分解为多个正弦波。

使用幅度,周期或频率和相位来描述模拟信号。幅度标记信号的最大高度。频率标记信号变化的速率。相位标记波相对于时间零的位置。

数字信号

在这里插入图片描述
周期性数字信号

数字信号是不连续的离散时间信号。数字信号以二进制形式携带信息或数据,即,数字信号代表位形式的信息。

数字信号可以进一步分解为简单的正弦波,称为谐波。每个简单的波都有不同的幅度,频率和相位。用比特率和比特间隔描述数字信号。位间隔描述发送单个位所需的时间。另一方面,比特率描述比特间隔的频率。

声波转为电波(模拟电信号)

在这里插入图片描述
模拟信号转化为数字信号

中间需要经过:
1、采样:以相同的时间间隔来测量模拟信号的物理量,完成对连续模拟信号的离散化提取;
2、量化:将采样得到的幅度值进行数字化处理(计算机接收数字化,如二进制数);
3、编码:将量化后的值用一组二进制数字代码表示;

采样定理

采样是将一个信号(即时间或空间上的连续函数)转换成一个数值序列(即时间或空间上的离散函数)。采样定理指出,如果信号是带限的,并且采样频率高于信号带宽的两倍,那么,原来的连续信号可以从采样样本中完全重建出来。

如下就是正常处理的流程:
在这里插入图片描述

请注意采样频率不一致则存储容量不一致:
在这里插入图片描述

更多请参考:
http://www.focusky.com.cn/nkfo-deao.html

具体的转换方式可以参考如下:
https://wenku.baidu.com/view/00ae5c966d85ec3a87c24028915f804d2a16876a.html

另外DA转换其实就是AD转换的可逆过程。

智能手机的语音处理流程

在这里插入图片描述

听筒、扬声器、耳机我们默认为是输出设备,因为是CPU的音频信号来驱动这些声音被我们听到,所以定义为输出设备;

麦克风我们默认是输入设备,因为麦克风收集我们发出的声音,这个声音被逐渐传输到CPU内部完成数字化处理。

DAC就是数字信号转模拟信号使用的转换器,Digital to analog converter;

ADC就是模拟信号转换为数字信号使用的转换器,Analog to digital converter;

SOC即就是我们所说的芯片,比如麒麟990、高通865等等;以上只是示意图,有些芯片内部包含DSP,有些是单独独立出来的DSP;基带有些是包含在CPU内部的,有些也是外置的。就像iPhone的基带问题,其之前依托于因特尔的基带,现在又依靠高通的基带,因此这个一定是独立的,没有集成与内部的。

RF就是射频的意思,上图中的射频包含蓝牙、WiFi以及4G\5G等射频;蓝牙与wifi差异在于协议的差异和频段的差异,但是低版本的WiFi与蓝牙处于同一频率所以需要注意两者相互干扰;4G与5G等是避开WiFi频段的,所以相对来讲影响不是很大。
RF TX指的是发送信号;RF RX指的是接收信号。

音频和视频的硬解码和软解码

硬解码就是将解码程序写入或固化在芯片上就是硬解压,因为不占用或很少占用系统资源,一般认为效果好一点。

软解码就是将解码程序调入内存中用cpu解压;简单点讲就是需要用到软件方式进行解码,需要占用CPU资源,速度相比硬解码较慢。

而从目前的我可以获得的消息来看,部分手机作为的支持HiFi音质所对应的就是在手机中增加了前端的DAC芯片,也就是数字转模拟的芯片。

比如我们熟知的华为和OPPO,就是增加了一颗这样的芯片,我们下面就来介绍AKM的一个HiFi芯片—AK4331

AK4331

AK4331是一款高级32位高音质立体声音频DAC,具有内置的接地参考耳机放大器。
在这里插入图片描述

芯片特性

1.高音质低功耗高级32位立体声DAC
-四种用于声音颜色选择的数字滤波器
-短延迟急剧下降,GD = 5.5 / fs
-短延迟慢速滚降,GD = 4.5 / fs
-急剧下降
-慢滚

2.接地参考的G类立体声耳机放大器

G类放大器一般有两种电源电压水平。较高的电源电压水平由所需的最大输出功率决定。较低的电源电压水平则由最小电源电压决定,放大器能够在这个电压下工作,且这个电压高于总谐波失真(THD)的阈值。

TI的G类功放:http://www.ti.com.cn/cn/lit/ds/symlink/lm49251.pdf

输出功率:70 mW @8Ω
注:该参数就是直接与驱动耳机、喇叭等参数相关的参数。

-THD + N:100分贝
注:一定的工作电压VCC(或VDD)、一定的负载电阻RL、一定的输入频率FIN(一般常用1KHZ)、一定的输出功率Po下进行测试。若改变了其中的条件,其THD+N值是不同的。

理想的音频功率放大器,若不考虑该功率放大器的增益大小,输入一定频率的正弦波信号,其输出也应该是没有失真(波形没有变形)、没有噪声的正弦波信号。但真实的音频功率放大器的输出音频信号总会有一点失真,并且叠加了噪声(在正弦波上叠加了高频杂波)。这种失真是较小的,从波形图中也难看出来,只有用失真仪才能测出。波形的失真是由于在正弦波上加了多种高次谐波造成的(如3次谐波、5次谐波等)所以称为总谐波失真。理想的音频功率放大器没有谐波失真及噪声,所以THD+N=0%。实际的音频功率放大器有各种谐波造成的失真及由器件内或外部造成的噪声,它有一定的THD+N的值。

-信噪比:109 dB
信噪比(SIGNAL NOISE RATIO,SNR or S/N),即放大器的输出信号的功率,与同时输出的噪声功率的比值,常常用分贝数表示。设备的信噪比越高表明它产生的杂音越少。一般来说,信噪比越大,说明混在信号里的噪声越小,声音回放的音质量越高,否则相反。

-输出噪声电平:114dBV(模拟音量=10dB)

-模拟音量:+4至10dB,2 dB步进

-接地环路噪声消除

3.低功耗:4.4 mW(播放,fs = 48 kHz,外部从模式)5.0 mW(播放,fs = 48 kHz,PLL从模式)

4.耳机放大器输出引脚符合IEC61000-4-2 ESD保护
-±8 kV接触放电

5.数字音频接口
-主/从模式
-采样频率(从模式/主模式):
8 k,11.025 k,12 k,16 k,22.05 k,24 k,32 k,44.1 k,48 k,64 k,88.2 k,96 k,128 k,176.4 k,192 kHz
-接口格式:32/24/16位I2S / MSB对齐

6.异步采样率转换器
-上样本:最大×6.02

7.立体声数字麦克风接口

8.电源管理

9.锁相环

10.带有内置SRC和X’tal振荡器的抖动消除器

11.μP接口:I2C总线(400 kHz)

12.工作温度范围:Ta =40至85 85C

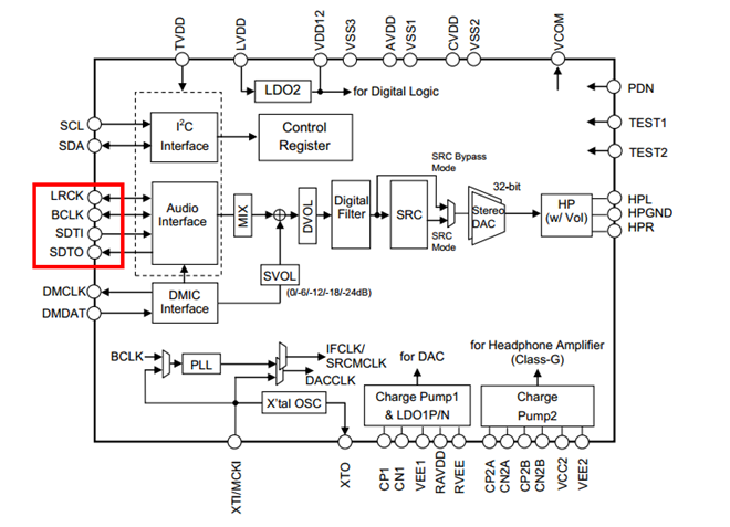
AK4331符号

在这里插入图片描述

红色框体中的是数字接口I2S接口;

上方的是I2C接口;

下面的是数字麦克风接口;

右侧输出的是耳机接口;

除此之外还包含电源接口和时钟接口。

封装以及引脚排布

请注意,该方案使用的是BGA,也就是常见的半球形焊盘,目的是可以减小封装尺寸,便于在手机等小设备中使用;另外就是这种算是高安设计,也就是比较安全,你想自己焊接线路来测试也比较麻烦一点,或者说基本上很难。
在这里插入图片描述
在这里插入图片描述

绝对最大参数

绝对最大参数表述的就是引脚的最大电压不能超过这个值,一旦超过芯片可能异常或者直接损坏。
在这里插入图片描述

耳机放大器/驱动力的相关参数
dBFS,dBFS的全称为Decibels Full Scale,全分贝刻度,是数值音频分贝值的表示方法。和前面几个不一样的时,dBFS的基准并不是最小的或者是中间的某一个值,是最大的那个值!也就是说0dBFS是数字设备能达到的最大值,除了最大值外都是负值。

输出功率Output Power,也就是全分贝刻度最大时,耳机负载为32R时,耳机运放地噪声为一定值,此时功率为25mW或者10mW;

总谐波失真度THD+N,就是当全分贝刻度最大时,耳机负载等于32R,地噪声为-4dB时,采样频率为48KHz时,其总谐波失真度很小,为-100dB,注意,这个值越小越好。
在这里插入图片描述

动态范围,Dynamic Range,动态范围(英语:dynamic range)是可变化信号(例如声音或光)最大值和最小值的比值。也可以用以10为底的对数(分贝)或以2为底的对数表示。

信噪比,我们前面说到了,信噪比表示为信号与噪声的比值,如下为109dB,这个已经很好了,但是请注意,这个值越大越好,但是存在极限值大概在120到130dB之间。

输出噪声幅度。Output Noise Level,表示芯片本身的系统底噪输出,该值可以减小但是不可能为0.
在这里插入图片描述

通道隔离度Interchannel Isolation表示的是左右声道之间的影响程度,隔离度太差则会导致串扰。

其他参数就是一些负载阻抗、负载电容、负载电感这样的所有器件都会有的参数。
在这里插入图片描述

功率损耗Power Consumption
就是DAC在耳机音频采样模式下,在一定电源电压下,数字麦克风是否应用以及PLL的配置状态下的一个功耗指标,从下面可以看出,采样频率越高则功耗越大。
在这里插入图片描述

这个是内部滤波器的参数指标,包括带宽、起始频率、终止频率、带内纹波、终止幅度和群延时等。

在这里插入图片描述

IO口的输入和输出电压范围,这个参数决定了和CPU连接时的IO口电平指标,简单地讲就是3.3V的IO不能直接和1.8V的IO口直接连接。
在这里插入图片描述

这个表示的是IIS的时序表配置。
在这里插入图片描述

整个的时钟设计如下图中的描述:
在这里插入图片描述

数据的流向
在这里插入图片描述

数字麦克风的设计

AK4331通过使用内置抽取滤波器将IFCLK转换为64fs,向数字麦克风提供DMCLK。因此,数字麦克风通过ΔΣ调制器生成1位数据,并发送到AK4331的DMDAT引脚。
在这里插入图片描述

耳机电路

耳机电路如下所示,看起来很简单,就是直接输出增加RC串联到地,然后直接驱动耳机负载就可以了。

必须放置防振电路(0.1 µF±20%的电容器和15Ω±20%的电阻),因为耳机放大器可能会发生振荡。
在这里插入图片描述

参考设计电路

需要注意电容的配置,和CPU的链接等;除此之外我们需要注意耳机接口的防静电和浪涌设计,虽然图中没有标注出来,但是请注意这点很重要。
在这里插入图片描述

再额外讲下MEMS麦克风和ECM麦克风

微机电系统(Micro-Electro Mechanical System)是指尺寸在几毫米乃至更小的传感器装置,其内部结构一般在微米甚至纳米量级,是一个独立的智能系统。简单理解, MEMS 就是将传统传感器的机械部件微型化后,通过三维堆叠技术,例如三维硅穿孔 TSV 等技术把器件固定在硅晶元(wafer)上,最后根据不同的应用场合采用特殊定制的封装形式, 最终切割组装而成的硅基传感器。 受益于普通传感器无法企及的 IC 硅片加工批量化生产带来的成本优势, MEMS 同时又具备普通传感器无法具备的微型化和高集成度。

MEMS麦克风
MEMS 麦克风的 MEMS 元件位于印刷电路板 (PCB) 上,并由机械盖提供保护,其外壳上开了一个小孔,以允许声音进入器件。小孔的位置决定了麦克风的类型,如果小孔位于顶盖内,则麦克风称作上置声孔麦克风,如果小孔位于 PCB 内,则称作下置声孔麦克风。MEMS 元件通常配有一个机械振膜,以及一个装在半导体芯片上的安装结构。
在这里插入图片描述

MEMS膜片形成电容器,声压波引起膜片的移动。通常,MEMS麦克风包含用作音频前置放大器的第二半导体管芯,其将MEMS的变化电容转换为电信号。在优选模拟输出信号的情况下,可以将音频前置放大器的输出提供给用户。但是,如果需要数字输出信号,则模数转换器(ADC)与音频前置放大器结合在同一个芯片上。脉冲密度调制(PDM)是用于MEMS麦克风中的数字编码的传统格式,并且允许仅利用单个数据线和时钟进行通信。另外,由于数据的单比特编码,在接收器处解码数字信号变得更容易。

ECM麦克风
在ECM中,驻极体隔膜是具有固定表面电荷的材料,其放置在导电板附近,并且像MEMS麦克风一样,产生电容器,其中气隙形成电介质。移动驻极体振膜的声压波导致电容值改变,导致电容器两端的电压变化,ΔV= Q /ΔC(Q =固定电荷)。电容器电压的这些变化由麦克风外壳内的JFET放大和缓冲。JFET通常采用共源配置,外部负载电阻和外部应用电路采用隔直电容。
在这里插入图片描述

如何选择
在 ECM 或 MEMS 麦克风之间选择时,需要考虑许多因素。较新的 MEMS 麦克风技术具有诸多优势,这体现为其市场份额的迅速扩大。例如,对于为空间受限的应用寻找解决方案的设计人员而言,他们更青睐 MEMS 麦克风,因为这种麦克风不仅封装尺寸小,而且通过在组件内集成模拟和数字电路,缩小了 PCB 面积并降低了元件成本。

此外,模拟 MEMS 麦克风的输出阻抗相对较低,搭配数字 MEMS 麦克风的输出,堪称电噪声环境下的应用首选。同样,在高振动环境中使用 MEMS 麦克风技术,可以降低机械振动产生的令人讨厌的噪声水平。半导体结构技术配合增加的音频前置放大器,进一步增大了制造出具有紧密匹配和温度稳定性能特征的 MEMS 麦克风的可能性,而这种麦克风非常适合多麦克风阵列应用。在制造过程中,MEMS 麦克风还可以承受回流焊温度曲线。

尽管 MEMS 麦克风日益流行,但驻极体电容式麦克风 (ECM) 仍然是各种应用的可行选择。由于许多传统设计采用的是 ECM,因此继续使用 ECM 进行简单的设计升级,对工程师来说可能是最简单的解决方案。凭借包括电线、引脚、焊盘、SMT 和弹簧触点在内的多种端接方式,ECM 还为设计人员提供了更多的安装灵活性。

产品及相关信息可参考:
https://www.cuidevices.com/catalog/audio

关于音频DAC的部分可以参考如下:
https://zhuanlan.zhihu.com/p/82752944?utm_source=wechat_session

关于该公司其他产品的应用可以查看如下介绍:
https://blog.csdn.net/weiwei_xiaoyu/article/details/90719963

关于音频处理内核介绍可查看如下文章:
https://blog.csdn.net/david_tym/article/details/80903385

2020-3-26


http://chatgpt.dhexx.cn/article/CLWH0Nsb.shtml

相关文章

音频系统测试软件:Smaart for Mac

今天小编为大家带来的是一款Mac上的老牌音频系统测试软件,Smaart mac破解版可以自定义控制您的软件音频,可用于专业音频设备和声场测试,欢迎喜欢的朋友们下载使用! Smaart mac破解版功能亮点 频谱的测量 用于噪声测量,声音信号可视测量,扩声系统声反馈频率确定,音响系统的…

驾考笔记:科目二考试满分攻略——超详细的点位细节梳理,各种意外情况处理方案整理

前言 还记得去年听台湾大学的李宏毅老师讲他的宝可梦的时候,他谈到他至今没有去考驾照,因为他在等无人驾驶。当时笔者的感受是,我们可真是同道中人,作为无人驾驶的坚定拥护者,并且觉得自己未来还能为该领域的发展做出贡…

图像处理我是这样入门的------我的第一篇csdn博文

接触图像处理已经有五个月了,自认为已经算是入门了吧。以下分享个人的一些经验。 图像处理的库有很多,例如OpenCV、halcon、OpenGL、MATLAB库、IntelIPP等。OpenCV具有开源,免费,跨平台、可移植性强等优点,得到了较为…

计算机笔试:飞机加油飞地球一圈的问题

题目:假设有N架飞机,必须从同1飞机场起飞,不许中途降落,可空中互相加油,每个飞机油箱最多只能飞地球半圈,问至少需要多少飞机才能保证至少1架飞机绕地球1圈。 此题关键一点:地球是圆的。可以往相…

左值、右值

左值、右值 1.基本概念2.左值引用、右值引用3.移动构建: 1.基本概念 (1) 左值:可以取它的地址 右值:不可以取它的地址 int main() {//int& a10;//错误:左值引用不能引用一个常量,左值引用…

C语言之左旋

法一: 挨个旋转,记住最后一个数字,依次向后覆盖(效率较低,但简单暴力) void rotate(int* nums, int numsSize, int k){int i;while(k){int endnums[numsSize-1];for(inumsSize-2;i>0;i--){nums[i1]nums…

F-35飞控系统详解

基于非线性动态逆(NDI)的控制律 1. F-35飞控控制律 F-35采用了由三台冗余机载管理计算机(VMC,Vehicle Management Computers)中运行的非线性动态逆控制架构来提供电传飞行控制。F-35的控制律不仅能增强飞机动力学特性实现增稳,还…

《飞控介绍》

飞控:即为导航飞控系统,也叫自驾仪 物体运动的三个轴(多旋翼) 俯视多旋翼时: 与中心纵向的轴叫做纵轴(x轴) 与中心横向的轴叫做横轴(y轴) 平时多旋翼时: 与…

飞控

现在市面上的飞行控制器(下面简称飞控)分为两种。一种是由商业公司设计生产的,例如DJI的Naze系列飞控,一般都是闭源的,并且经过正规系统的测试,稳定性方面有保障。另外一种就是由爱好者或者公司发起的开源飞…

数据校验(数据完整性)

数据校验 数据第一次写入成功后,会进行数据校验,获得校验和。 数据读取前,对数据进行校验,获得校验和,计算得到的校验和与第一次上传后的校验和进行对比。 两个校验和相同表示数据相同,可以提读取数据 两…

HDFS数据完整性

数据完整性 目标:掌握HDFS数如何宝成数据的完整性的 当DataNode读取block的时候,它会计算checksum如果计算后的checksum,与block创建时(第一次上传是会计算checksum值)值不一样,说明block已经损坏。clien…

密码学篇(数据完整性)

本文部分摘取自:https://blog.csdn.net/xjhhjx/article/details/81603107 序言 密码技术的目的很明确,就是为了解决信息安全问题。 就本人从事行业来说,可以用客户端与服务器端的数据通讯过程举例(考虑客户端与服务器端通讯的双…

MySQL数据库——数据完整性(实体完整性、域完整性、参照完整性)

数据完整性的概念 数据完整性是为了保证插入到数据库中的数据是正确的,防止用户可能的错误输入。 数据完整性分为实体完整性、域完整性、参照完整性。 实体(行)完整性 实体完整性中的实体指的是表中的行,因为一行记录对应一个实体。 实体完整性规定表的一行在表中是唯一的实…

数据库中的数据完整性约束

这篇文章讲的是数据库中的数据完整性约束,如有错误或不当之处,还望各位大神批评指正。 什么是数据完整性约束? 数据完整性:存储在数据库中的所有数据值均正确的状态。它是应防止数据库中存在不符合语义规定的数据和防止因错误信…

实验6   实现数据完整性

实验名称 实验6 实现数据完整性 日期 2020年 6 月 18 日 一、实验目的: (1)了解实现数据完整性的概念及实施数据完整性的重要性。 (2)掌握数据完整性的分类。 (3&#…

MSSQL之七 数据完整性

无论是产品,还是信息,质量都是非常重要的。信息的质量是指信息的准确性、完整性、一致性等。在许多数据库应用系统中,数据质量的高低往往是导致系统成功与否的重要因素。数据完整性是保证数据质量的一种重要方法,是现代数据库系统…

正确数据确保数据完整性

开发者在设计阶段要考虑许多因素——如何正规化数据、如何创建易于使用的界面等等。但无疑地,开发者最重要的一个目标就是保证数据的准确性。本文讨论了如何通过“引用完整性”来防止数据库产生不正确的数据,以及如何防止丢失数据。      谁需要它&a…

[MySQL/初学者]数据完整性约束

前言 数据完整性约束的概念: 在表中定义完整性约束是作为数据定义的一部分,定义了完整性约束,数据库会随时检测处于更新状态的数据库内容是否符合相关的完整性约束,保证数据的正确性与一致性。 完整性约束既能有效地防止对数据…

mysql实验五索引和数据完整性_实验六 索引和数据完整性约束

实验六索引和数据完整性约束 一、实验内容: 1、 索引的创建 2、 数据完整性约束的创建 二、实验项目:员工管理数据库 用于企业管理的员工管理数据库,数据库名为YGGL中,YGGL数据库中包括三个表:Employees(员工信息表)、Departments(部门信息表)、Salary(员工薪水情况表)。 …

MySQL数据库中数据完整性_MySQL数据完整性详细讲解及实现方式

一、数据完整性简介 1、数据完整性简介 数据冗余是指数据库中存在一些重复的数据,数据完整性是指数据库中的数据能够正确反应实际情况。 数据完整性是指数据的可靠性和准确性,数据完整性类型有四种: A、实体完整性:实体的完整性强制表的标识符列或主键的完整性(通过唯一约束…