目录
VCM(Voice Coil Motor)是什么
主要功能是用作摄像头的快速对焦
音圈马达的构成
音圈马达控制原理
自动振幅控制系统
音圈马达的使用方式
总结
VCM(Voice Coil Motor)是什么
VCM是音圈马达有控制快、精度高的特点。
10ms左右可达目标位置,采用合适的定位反馈及感应装置其定位精度可以轻易达到10NM,加速度可达300g(实际加速度也取决于负载物的状况)
音圈马达IC因为市场体量小,每年的市场总量几百万美元,所以没有太多的关注度
主要功能是用作摄像头的快速对焦
音圈马达配合上Drive IC能实现,主控发送镜头位置,自动处理输出电流控制镜头震荡,以实现快速达到目标位置

音圈马达的构成
他的整体结构一般分为镜片、弹片、滚珠or 轴承or任何可以让他运动更顺畅的结构,线圈、驱动芯片。
因为音圈马达是一种非换流型动力装置,其定位精度完全取决于反馈及控制系统,与音圈马达本身无关。

这是马达的中间镜头部分,上面带着线圈,旁边的外壳上带着磁铁

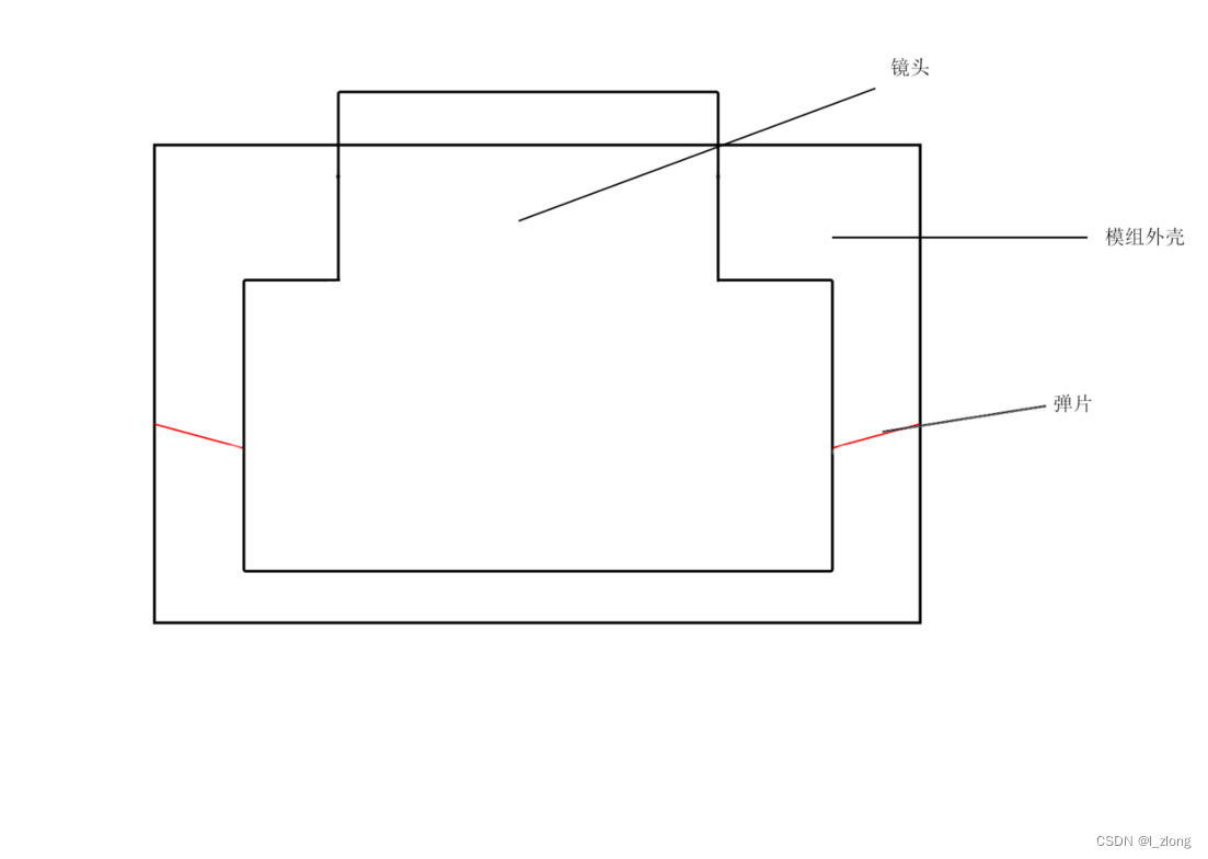
音圈马达控制原理

音圈马达的工作原理侧面如图所示,镜头在模组外壳中可以移动 ,通过音圈马达控制和弹片的共同作用下,让镜头上下移动来达到对焦的作用

自动振幅控制系统
如果马达不具备自动振幅控制系统,由于弹片会有震荡就会导致整个镜头的波形如下图所示

由于有自动振幅控制系统(AAC),下面的就是AAC对焦的过程,速度越快震荡就容易越大,速度越慢整体振幅就越小。

音圈马达的使用方式
音圈马达使用时配合专用的驱动IC,我接触到的驱动IC为IIC通讯方式,主控只需要给驱动芯片发送希望的镜头位置,驱动IC会自动处理电流输出,控制镜头快速响应,达到目标位置。
总结
以上介绍的是开环的VCM驱动,对手机在不同角度、晃动条件下依旧无法达到最优对焦效果,所以出现了闭环式的VCM的驱动,对镜头位置做了PID控制、不再只是前后移动,而是增加了三轴的移动方式,以满足更优的性能需求。
















