
版权声明
本博文系广州欧科曼科技有限公司所有,转载请注明出处。 广州欧科曼科技有限公司致力于瑞萨MCU及周边相关产品开发设计。
email:1256153255@qq.com
需要翻译版PDF文档,请联系博主QQ获取
website for purchase 瑞萨RH850开发板 and 瑞萨E1仿真器
1、介绍
RH850/F1x StarterKit 为用户提供了一个简单易用的用于评估瑞萨电子32位单片机RH850/F1x功能和性能的平台。
功能:
- 片上调试和闪存编程的连接
- 可访问所有的控制器I/O管脚
- 通过电位器、旋钮开发、按键、LED灯实现用户交互
- 串行接口:
− 1 x RS23S
− 1 x LIN
− 2 x CAN-FD(RH850/F1L只支持高速CAN,不支持CAN-FD)
− 1 x FlexRay(只适用于RH850/F1H,F1KM-S4和F1KH-D8)
− 1 x Ethernet 100Base-T(只适用于RH850/F1H,F1KM-S4和F1KH-D8) - 通过瑞萨E1片上调试器供电或外部电源(12V DC)供电
- 支持多种RH850/F1x家族成员
− RH850/F1L
− RH850/F1K
− RH850/F1H
− RH850/F1KM-S4
− RH850/F1KH-D8
这份文档将描述该StarterKit提供的功能并通过操作StarterKit指导用户使用。有关控制器操作的详细信息,请参阅RH850/F1x用户手册。
2、注意
1、请勿直视发光的LED灯!尤其要注意板上的高亮LED灯 
2、当用E1仿真器供电时,仿真器提供的电流限制在200mA以内,因此如果需要用到StarterKit的所有功能,请再接一个外部供电电源。
3、快速上手信息
3.1 连接器和跳线帽概览

表1. J1-J2-信号排版

表2. J3-J4-信号排版


表3. 跳线帽/连接器设置概览(for Release Version EEAS-0401-003-01 )
**注意:**默认跳线帽设置(E1调试器供电)用粗体字标记
3.2、RH850/F1L Version [Y-ASK-RH850F1L-V3]电路板一览图
RH850/F1L版本的V3 StarterKit有两个版本
- RH850-F1X-Starter-Kit-F1L V3 发布版 EEAS-0401-002-01
- RH850-F1X-Starter-Kit-F1L V3 发布版 EEAS-0401-003-01
两个版本只是供电电路部分存在差异(详细差异描述请参考“4.2.1 供电”和“7.2.1Y-ASK-RH850F1L-V3 和 Y-ASK-RH850F1K-V3原理图 ”),对相关控制器的功能没有影响,两个版本的控制器功能完全相同。
本资料由广州欧科曼科技翻译
欧科曼科技致力于瑞萨产品的开发应用
E-mail:1256153255@qq.com
购买瑞萨E1仿真器、RH850/F1x开发板请移步:https://shop552817143.tao某bao.com/

3.3、RH850/F1K Version [Y-ASK-RH850F1K-V3]电路板一览图
RH850/F1K版本的V3StarterKit有两个版本
- RH850-F1X-Starter-Kit-F1K V3 发布版 EEAS-0401-002-01
- RH850-F1X-Starter-Kit-F1K V3 发布版 EEAS-0401-003-01
两个版本只是供电电路部分存在差异(详细差异描述请参考“4.2.1 供电”),对相关控制器的功能没有影响,两个版本的控制器功能完全相同。

3.4、RH850/F1H Version [Y-ASK-RH850F1H-V3]电路板一览图
RH850/F1H版本的V3StarterKit如下图
本资料由广州欧科曼科技翻译
欧科曼科技致力于瑞萨产品的开发应用
E-mail:1256153255@qq.com
购买瑞萨E1仿真器、RH850/F1x开发板请移步:https://shop552817143.tao某bao.com/

3.5、RH850/F1KM-S4 Version [Y-ASK-RH850F1KM-S4-V3]电路板一览图
RH850/F1KM-S4版本的V3StarterKit如下图

3.6、RH850/F1KH-D8 Version [Y-ASK-RH850F1KH-D8-V3]电路板一览图
RH850/F1KH-D8版本的V3StarterKit如下图

4、StarterKit硬件
4.1、StarterKit功能框图

注意:
RH850/F1L版的StarterKit不支持CAN-FD,只支持高速CAN。
只有RH850/F1H, F1KM-S4 and F1KH-D8版的StarterKit支持FlexRay和以太网。
4.2、功能区
功能区提供各种电路和组件,用于与控制器的I/O进行交互
本资料由广州欧科曼科技翻译
欧科曼科技致力于瑞萨产品的开发应用
E-mail:1256153255@qq.com
购买瑞萨E1仿真器、RH850/F1x开发板请移步:https://shop552817143.tao某bao.com/

4.2.1、电源
4.2.1.1、电源配置
StarterKit提供了两种为电路板集成电路供电的方式。可以使用瑞萨E1调试器为StarterKit供电,也可以使用外部12V DC电源为StarterKit供电。
使用默认跳线帽设置(请参见0),StarterKit配置为由瑞萨E1调试器供电。
LIN和FlexRay接口的操作只能通过使用外部12V DC电源。
使用外部12V DC电源供电时,请选用以下跳线帽设置:

使用瑞萨E1调试器供电时,请选用以下跳线帽设置:

电源区包括一个直流插孔式连接器,用于向StarterKit及其组件提供外部电源。外部电源具有可逆的过压保护。然而,请始终遵守正确的极性和电压。

两个指示灯LED(D3和D4)显示可用的电源电压。
4.2.1.2、电源测量
通过跳线帽J5可测量MCU消耗电流。J5的外观在两个版本上有所不同。请在下面找到不同版本的描述。


4.2.2、控制器区域和端口引脚接口
不同版本的RH850/F1x StarterKit上分别焊接了以下型号的MCU:
Y-ASK-RH850F1L-V3: R7F701057
Y-ASK-RH850F1K-V3: R7F701587
Y-ASK-RH850F1H-V3: R7F701527
Y-ASK-RH850F1KM-S4-V3: R7F701649
Y-ASK-RH850F1KH-D8-V3: R7F701709
16MHz外接晶振和32.768kHz外接晶振作为控制器的外部时钟源。
每个控制器I/O引脚都连接到一个排针接口上,排针接口很容易接到I/O管脚,并且I/O引脚可选择连接到电源、接地或其他信号。表1和表2著名了排针接口的分配。
设备的某些GPIO引脚可能不适用于所有的StarterKit版本。这些引脚的概述见表10。



在RH850/F1H、F1KM-S4和F1KH-D8版的主板中,提供了一个3.3V调节器,为以太网收发器提供所需的电压。此电压提供给BVCC引脚组电源,并将影响端口P10、P11、P12和P18(图8中的蓝色区域)。所有其他端口引脚在5 V下工作(图8中的红色区域)。对于RH850/F1L和RH850/F1K,所有端口引脚在5 V下工作。
4.2.3、LED灯
4.2.3.1、RGB LED
提供了一个RGB LED,以允许对微控制器输出端口状态进行可视观察,并显示PWM诊断宏的功能。RGB LED是旋转编码器的一部分,由三个N通道晶体管驱动。每个RGB LED通道的反馈连接到微控制器的A/D转换器以评估LED驱动状态。LED PWM信号为高电平有效。
请使用以下跳线帽配置激活完整的RGB LED功能:

4.2.3.2、绿色指示LED:
提供两个绿色低功率LED(LED1和LED2)以允许对微控制器输出端口状态进行可视观察。LED高电平点亮。

4.2.3.3、蓝色电源LED灯
两个蓝色指示灯(D5和D6)指示供电电源:

4.2.3.4、蓝色LED灯环
TLC5925 驱动的16个蓝色LED灯,可通过SPI指令来改变输出状态。

4.2.3.5、低功耗采样器(LPS)的输入
DIP开关阵列(S3)产生的8个数字输入信号触发微控制器的低功耗采样器。
输入信号通过8对1复用器(IC4)连接到微控制器。低功率模式(DeepSTOP模式)下改变DIP(S3)开关可唤醒MCU。
请使用以下跳线配置将DIP开关和多路复用器连接到微控制器:

4.2.5、按钮开关
两个按钮开关(s1和S2)允许MCU输入端口状态的切换。开关为低电平有限且处于常开(非激活)状态

请使用以下跳线配置将中断按钮开关(S1)连接到微控制器:

另外,旋转编码器配有一个按钮。有关详细信息,请参阅带按钮的旋转编码器。
4.2.6、模拟输入-电位器
电位器(POT1)产生模拟电压,这个模拟电压作为MCU的模拟输入。
扭转电位器POT1可调节MCU输出信号APO(P0_1)。可通过LPS控制APO信号。如果不使用LPS,APO需要手动拉高(用P0_1作为数字输出信号)。

请使用以下跳线配置连接电位器和MCU:

4.2.7、带按钮开关的旋转编码器
StarterKit提供了一个增量旋转编码器(ENC1)。旋转编码器的输出端ENC1_ a和ENC1_ b可以通过跳线连接到MCU内部编码器定时器。此外,旋转编码器(ENC1)包含一个按钮开关ENC1_Switch,也可以通过跳线连接到微控制器的引脚。按钮开关ENC1_Switch低电平有效且处于常开(非激活)状态

4.2.8、串行通信口
4.2.8.1、RS232和LIN
RS232收发器(IC5)提供了一个串口,这个收发器连接到MCU的UART(RLIN30)。
请断开以下跳线帽,以使RS232收发器连接到MCU:

LIN收发器(IC5)提供了一个LIN接口,这个收发器连接到MCU的LIN(RLIN21)。
请断开以下跳线帽,以使LIN收发器连接到MCU:

通过DIP开关S10将串口接到DB9连接器,DB9连接器标号CN4。
板上的RS232和LIN接口共用DB9连接器CN13。同一时间只能用一个接口(即RS232和LIN不能同时使用),Table24声明了RS232的配置,Table25声明了LIN的配置


注意:请确保同一时间只有一个接口在使用(RS232或LIN)。
4.2.8.2、CAN接口
CAN收发器(IC1和IC3)提供了两个CAN总线接口,每一个收发器可连接MCU的一个CAN接口(CAN3和CAN4)。CAN总线接口连接DB9连接器CN1和CN2。CAN0/1收发器默认打开,通过CANH和CANL收发数据。可通过在NSIL引脚上设置低电平来改变模式,在STBY引脚上通过MCU的GPIO引脚(P1_1/P2_6)选择静音模式。Receive-oly模式用于测试总线的连接情况。silent 模式下依然可以从总线接收数据,但发送器被禁用导致不能向CAN总线发送数据。DIP开关S4提供额外的CAN总线接口配置选项,包括有选择地和CAN总线接口交互的能力。
CAN收发器支持CAN和CAN-FD通信。
请断开以下跳线以将CAN0收发器(IC1)和CAN1收发器(IC3)接入MCU:

请断开以下跳线以将CAN0收发器(IC1)/CAN1收发器(IC3)接入MCU以改变收发器模式:

可通过DIP开关S4激活CAN总线和每个CAN通道的终端电阻:

4.2.8.3、FlexRay 接口(只支持RH850/F1H, F1KM-S4 和 F1KH/D8)
FlexRay 收发器(IC7)提供了一个FlexRay 总线接口。FlexRay 收发器可连接到MCU的FlexRay接口(FLXA)。FlexRay总线接口连接DB9连接器CN5。FlexRay 收发器默认打开。DIP开关S7提供额外的FlexRay总线接口配置选项,包括选择性地板上互连FlexRay总线接口。
请断开以下跳线以将FlexRay收发器(IC7)接入MCU:

板载FLEXRAY总线和每个FLEXRAY通道的终端电阻可通过DIP开关S7激活。

4.2.8.4、以太网接口(只支持RH850/F1H, F1KM-S4 和F1KH/D8)
以太网PHY(IC6)提供外部T100Base-TX以太网总线接口。通过DIP开关 ETH1 – ETH3 ,以太网收发器可连接到MCU的以太网接口ETNB。
请使用以下DIP开关配置将以太网收发器接入MCU:

4.2.9、片上Debug和Flash编程连接器
连接器CN3用来接MCU debug和Flash编程工具。CN3规格 2*7 2.54mm。该连接器的引脚支持瑞萨E1仿真器。更多关于瑞萨E1仿真器的信息,请参考Chapter 5.1 E1 On-Chip Debug Emulator [R0E000010KCE00]。
4.2.10、OLED板(可选)
StarterKit提供了一个pin header,可以选择将外部显示器连接到电路板。例如,以下带有microSD卡座的OLED显示屏与连接器兼容:https://www.adafruit.com/products/1673

5、开发工具
5.1、瑞萨E1仿真器[R0E000010KCE00]
瑞萨E1仿真器是一个强大的调试工具,具有flash编程功能,支持各种瑞萨MCU的仿真和烧录。
E1仿真器的更新和用户手册可在瑞萨官网查询:
http://www.renesas.com/e1
瑞萨E1仿真器已经停产,可在本店淘宝店购买,和瑞萨E1仿真器PIN2PIN兼容
https://shop552817143.tao某bao.com/

5.2、开发软件IDE
StarterKit包中包含以下开发软件工具:
- Green Hills MULTI IDE (90 day evaluation version)
- IAR Embedded Workbench for Renesas RH850 (128KB Kickstart version)
- iSYSTEM winIDEA with E1 support
- CS+ integrated development environment (Evaluation Version via
download) - Renesas Flash Programmer (RFP)
- Code generator tool AP4 for RH850/F1K
有关这些软件工具用法的更多信息,请参见Quick Start Guide ,该Quick Start Guide也是StartKit软件包的一部分。
6、RH850/F1x StarterKit demo例程
附带的demo例程提供以下功能:
- MCU基本初始化
- 用于LEDs和RGB-LEDs控制的PWM生成
- 用于RGB-LEDs控制的PWMD功能
- 用于PWMD和电位计的A/D转换器
- 包括低功耗采样器(LPS)的待机模式
- 按键功能
- 编码器功能
- CAN通信
- LIN通信
- UART通信
- SPI通信
- OSTM定时器
- TAUJ定时器
- TAUB定时器
- 带WebServer应用程序的以太网演示(仅限RH850/F1H和RH850/F1KM-S4)

软件包含启动(Start up test)和两种运行模式(Mode1和Mode2)下执行的测试功能。
有关RH850的打印信息,请通过COM端口将计算机连接到主板的UART连接器“CN4”。
注意:使用1:1的RS232电脑线缆,波特率9600
译者注:现在在开发中基本不会用到RS232转RS232的电缆线了,多数情况下工程在开发中用的是USB转串口线。直接用USB转串口线连接PC和StarterKit,如下图所示

6.1、StartUp Test
一旦启动,时钟将被初始化并执行start-up测试。在测试过程中,16个蓝色LED组成的环将以相同的模式依次打开和关闭。同时,RGB LED将切换不同的颜色,然后关闭。之后,RGB LED以白色光亮起500ms,16个蓝色LED环也同样亮起500ms。LED1和LED2将在整个测试过程中点亮。CAN、LIN和Ethernet(如果提供)、显示器可用性和RGB LED PWM反馈信号被检查。检查结果在调试器中通过UART打印出来。以上完成之后,切换到Mode1.
6.2、Mode1
根据电位计POT1的不同位置,LED1和LED2以不同的强度发光。经电位器POT1转换的模拟电压值用于更新驱动这些LED的PWM模块的占空比。蓝色LED环跟随旋转编码器ENC1。按下旋转编码器按钮,改变RGB LED的颜色。通过将反馈/感测信号转换为数字值并应用ADC的转换结果上限/下限检查功能(PWM诊断功能),评估通过每个RGB LED的负载电流。如果测得的电流过高或过低,则假定存在故障,相应LED的PWM将关闭。通过切换到Mode2,PWM输出和诊断将再次启动。
如果以太网可用(仅限RH850/F1H和RH850/F1KM-S4),则会定期调用相应的Webserver处理程序。
短按按钮S1切换到Mode2,按钮S1长按3s以上时间切换到DeepStop Mode。
30s内无任何操作,MCU自动进入DeepStop Mode。
使用操作系统计时器以1ms的周期调用Mode1。
6.3、Mode2
LED1和LED2交替闪烁,蓝色LED圆圈环以特定频率围绕旋转编码器ENC1运行。频率由POT1的模拟值确定,该模拟值被转换为相应的Timer Array Unit J 时间间隔。在每个间隔之后,调整LED1和LED2的占空比以产生交替闪烁模式,同时也调整蓝色LED环的点亮位置。旋转编码器ENC1可以增加/减少旋转的蓝色LED数量。
通过将反馈/感测信号转换为数字值并应用ADC的转换结果上限/下限检查功能(PWM诊断功能),评估通过每个RGB LED的负载电流。如果测得的电流过高或过低,则假定存在故障,相应LED的PWM将关闭。通过切换到模式1,PWM输出和诊断将再次启动。
如果以太网可用(仅限RH850/F1H和RH850/F1KM-S4),则会定期调用相应的Webserver处理程序。
短按按钮S1切换到Mode2,按钮S1长按3s以上时间切换到DeepStop Mode。
30s内无任何操作,MCU自动进入DeepStop Mode。
使用操作系统计时器以1ms的周期调用Mode2。
6.4、StandBy
进入StandBy模式将关闭所有不必要的功能,并将控制器切换到DeepSTOP以降低功耗。LED2以2s间隔闪烁方式指示MCU进入了StandBy模式,这个2s间隔由Timer Array Unit J 生成。
短按按钮S1、旋转编码器按钮、改变DIP开关S3的配置或将电位计POT1旋转超过实际状态的25%即可将MCU从StandBy模式唤醒。DIP开关和POT1相关唤醒事件是使用Timer Array Unit J触发的LPS以500毫秒的间隔产生的。执行唤醒将恢复进入待机状态前软件所处的最后一种模式(简单来说就是,进入StandBy模式前是什么Mode,出来后还是什么Mode)。
6.5、WebServer Application
在有以太网(仅RH850/F1H和RH850/F1KM-S4)的StarterKit上,实现了开源的TCP/IP堆栈lwIP以提供WebServer功能。该website可通过IP地址192.168.0.2访问。在Mode1和Mode2中,特定的运行信息(如CPU负载、接收/传输帧、电位计值、RGB颜色和测试结果)会显示在website上。数据通过SSI传输到网站,相应的XML文档可以通过192.168.0.2192.168.0.2/status.ssi进行访问。
此外,StarterKit的模式(Mode1、Mode2、StandBy)以及RGB LED颜色可通过CGI使用按钮和website上实现的颜色选择器进行控制。
7、器件位置和原理图
7.1、器件位置
7.1.1、Release Version EEAS-0401-002-01

7.1.2、Release Version EEAS-0401-003-01
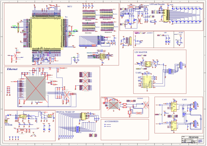
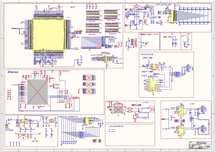
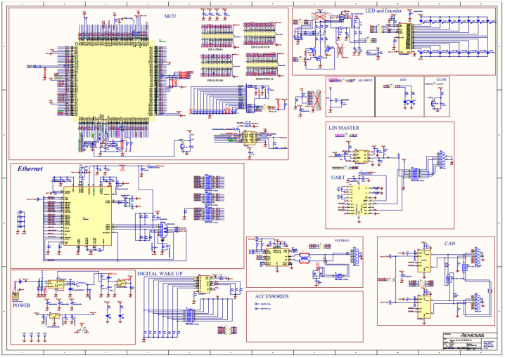
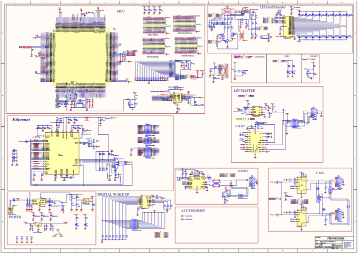
7.2、原理图
7.2.1、Y-ASK-RH850F1L-V3 and Y-ASK-RH850F1K-V3原理图
7.2.1.1、Release Version EEAS-0401-002-01

7.2.1.2、Release Version EEAS-0401-003-01
7.2.2、Y-ASK-RH850F1H-V3原理图

7.2.3、Y-ASK-RH850F1KM-S4-V3原理图

7.2.4、Y-ASK-RH850F1KH-D8-V3原理图
















