74HC148引脚图及功能

article/2025/10/14 2:46:59

介绍

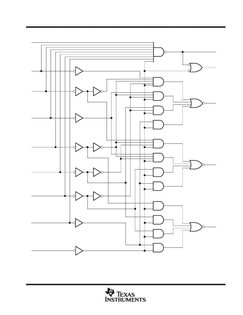
  74148优先编码器为16脚的集成芯片,是一复个八线-三线优先级编码器。除电源脚 VCC(16)和GND(8)外,其余输入、输出脚的作用和脚号如图中所标。制其中 I 0— I 7为输入信号, A2,A1,A0为三位二进制编码输出信号, EI是使能输入端, EO使能输出端, G S为片优先编码输出端。
  在优先编码器电路中,允许同时输入两个以上编码信号。不过在设计优先编码器时,已经将所有e69da5e887aa7a6431333361303130的输入信号按优先顺序排了队。在同时存在两个或两个以上输入信号时,优先编码器只按优先级高的输入信号编码,优先级低的信号则不起作用。74148是一个八线-三线优先级编码器。
  74148优先编码器为16脚的集成芯片,除电源脚 VCC(16)和GND(8)外,其余输入、输出脚的作用和脚号如图中所标。其中 I 0— I 7为输入信号, A2,A1,A0为三位二进制编码输出信号, EI是使能输入端, EO使能输出端, G S为片优先编码输出端。
由74148真值表可列输出逻辑方程为:

A2 =(I4+I5+I6+I7)EI
A1 = (I2I4I5+I3I4I5+I6+7)· EI
A0 = (I1I2I4I6+I3I4I6+I5I6+I7)· EI

当使能输入 EI=1时,所有输出端群被封锁在高电平。
当使能输入EI=0时,允许编码,在I0~I7输入中,输入 I7优先级最高,其余依次为: I6,I5,I4,I3,I2,I1,I0等级排列。
使能输出端EO的逻辑方程为:

EO =I0· I1· I2· I3· I4· I5· 67· EI,

  此逻辑表达式表明当所有的编码输入端都是高电平(即没有编码输入),且EI=0时,EO才为零;
  表明EO的低电平输出信号表示“电路工作,但无编码输入。
  扩展片优先编码输出端 G S的逻辑方程为: GS = (I0+I1+I2+I3+I4+I5+I6+I7)· EI,此时表明只要任何一个编码输入段有低电平信号输入,且EI=0,GS即为低电平。
GS的低电平输出信号表示“电路工作,而且有编码输入。”(GS=0)
在《数字电子技术基础》中,EI表示S,EO表示Ys,GS表示YEX(EX为下标)
在仿真软件multisim中,有74HC148DW,74HC148N 两种表示的是封装不同 不影响仿真。在这里插入图片描述

芯片实物图

在这里插入图片描述
在这里插入图片描述

74HC148(有限编码器)真值表

在这里插入图片描述

什么是优先编码器

  优先编码器是一种能将多个二进制输入压缩成更少数目输出的电路或算法。其输出是序数0到输入最高有效位的二进制表示。优先编码器常用于在处理最高优先级请求时控制中断请求。

   如果同时有两个或以上的输入作用于优先编码器,优先级最高的输入将会被优先输出。下图是一位4线-2线编码器的例子,其中最高优先级的输入在功能表的左侧,而“x”代表无关项,即可是1也可是0,也就是说不论无关项的值是什么,都不影响输出,只有最高优先级的输入有变化时,输出才会改变。

单片机实现74HC148优先编码器功能的程序

//在arudino 中调试通过
//将A0,A1,A2,接入IO 4,7,8
//如数据不稳定可以将digitalRead改为digitalReadt程序消抖进行对比。
void setup() {
// put your setup code here, to run once:
Serial.begin(9600); 
#define HC148A0 8
pinMode (4, INPUT);
pinMode (7, INPUT);
pinMode (8, INPUT);
}
void loop() {int a = 0;
Serial.print(" A2 ");
Serial.print("A1");
Serial.print(" A0 ");
int n8 = digitalRead(8);
delay(2);
int n7 = digitalRead(7);
delay(2);
int n4 = digitalRead(4);
bitWrite(a, 0, n4);
bitWrite(a, 1, n7);
bitWrite(a, 2, n8);
Serial.print(n8, BIN); Serial.print(" "); Serial.print(n7, BIN); Serial.print(" "); Serial.print(n4, BIN);Serial.print(" = "); Serial.println(a);delay(100);
}
bool digitalReadt(int testpin) {
bool digval = digitalRead(testpin); //消抖
delay(5);
while (digval != digitalRead(testpin)) {
delay(5);
digval = digitalRead(testpin);
delay(5);
}
return digval;
}

在这里插入图片描述


http://chatgpt.dhexx.cn/article/CqfMnKrj.shtml

相关文章

74HC595芯片应用

文章目录 前言一、74HC595芯片管脚定义功能二、74HC595芯片工作原理三、共阳极及共阴极数码管段码四、74HC595驱动代码总结 前言 74HC595芯片是在单片机系统中常用的芯片之一,他的作用就是把串行的信号转为并行的信号,常用在各种数码管以及点阵屏的驱动…

四通道模拟开关 单刀单掷300MHz,替代SN74CBTLV3126、74CBTLV3126

一、特点 •宽带:300MHz •单电源操作1.8V至5.5V •低导通电阻,4.5Ω(典型) •高速:典型30ns •铁路对铁路运营 •TTL/CMOS兼容 •工作温度范围:-40C至125C •包装:SSOP-16、TSSOP-14 二、应用…

74HC595 芯片详细介绍

74HC595是8 位串行输入/输出或者并行输出移位寄存器,具有高阻关断状态。三态。 特点: 1,8 位串行输入 2,8 位串行或并行输出 3,存储状态寄存器,三种状态 4,输出寄存器可以直接清除 5&#xff0…

实现74HC4511的功能

VerilogHDL程序设计与仿真作业3: ——实现74HC4511的功能 文章目录 VerilogHDL程序设计与仿真作业3:——实现74HC4511的功能 一、实验目的二、1、设计思路2、实现代码3、测试代码4、仿真 一、实验目的 实现74HC4511的功能 二、 1、设计思路 功能表 …

74HC245的作用

74HC245的作用:信号功率放大。 第1脚DIR,为输入输出端口转换用,DIR“1”高电平时信号由“A”端输入“B”端输出,DIR“0”低电平时信号由“B”端输入“A”端输出。 第2~9脚“A”信号输入输出端,A1B1、、、、、、A8B8&am…

74HC245芯片简析

74HC245 是一种三态输出、八路信号收发器,主要应用于大屏显示。 如图: 该芯片中A0到A7 和 B0到B7既可以作为输入也可以作为输出。 当DIR为高电平时,A为输入,B为输出。 当DIR为低电平时,B为输入,A为输出。 OE为使能控制…

python爬虫工程师就业前景

前言 it一直以来都是属于高薪行业,是很多同学的选择方向,学习出来后在面对职业选择时难免纠结、徘徊,不知道去哪能走多远,我们没有办法只考虑当下,无视未来!假如,即便选择了目前火热的Python爬虫…

2023年Python的就业前景和薪资怎么样

前言 Python今年是排名前1的最受欢迎和增长最快的编程语言之一。 它是一种多用途,高级别,面向对象,交互式,解释型和对用户非常友好的编程语言。 那么,Python未来的前景怎么样?就业岗位多不多&#xff1f…

就Python的发展前景、就业薪资、应用领域来看,你还有什么理由不学Python!

Python作为人工智能和数据分析第一语言,使得Python程序员成了当前人才市场的“抢手货”,工资待遇也水涨船高。 那么Python到底是什么?Python发展前景好么?Python容易学么?工资高么?技术小白适合学习么&…

Python就业前景好不好?为什么学完Python找不到工作?

近几年,Python从一门默默无闻的编程语言突然蹿红,引来不少编程学习者的青睐。一方面是Python在开发里的广泛使用和流行,另一方面是许多求职者的困惑,Python就业前景好不好?为什么学完Python找不到工作?这两…

浅谈一下Python的现状、发展前景以及Python的就业岗位(含趋势)

在面对职业选择时我们难免纠结、徘徊,不知道去哪能走多远,我们没有办法只考虑当下,无视未来!当下Python工程师正处于人才需求旺盛、供应短缺的时期,工资一路上涨。假如,即便选择了目前火热的Python编程&…

学python的就业前景-可以就业哪些岗位

学 python 的就业前景 Python的就业前景很不错,主要可以做这些方面:1.Python web开发;2.运维;3.数据分析;4.自动化测试;5.3D游戏开发;6.网络编程。 如果想具体了解学python的就业前景,那不妨接着往下看吧! 1、Python web开发。学完Python可…

转行/自学必看 || Python开发的就业前景怎么样?难学吗?

Python难学吗? Python的应用范围十分广泛,它是一门简洁而又功能强大的语言。你可能已经听说过很多种流行的编程语言,比如非常难学的C语言,适合初学者的Basic语言等等,Python是他们其中的一种。由于人工智能的兴起&…

2023年Python的就业前景怎么样?薪资有多少?一文给你答案

对于程序员而言,了解编程语言的发展趋势,有助于个人职业成长;而对于想要入行IT的新人而言,最大的疑惑大多来自于不知道该选择哪门编程语言发展前景更好! ✔ 有人让你学Java,因为使用的人最多; …

Python就业行情和前景分析之一

Python就业行情和前景分析之一爬取数据 最近Python大热,就想要分析一下相关的市场需求,看一下Python到底集中在哪些城市,企业对Python工程师的一些需求到底是怎样的,基于此,爬取了国内某招聘平台的相关数据&#xff0…

Python培训分享:Python发展前景怎么样?

最近学习Python技术的同学越来越多,大家对于Python技术比较关注的两个点,就是Python技术好不好学,Python就业前景好不好,那么本文针对Python发展前景怎么样这个问题为大家做下详细的介绍。 Python培训分享:Python发展前…

python未来前景,这是我见过最全的资料

这是本文的目录 前言一、Python语言广泛二、Python发展前景三、Python选择方向四、Python就业情况五、薪资待遇好零基础Python学习指南👉Python学习路线汇总👈👉Python必备开发工具👈👉Python学习视频600合集&#x1f…

python是什么?工作前景如何?怎么算有基础?爬数据违法嘛?。。

前言 随着python越来越火爆并在2021年10月,语言流行指数的编译器Tiobe将Python加冕为最受欢迎的编程语言,且置于Java、C和JavaScript之上,越来越多的人了解python. 但是,很多人都会疑惑: 它凭什么这么火爆呢&#xf…

PLC通过智能网关实现以太网与多台智能仪表、变频器等串口设备通讯

案例是通过一个IGT-SER智能网关,实现远程IO模块、智能仪表,变频器与PLC通讯。不同品牌的PLC之间通讯 网关与变频器之间采用ModbusRTU串口通讯,网关与变远程IO模块也是之间采用ModbusRTU串口通讯,都接成RS485网络后分别接入网关的串…

多台plc之间如何快速实现以太网无线连接?

常规来说,多台plc要实现以太网无线连接,首先要先确定以太网线必须正确连接,并建立物理连接。然后需要在PLC端设置好IP地址,以使不同PLC以相同协议可以实现通信交流。最后是建立PLC端数据采集及交换系统,要求在PLC端设置…