1. 基本电路

2. 相关寄存器
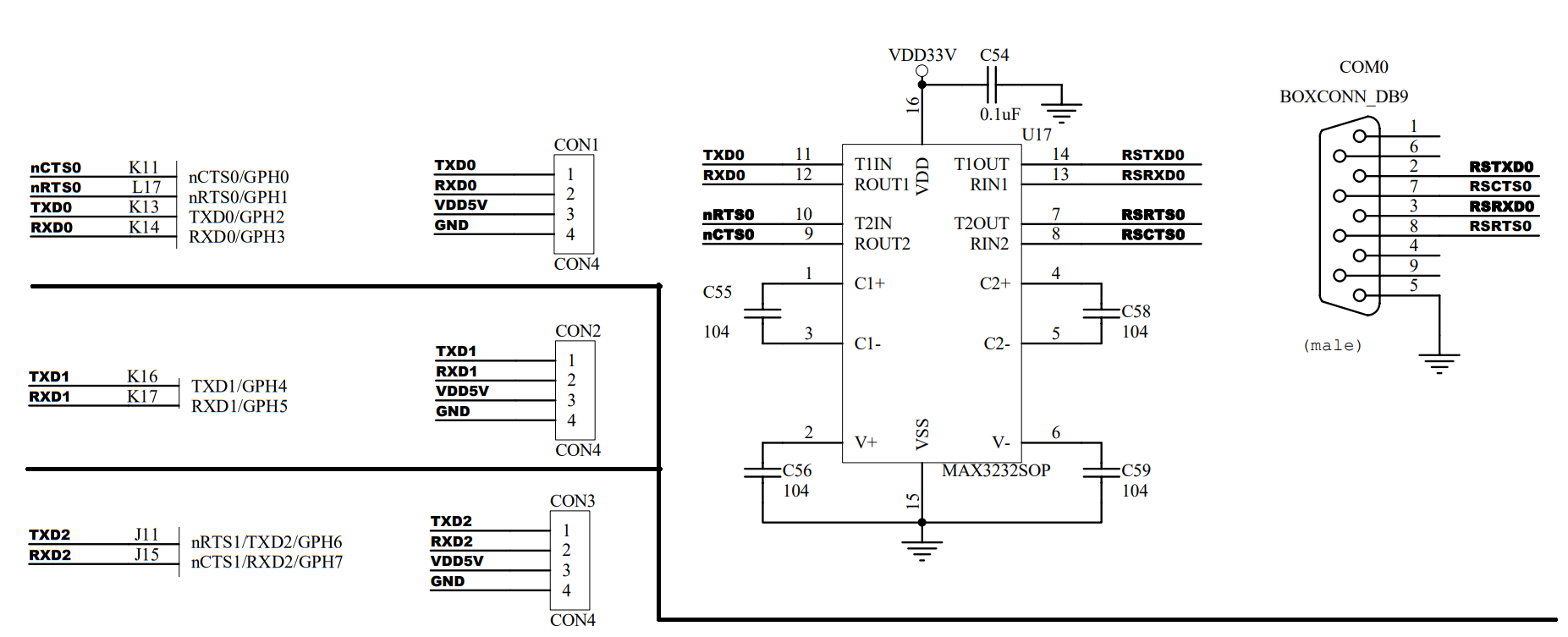
2.1 引脚

2.2 框图

2.3 串口

3. 相关代码
S3C2440A 中的时钟控制逻辑可以产生必须的时钟信号,包括 CPU 的 FCLK,AHB 总线外设的 HCLK 以及 APB 总线外设的 PCLK。S3C2440A 包含两个锁相环(PLL):一个提供给 FCLK、HCLK 和 PCLK,另一个专用于USB 模块(48MHz)。
工作频率
- FCLK 最高 400MHz。提供给 ARM920T 的时钟。
- HCLK 最高 136MHz。提供给用于 ARM920T,存储器控制器,中断控制器,LCD 控制器,DMA 和 USB 主机模块的 AHB
总线的时钟。 - PCLK 最高 68MHz。提供给用于外设如 WDT,IIS,I2C,PWM 定时器,MMC/SD 接口,ADC,UART,GPIO,RTC 和SPI 的 APB 总线的时钟。
- 在ram.ini初始化文件中,定义了FCLK = 300 MHz, HCLK = 100 MHz, PCLK = 50 MHz
3.1 接收串口数据
//UTXH0 0x50000020(L)
// 0x50000023(B)W(字节) UART 通道0 发送缓冲寄存器
#define UTXH0 (*(int*)0x50000020)
//UTRSTAT0 0x50000010 R UART 通道0 Tx/Rx 状态寄存器
//URXH0 0x50000024(L)0x50000027(B)W(字节) UART 通道0 接收缓冲寄存器
#define URXH0 (*(int*)0x50000024)
#define UTRSTAT0 (*(int*)0x50000010)
//ULCON0 0x50000000 R/W UART 通道0 线路控制寄存器
#define ULCON0 (*(int*)0x50000000)
//UCON0 0x50000004 R/W UART 通道0 控制寄存器
#define UCON0 (*(int*)0x50000004)
//UBRDIV0 0x50000028 R/W 波特率分频寄存器0
#define UBRDIV0 (*(int*)0x50000028)
/*例如,如果波特率为115200 bps 并且UART 时钟为40 MHz,UBRDIVn 为:
UBRDIVn = (int)(40000000 / (115200 x 16) ) - 1
= (int)(21.7) - 1 [取最接近的整数]
= 22 - 1 = 21
*/
//GPHCON 0x56000070 R/W 配置端口H 的引脚
#define GPHCON (*(int*)0x56000070)#define PCLK (50000000)
#define BPS (115200)
unsigned char buff[20];
char len = 0;
void delay(unsigned int time)
{int i;for(i=0;i<time;i++);
}void uart0_init(void)
{GPHCON = (2<<4) | (2<<6);ULCON0 = 0x03;UCON0 = (1<<2)|(1<<0);//TX/RX enable->polling modeUBRDIV0 = (PCLK/(BPS*16))-1;
}
int main(void)
{uart0_init();while(1){while((UTRSTAT0&0x01)==0); //为0等待,为1表示有数据buff[len++] = URXH0;if(len==20){len = 0;}// delay(0x50000);}
}
3.2 发送串口数据
//UTXH0 0x50000020(L)
// 0x50000023(B)W(字节) UART 通道0 发送缓冲寄存器
#define UTXH0 (*(int*)0x50000020)
//UTRSTAT0 0x50000010 R UART 通道0 Tx/Rx 状态寄存器
#define UTRSTAT0 (*(int*)0x50000010)//ULCON0 0x50000000 R/W UART 通道0 线路控制寄存器 (数据位,停止位,校验位,红外模式。。。)
#define ULCON0 (*(int*)0x50000000)//UCON0 0x50000004 R/W UART 通道0 控制寄存器
#define UCON0 (*(int*)0x50000004)//UBRDIV0 0x50000028 R/W 波特率分频寄存器0
#define UBRDIV0 (*(int*)0x50000028)
/*例如,如果波特率为115200 bps 并且UART 时钟为40 MHz,UBRDIVn 为:
UBRDIVn = (int)(40000000 / (115200 x 16) ) - 1
= (int)(21.7) - 1 [取最接近的整数]
= 22 - 1 = 21
*/
//GPHCON 0x56000070 R/W 配置端口H 的引脚
#define GPHCON (*(int*)0x56000070)#define PCLK (50000000)
#define BPS (115200)
void delay(unsigned int time)
{int i;for(i=0;i<time;i++);
}
void send_char(unsigned char data)
{UTXH0 = data;while((UTRSTAT0&0x04)==0); //为0等待
}
void uart0_init(void)
{GPHCON = (2<<4) | (2<<6);ULCON0 = 0x03;UCON0 = 1<<2;//TX enable->polling modeUBRDIV0 = (PCLK/(BPS*16))-1;
}
int main(void)
{uart0_init();while(1){send_char('a');delay(0x50000);}
}
3.3 收到数据并发送数据
//0x50000020(L)
//0x50000023(B)
//(字节) UART 通道0 发送缓冲寄存器
#define UTXH0 (*(volatile unsigned int *)0x50000020)//UTXH0
#define URXH0 (*(volatile unsigned int *)0x50000024) // (L)
#define UTRSTAT0 (*(volatile unsigned int *)0x50000010) //R UART 通道0 Tx/Rx 状态寄存器
#define ULCON0 (*(volatile unsigned int *)0x50000000)// //R/W UART 通道0 线路控制寄存器
#define UCON0 (*(volatile unsigned int *)0x50000004)// //R/W UART channel 0 control register
#define UBRDIV0 (*(volatile unsigned int *)0x50000028) // R/W 波特率分频寄存器0#define GPHCON (*(volatile unsigned int *)0x56000070) //R/W 配置端口H 的引脚
#define PCLK (50000000)
#define BPS (9600)char str[]="atd13818653949;";struct _DATA_
{char data[20];unsigned char len;
};struct _DATA_ DATA;void delay(unsigned int time)
{unsigned int i;for(i=0;i<time;i++);
}
void sendchar(char data)
{UTXH0 = data;while((UTRSTAT0 & 0x4)==0);
}
void sendstring(char *p)
{while(*p!=0x00){sendchar(*p++);}}
int main(void)
{//设置GPH2->TXD0,GPH3->RXD0GPHCON = (2<<4) | (2<<6);//设置8位数据位,1个停止位,无校验位ULCON0 = 0x3;//打开发送和接收通道UCON0 = (1<<2) | (1<<0);//设置波特率//UBRDIVn = (int)( UART 时钟 / ( 波特率 × 16) ) –1UBRDIV0 = PCLK/(BPS*16) -1;DATA.len = 0;while(1){//判断接收缓存器是否有新数据while((UTRSTAT0 & 0x1)==0);//从接收保持寄存器里面取出数据存放到//结构体里面DATA.data[DATA.len++]=URXH0;//把收到的数据发给电脑sendchar(DATA.data[DATA.len-1]);if(DATA.len==20){DATA.len = 0;}}}
3.4 串口中断
使用到了MMU模块。
/****************************************************************NAME: u2440mon.cDESC: u2440mon entry point,menu,downloadHISTORY:Mar.25.2002:purnnamu: S3C2400X profile.c is ported for S3C2410X.Mar.27.2002:purnnamu: DMA is enabled.Apr.01.2002:purnnamu: isDownloadReady flag is added.Apr.10.2002:purnnamu: - Selecting menu is available in the waiting loop. So, isDownloadReady flag gets not needed- UART ch.1 can be selected for the console.Aug.20.2002:purnnamu: revision number change 0.2 -> R1.1 Sep.03.2002:purnnamu: To remove the power noise in the USB signal, the unused CLKOUT0,1 is disabled.****************************************************************/
#define GLOBAL_CLK 1#include <stdlib.h>
#include <string.h>
#include "def.h"
#include "option.h"
#include "2440addr.h"
//#include "2440lib.h"
#include "2440slib.h"
#include "mmu.h"#define PCLK (50000000)
#define BPS (115200)unsigned char buff[20];
char len = 0;static void __irq Uart0_ISR(void)
{char i;buff[len++] = rURXH0;if(len==20){for(i=0;i<len;i++){buff[i++]=0x00;}len = 0;}ClearSubPending(BIT_SUB_RXD0);ClearPending(BIT_UART0);
}
void uart0_init(void)
{rGPHCON = (2<<4) | (2<<6);rULCON0 = 0x03;rUCON0 = (1<<2)|(1<<0);//TX/RX enable->polling moderUBRDIV0 = (PCLK/(BPS*16))-1;
}int main(void)
{uart0_init();MMU_Init(); //(*((int*)(0x33ffff00+0x58)pISR_UART0 = (unsigned int)Uart0_ISR;EnableSubIrq(BIT_SUB_RXD0);EnableIrq(BIT_UART0);while(1);
}
4. 资料
https://download.csdn.net/download/Kshine2017/74086101




![[BigData]16家大数据分析平台](http://www.dratio.com/files/image2/201402/251053065183.jpg)









