目录
1、共模抑制比(CMRR)
2、低容差电阻
3、高噪声增益
4、单电容滚降
5、运算放大器输入端之间的电容
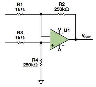
大学里的电子学课程说明了理想运算放大器的应用,包括反相和同相放大器,然后将它们进行组合,构建差动放大器。经典四电阻差动放大器,如下图所示:

该放大器的传递函数为:

若R1 = R3且R2 = R4,则公式 1 简化为:

经典的四电阻差分放大器似乎很简单,但其在电路中的性能却不佳。这种简化可以在教科书中看到,但现实中无法这样做,因为电阻永远不可能完全相等。此外,基本电路在其他方面的改变可产生意想不到的行为。
本文从实际生产设计出发,讨论了分立式电阻、滤波、交流共模抑制和高噪声增益的不足之处。
1、共模抑制比(CMRR)
差动放大器的一项重要功能是抑制两路输入的共模信号。如上图所示,假设V2 为 5 V,V1 为 3 V,则 4V为共模输入。V2 比共模电压高 1 V,而V1 低 1 V。二者之差为 2 V,因此R2/R1的"理想"增益施加于 2 V。如果电阻非理想,则共模电压的一部分将被差动放大器放大,并作为V1 和V2 之间的有效电压差出现在VOUT,无法与真实信号相区别。
差动放大器抑制这一部分电压的能力称为共模抑制(CMR)。该参数可以表示为比率的形式(CMRR),也可以转换为分贝(dB)。
在 1991 年的一篇文章中,Ramón Pallás-Areny和John Webster指出,假定运算放大器为理想运算放大器,则共模抑制可以表示为:

其中:
- Ad为差动放大器的增益,
- t 为电阻容差。
因此,在单位增益和 1%电阻情况下,CMRR等于 50 V/V(或约为 34 dB);在 0.1%电阻情况下,CMRR等于 500 V/V(或约为 54 dB)—— 甚至假定运算放大器为理想器件,具有无限的共模抑制能力。若运算放大器的共模抑制能力足够高,则总CMRR受限于电阻匹配。某些低成本运算放大器具有 60 dB至 70 dB的最小CMRR,使计算更为复杂。
2、低容差电阻
对上图电路进行优化设计,如下所示:
该设计为采用OP291 的低端电流检测应用。R1 至R4 为分立式 0.5%电阻。由Pallás-Areny文章中的公式可知,最佳CMR为 64 dB。幸运的是,共模电压离接地很近,因此CMR并非该应用中主要误差源。具有 1%容差的电流检测电阻会产生 1%误差,但该初始容差可以校准或调整。然而,由于工作范围超过 80°C,因此必须考虑电阻的温度系数。
在举个例子,如下图所示 :
该示例具有较低的噪声增益,但它使用 3 mV失调、10-µV/°C失调漂移和 79 dB CMR的低精度四通道运算放大器。在 0 A至 3.6 A范围内,要求达到±5 mA精度。若采用±0.5%检测电阻,则要求的±0.14%精度便无法实现。若使用 100 mΩ电阻,则±5 mA电流可产生±500 µV压降。不幸的是,运算放大器随温度变化的失调电压要比测量值大十倍。哪怕VOS调整为零,50°C的温度变化就会耗尽全部误差预算。若噪声增益为13,则VOS的任何变化都将扩大13 倍。为了改善性能,应使用零漂移运算放大器(比如AD8638, ADA4051, 或ADA4528、薄膜电阻阵列以及精度更高的检测电阻。
3、高噪声增益
下图中的设计用来测量高端电流,其噪声增益为 250。OP07C运算放大器的VOS最大额定值为 150 µV。最大误差为 150 µV × 250 = 37.5 mV。为了改善性能,采用ADA4638 零漂移运算放大器。该器件在–40°C至+125°C温度范围内的额定失调电压为 12.5 µV。然而,由于高噪声增益,共模电压将非常接近检测电阻两端的电压。OP07C的输入电压范围(IVR)为 2 V,这表示输入电压必须至少比正电轨低 2 V。对于ADA4638 而言,IVR = 3 V。
4、单电容滚降
下图中的示例稍为复杂,目前为止,所有的等式都针对电阻而言,但更准确的做法是,它们应当将阻抗考虑在内。在加入电容的情况下(无论是故意添加的电容或是寄生电容),交流CMRR均取决于目标频率下的阻抗比。若要滚降该示例中的频率响应,则可在反馈电阻两端添加电容C2,如通常会在反相运算放大器配置中做的那样。
如需匹配阻抗比Z1 = Z3 和Z2 = Z4,就必须添加电容C4。市场上很容易就能买到 0.1%或更好的电阻,但哪怕是 0.5%的电容售价都要高于 1 美元。极低频率下的阻抗可能无关紧要,但电 容容差或PCB布局产生的两个运算放大器输入端 0.5 pF的差额可导致 10 kHz时交流CMR下降 6 dB。这在使用开关稳压器时显得尤为重要。
单芯片差动放大器(如AD8271, AD8274,或AD8276)具有好 得多的交流CMRR性能,因为运算放大器的两路输入处于芯片上的可控环境下,且价格通常较分立式运算放大器和四个精密电阻更为便宜。
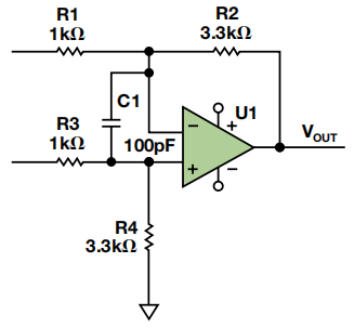
5、运算放大器输入端之间的电容
为了滚降差动放大器的响应,某些设计人员会尝试在两个运算放大器输入端之间添加电容C1 以形成差分滤波器,如下图所示:
这样做对于仪表放大器而言是可行的,但对于运算放大器却不可行。VOUT将会通过R2 而上下移动,形成闭合环路。在直流时,这不会产生任何问题,并且电路的表现与等式 2 所描 述的相一致。随着频率的增加,C1 电抗下降。进入运算放大器输入端的反馈降低,从而导致增益上升。最终,运算放大器会在开环状态下工作,因为电容使输入短路。
在波特图上,运算放大器的开环增益在–20dB/dec处下降,但噪声增益在+20 dB/dec处上升,形成–40dB/dec交越。正如控制系统课堂上所学到的,它必然产生振荡。一般而言,永远不要在运算放大器的输入端之间使用电容(极少数情况下例外,但本文不作讨论)。
无论是分立式或是单芯片,四电阻差动放大器的使用都非常广泛。为了获得稳定且值得投入生产的设计,应仔细考虑噪声增益、输入电压范围、阻抗比和失调电压规格。
参考学习来源:ADI智库
期刊链接:https://download.csdn.net/download/m0_38106923/25021095


















